lemon-mirror:
Home >> Cadillac >> 2009 >> STS V >> Repair and Diagnosis >> Engine Performance >> System >> Data Communication System >> Schematic and Routing Diagrams >> Data Communication Schematics

Data Communication Schematics

Fig 1: Power, Ground, and Low Speed GMLAN Serial Data
GM2063586Courtesy of GENERAL MOTORS CORP.
Fig 2: GMLAN - High Speed Serial Data Wake Up
GM2063585Courtesy of GENERAL MOTORS CORP.
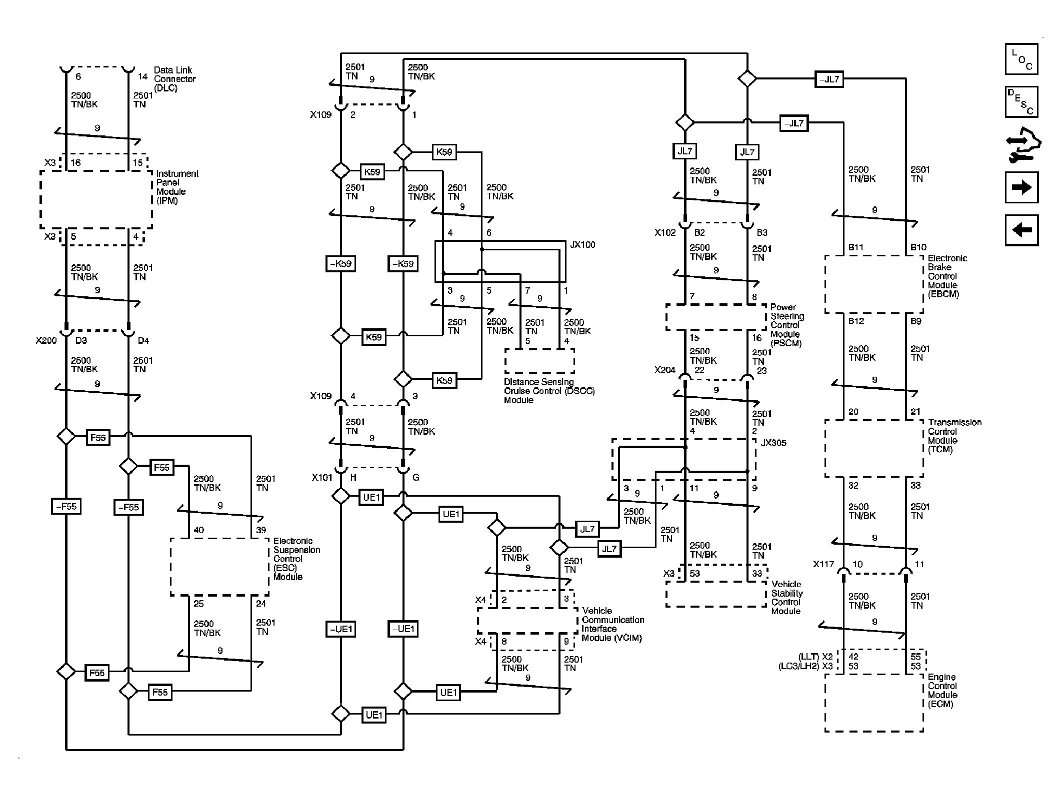
Fig 3: GMLAN High Speed Serial Data (LH2 with LHD)
GM2063554Courtesy of GENERAL MOTORS CORP.
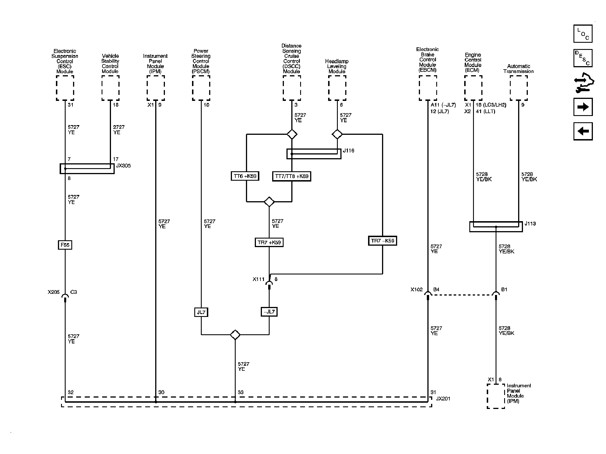
Fig 4: GMLAN High Speed Serial Data (LC3 or LLT or LH2 with RHD)
GM2063559Courtesy of GENERAL MOTORS CORP.