lemon-mirror:
Home >> Cadillac >> 2010 >> SRX 2.8 4 >> Repair and Diagnosis >> Engine Performance >> System >> Data Communication System >> Schematic and Routing Diagrams >> Data Communication Schematics

Data Communication Schematics

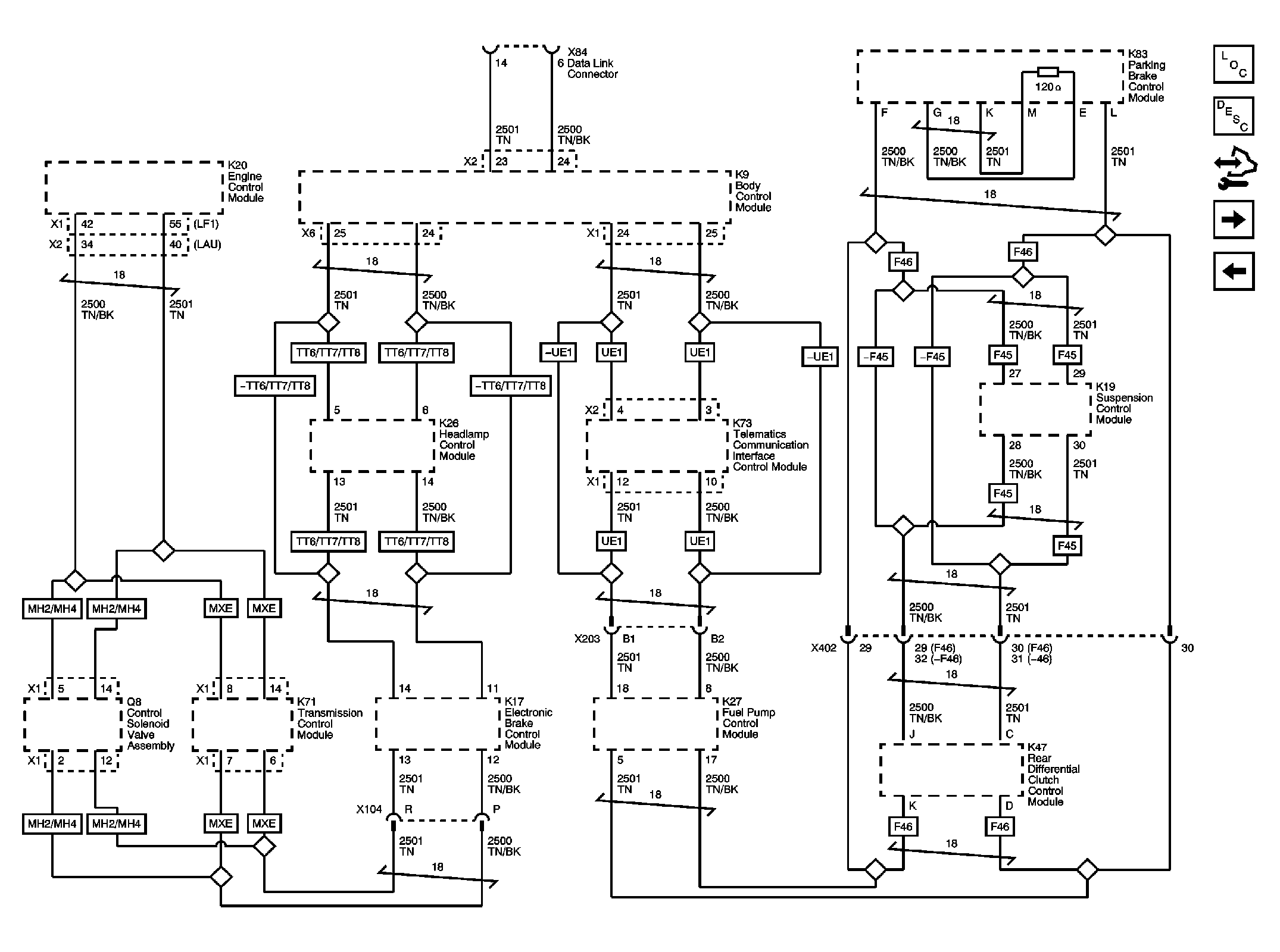
Fig 1: Low Speed GMLAN Circuit Schematic
GM2259490Courtesy of GENERAL MOTORS CORP.
Fig 2: Mid Speed GMLAN Circuit Schematic
GM2260041Courtesy of GENERAL MOTORS CORP.
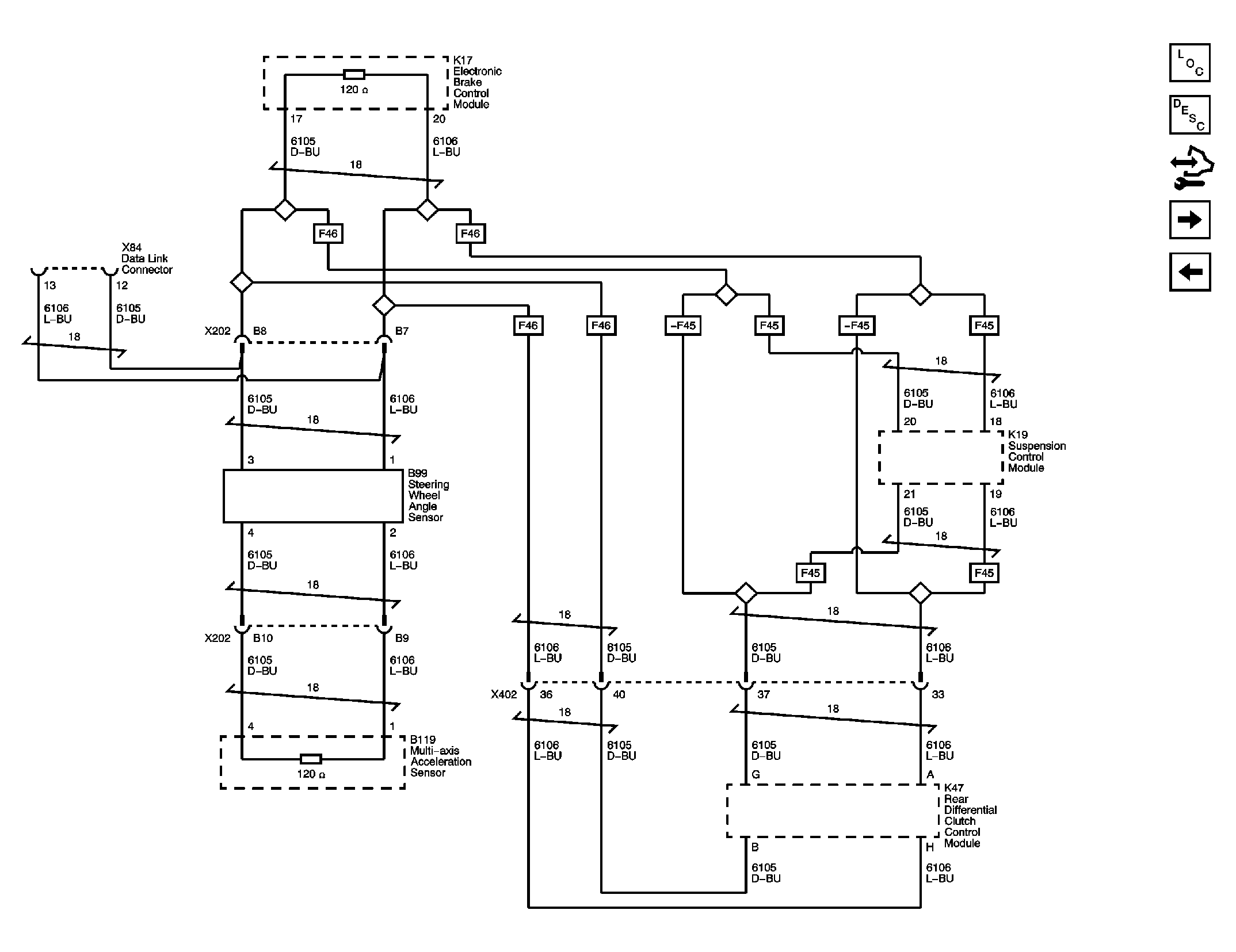
Fig 3: High Speed GMLAN Circuit Schematic
GM2259482Courtesy of GENERAL MOTORS CORP.
Fig 4: Local Interconnect Network (LIN) Bus Circuit Schematic
GM2260044Courtesy of GENERAL MOTORS CORP.
Fig 5: Chassis Expansion BusCircuit Schematic
GM2260056Courtesy of GENERAL MOTORS CORP.
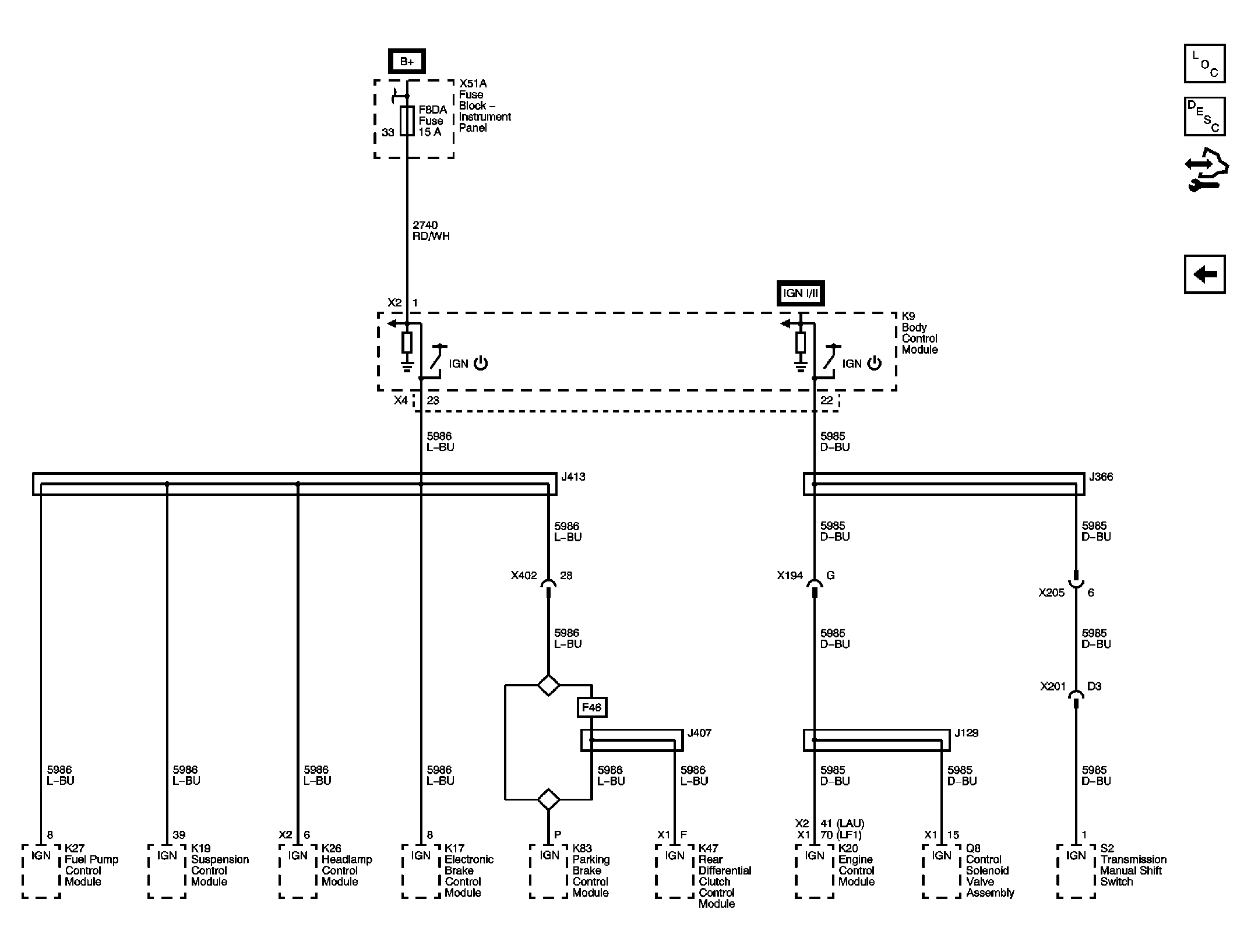
Fig 6: Communication Enable & Wake-up Circuits Schematic
GM2264546Courtesy of GENERAL MOTORS CORP.