lemon-mirror:
Home >> Cadillac >> 2010 >> STS 3.6 V, RWD >> Repair and Diagnosis >> Engine Performance >> System >> Data Communication System >> Schematic and Routing Diagrams >> Body Control System Schematics

Body Control System Schematics

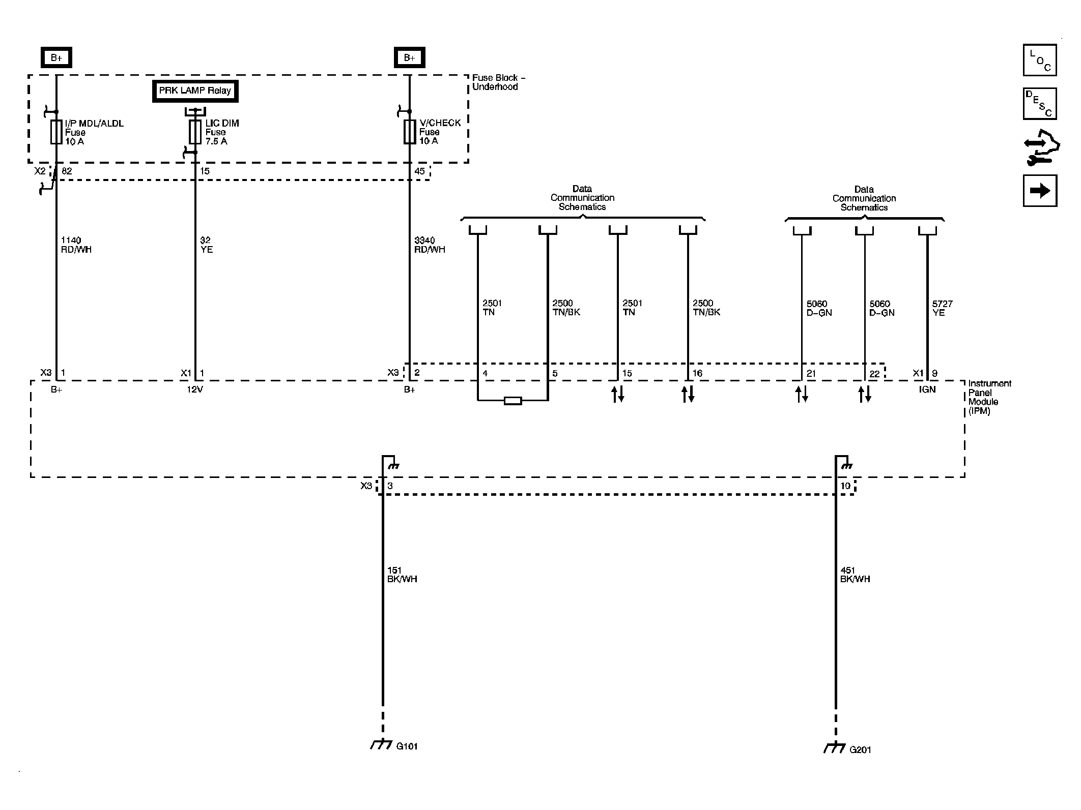
Fig 1: IPM Power, Ground and DLC
GM2285637Courtesy of GENERAL MOTORS CORP.
Fig 2: IPM Inputs and Outputs (1 of 3)
GM2285639Courtesy of GENERAL MOTORS CORP.
Fig 3: IPM Inputs and Outputs (2 of 3)
GM2285640Courtesy of GENERAL MOTORS CORP.
Fig 4: IPM Input and Outputs (3 of 3)
GM2285642Courtesy of GENERAL MOTORS CORP.
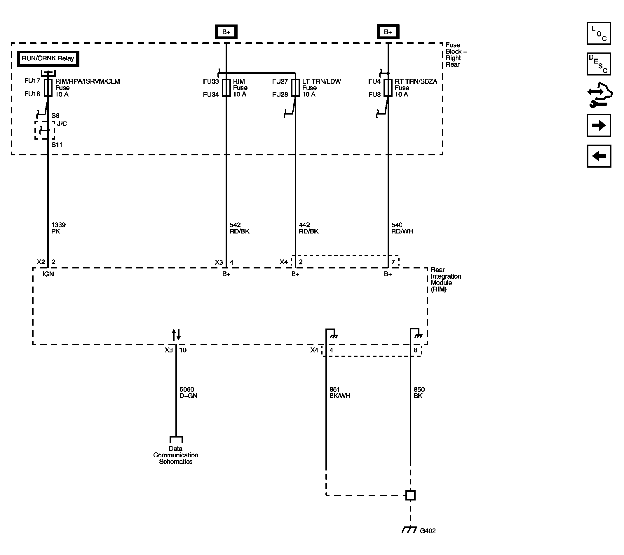
Fig 5: RIM Power, Ground and DLC
GM2285643Courtesy of GENERAL MOTORS CORP.
Fig 6: RIM Inputs and Outputs
GM2285644Courtesy of GENERAL MOTORS CORP.