lemon-mirror:
Home >> Cadillac >> 2011 >> DTS 4.6 6 >> Repair and Diagnosis >> Engine Performance >> System >> Data Communications System >> Wiring Schematics >> Data Communication Wiring Schematics >> High Speed Serial Data

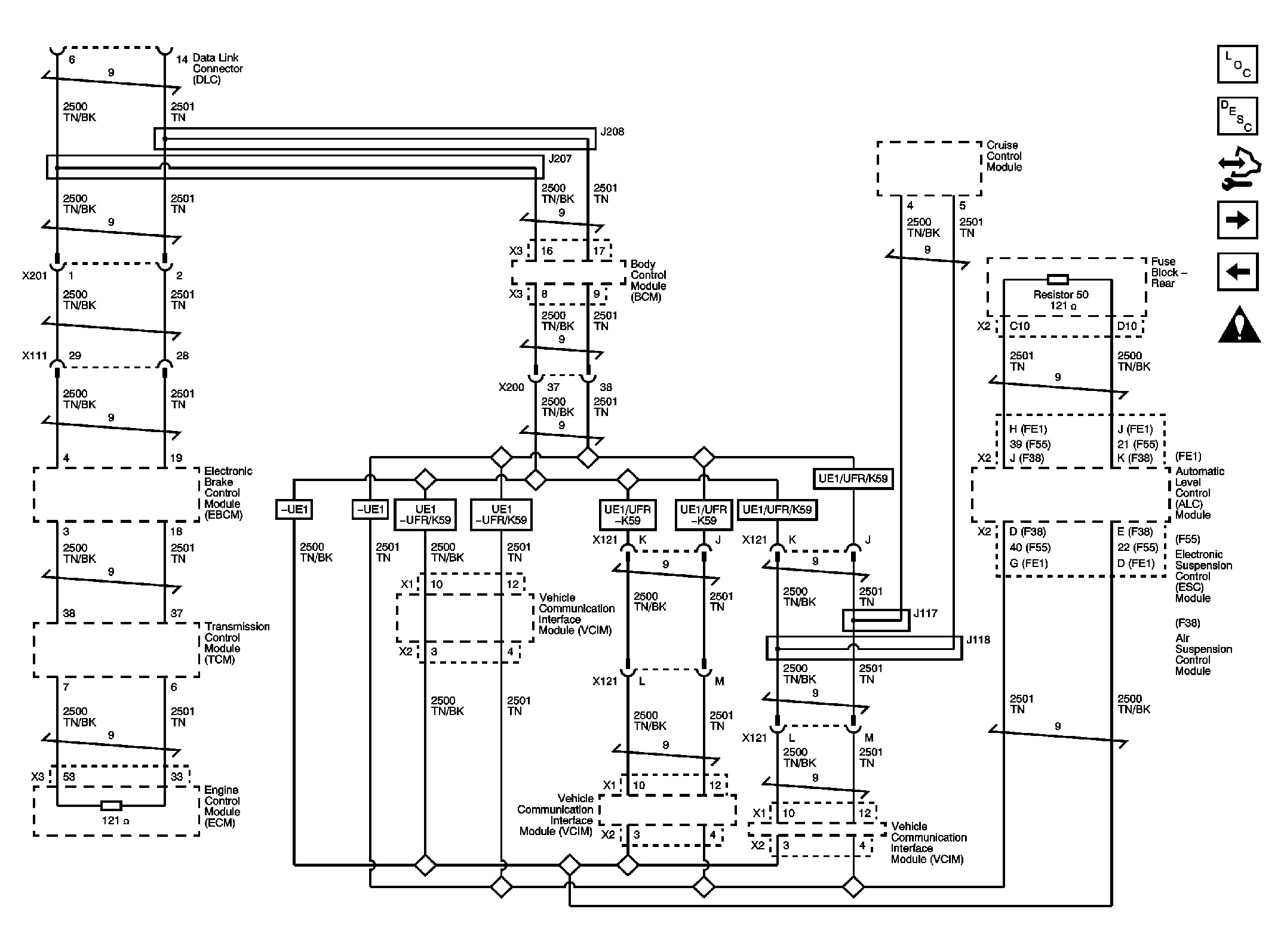
High Speed Serial Data

Fig 1: High Speed Serial Data Wiring Schematic
GM2398522Courtesy of GENERAL MOTORS COMPANY