lemon-mirror:
Home >> Cadillac >> 2011 >> Escalade EXT >> Repair and Diagnosis >> Engine Performance >> System >> Data Communications System >> Wiring Schematics >> Data Communication Wiring Schematics >> Powertrain Expansion Bus (HP2)

Powertrain Expansion Bus (HP2)

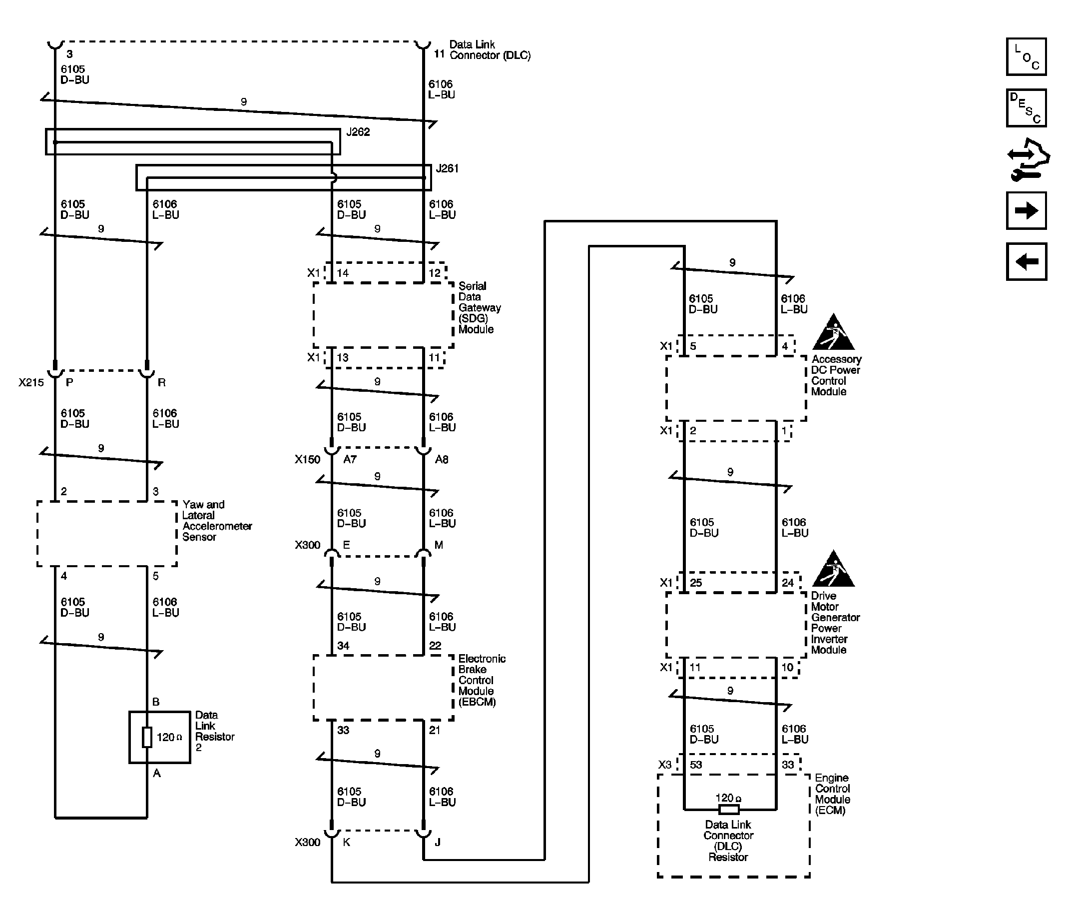
Fig 1: Powertrain Expansion Bus (HP2) Wiring Schematic
GM2398342Courtesy of GENERAL MOTORS CORP.