lemon-mirror:
Home >> Cadillac >> 2011 >> Escalade EXT >> Repair and Diagnosis >> Engine Performance >> System >> Data Communications System >> Wiring Schematics >> Data Communication Wiring Schematics >> Serial Data Communication Enable and Wake-up Circuits

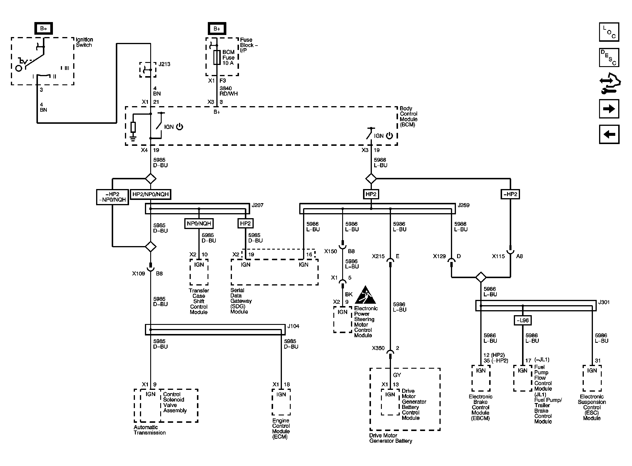
Serial Data Communication Enable and Wake-up Circuits

Fig 1: Serial Data Communication Enable and Wake-up Circuits Wiring Schematic
GM2398339Courtesy of GENERAL MOTORS CORP.