lemon-mirror:
Home >> Cadillac >> 2011 >> STS AWD >> Repair and Diagnosis >> Engine Performance >> Engine Control Systems >> Engine Controls And Fuel - 3.6L - Repair Instructions >> Repair Instructions >> Air Cleaner Assembly Replacement >> Installation Procedure

Installation Procedure

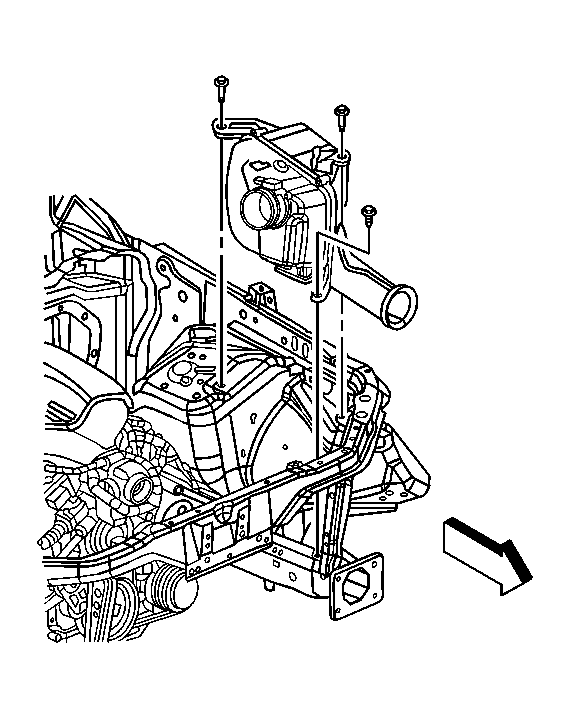
    Fig 1: View Of Air Cleaner Assembly
    GM1201221Courtesy of GENERAL MOTORS COMPANY
  1. Install the air cleaner.
  2. CAUTION:

    Refer to Fastener Caution .

  3. Install the air cleaner bolts and tighten to 9 N.m (78 lb in).
  4. Connect the MAF electrical connector.
  5. Install the air cleaner intake duct. Refer to Air Cleaner Inlet Duct Replacement .