lemon-mirror:
Home >> Cadillac >> 2012 >> Escalade EXT >> Repair and Diagnosis >> External Pages >> Different car >> Section 1106 (Object Detection System) >> Schematic and Routing Diagrams >> Object Detection Schematics

Object Detection Schematics

WARNING: This page is about a different car, the 2008 Cadillac CTS. However, it is still accessible from the selected car via links, so may be relevant.
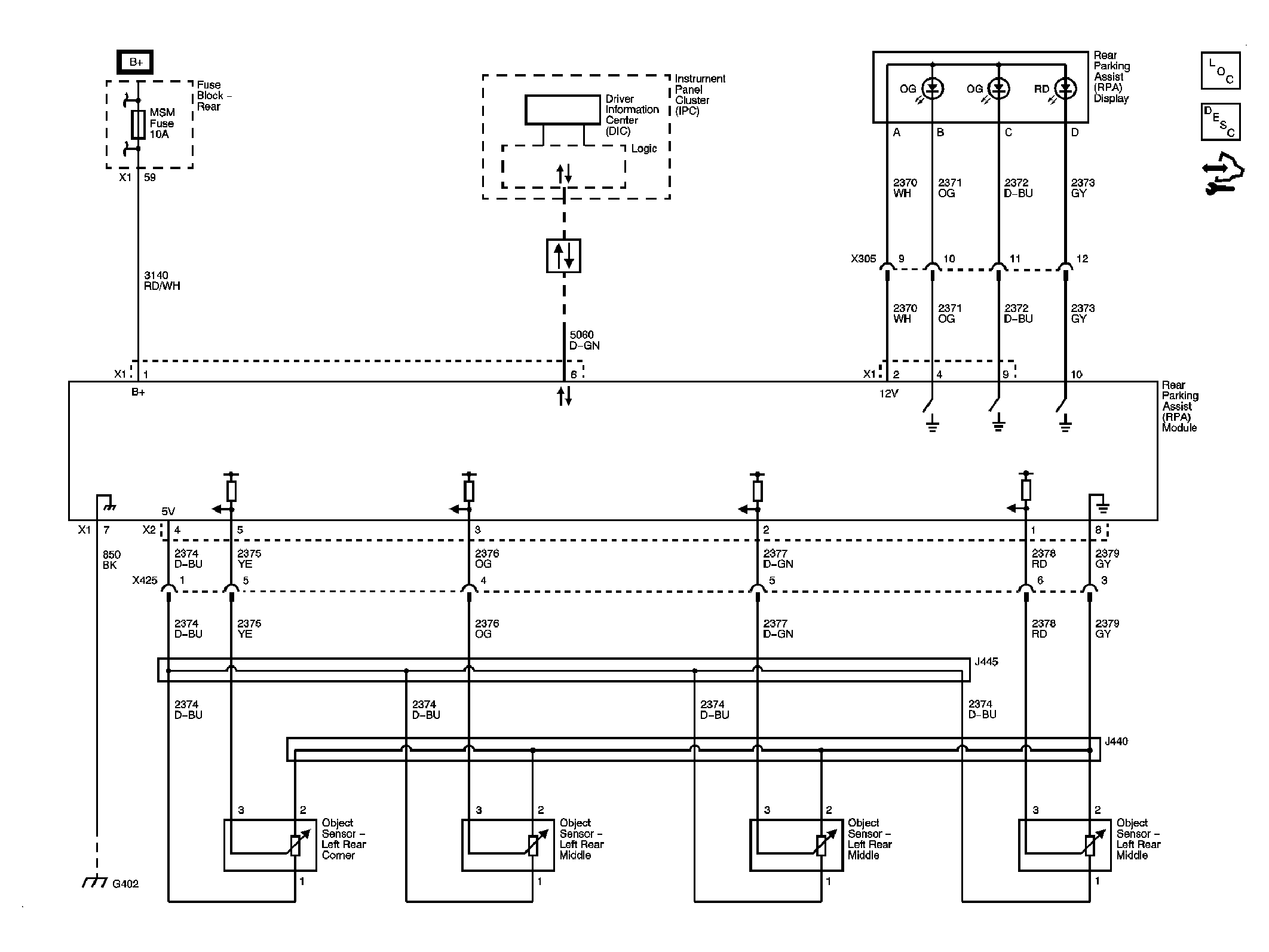
Fig 1: Object Detection Schematic
GM1923241Courtesy of GENERAL MOTORS CORP.
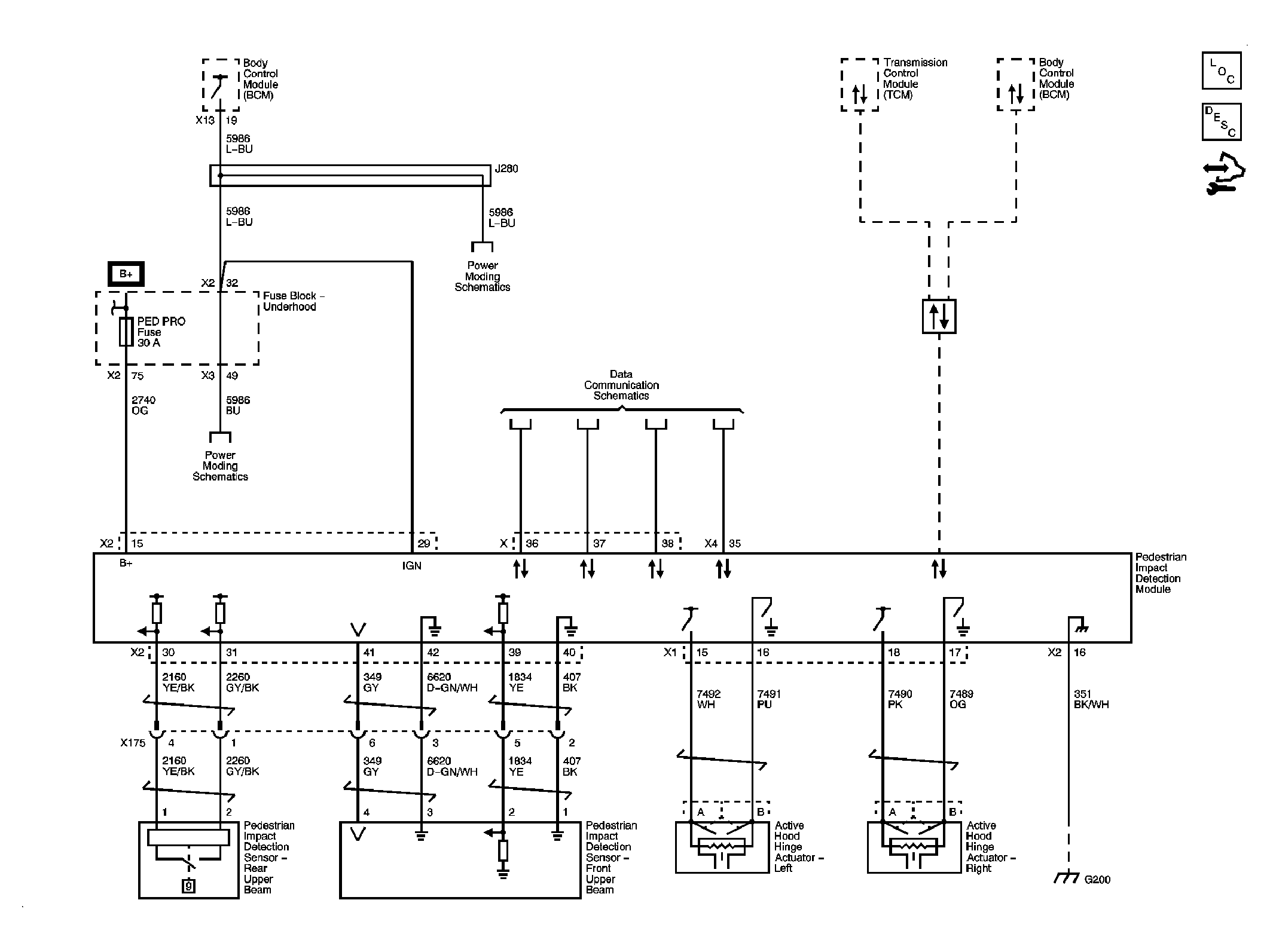
Fig 2: Pedestrian Impact Detection Schematic
GM1925975Courtesy of GENERAL MOTORS CORP.