lemon-mirror:
Home >> Cadillac >> 2012 >> Escalade EXT >> Repair and Diagnosis >> External Pages >> Different car >> Section 1283 (Object Detection System) >> Schematic and Routing Diagrams >> Object Detection Schematics

Object Detection Schematics

WARNING: This page is about a different car, the 2009 GMC Sierra, 2009 GMC Cab & Chassis Sierra, 2009 Chevrolet Silverado, and 2009 Chevrolet Cab & Chassis Silverado. However, it is still accessible from the selected car via links, so may be relevant.
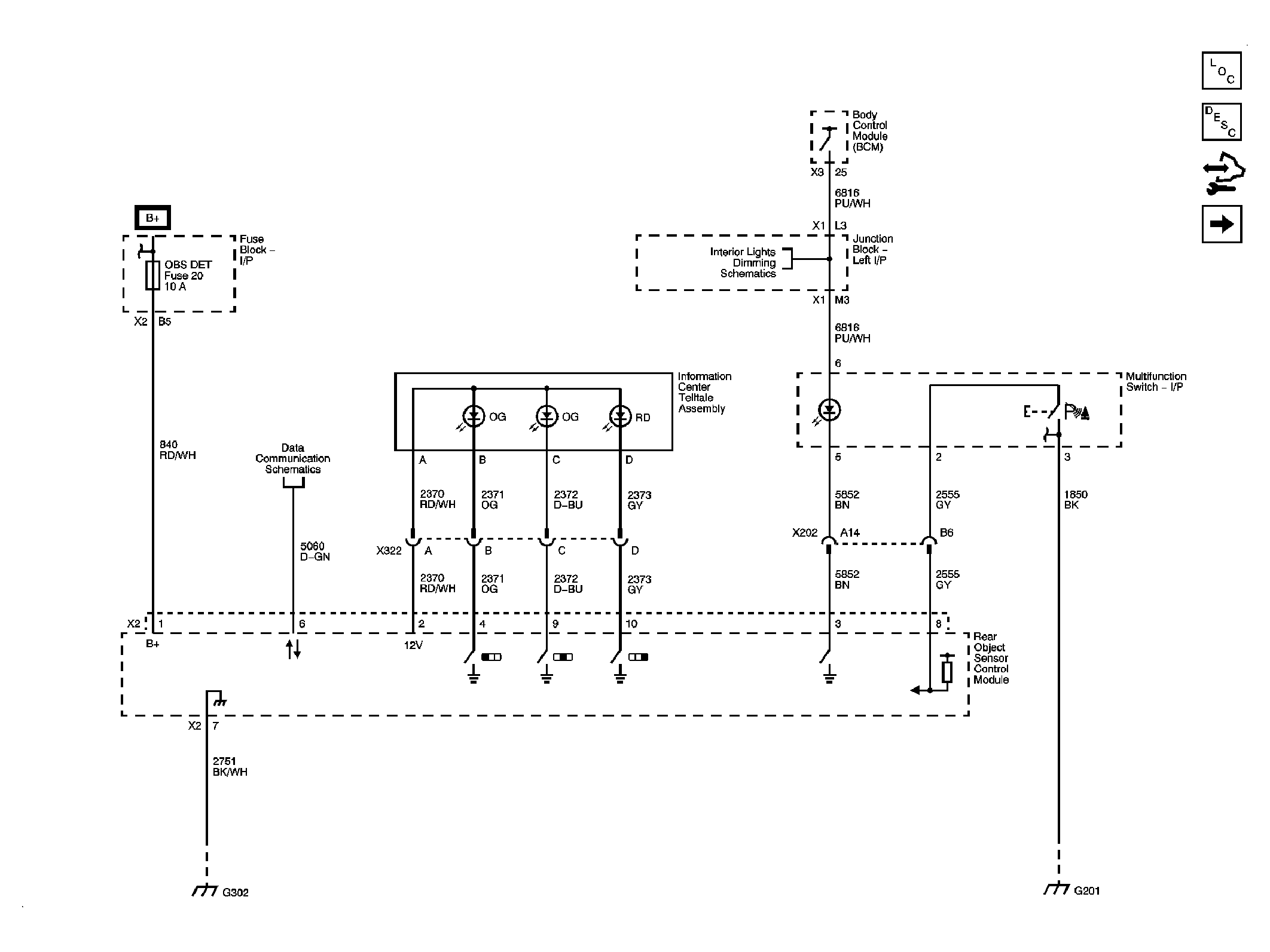
Fig 1: Rear Object Sensing (UD7) Circuit Schematic
GM2065188Courtesy of GENERAL MOTORS CORP.
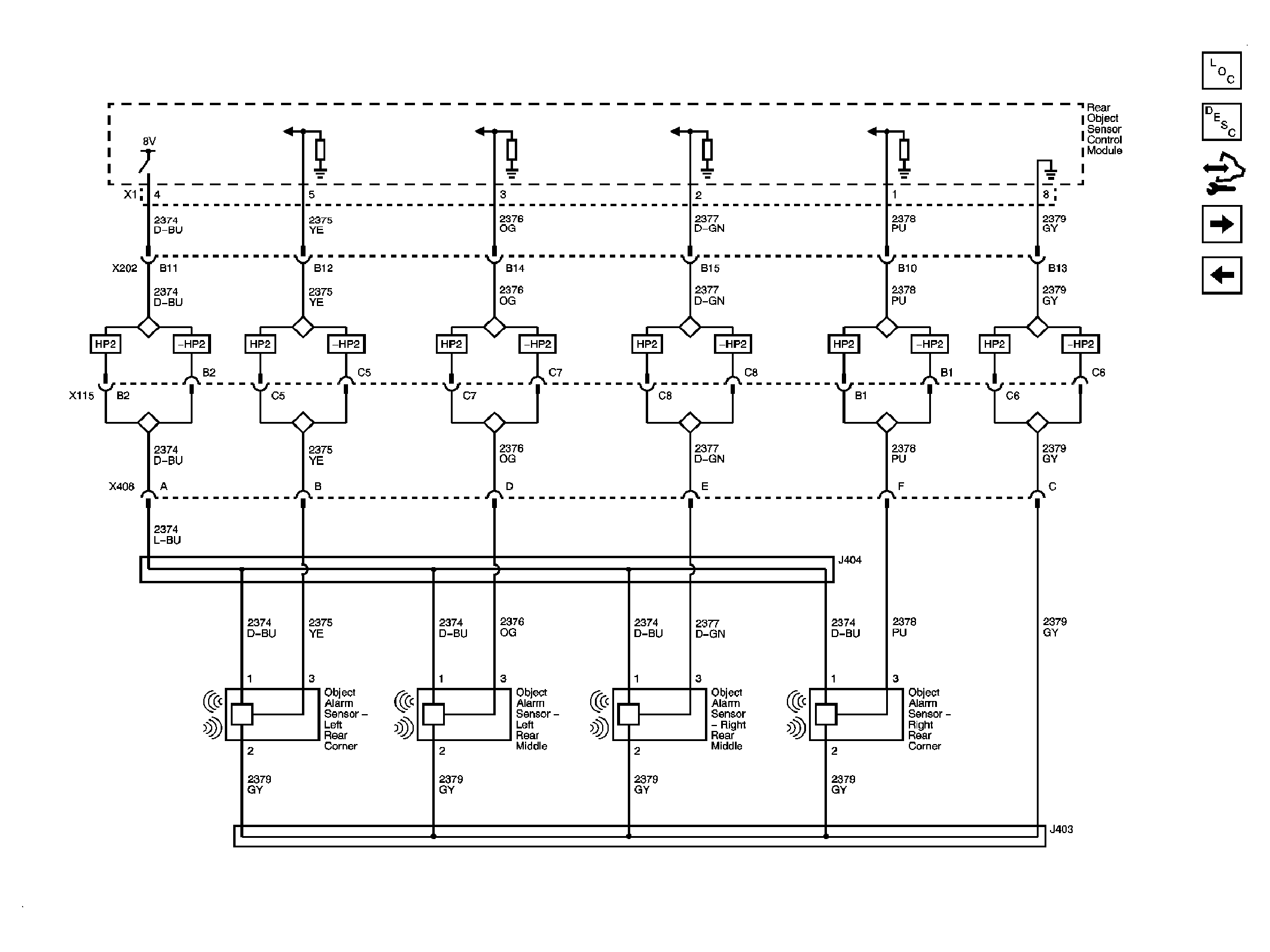
Fig 2: Rear Object Sensors (UD7) Circuit Schematic
GM2065190Courtesy of GENERAL MOTORS CORP.
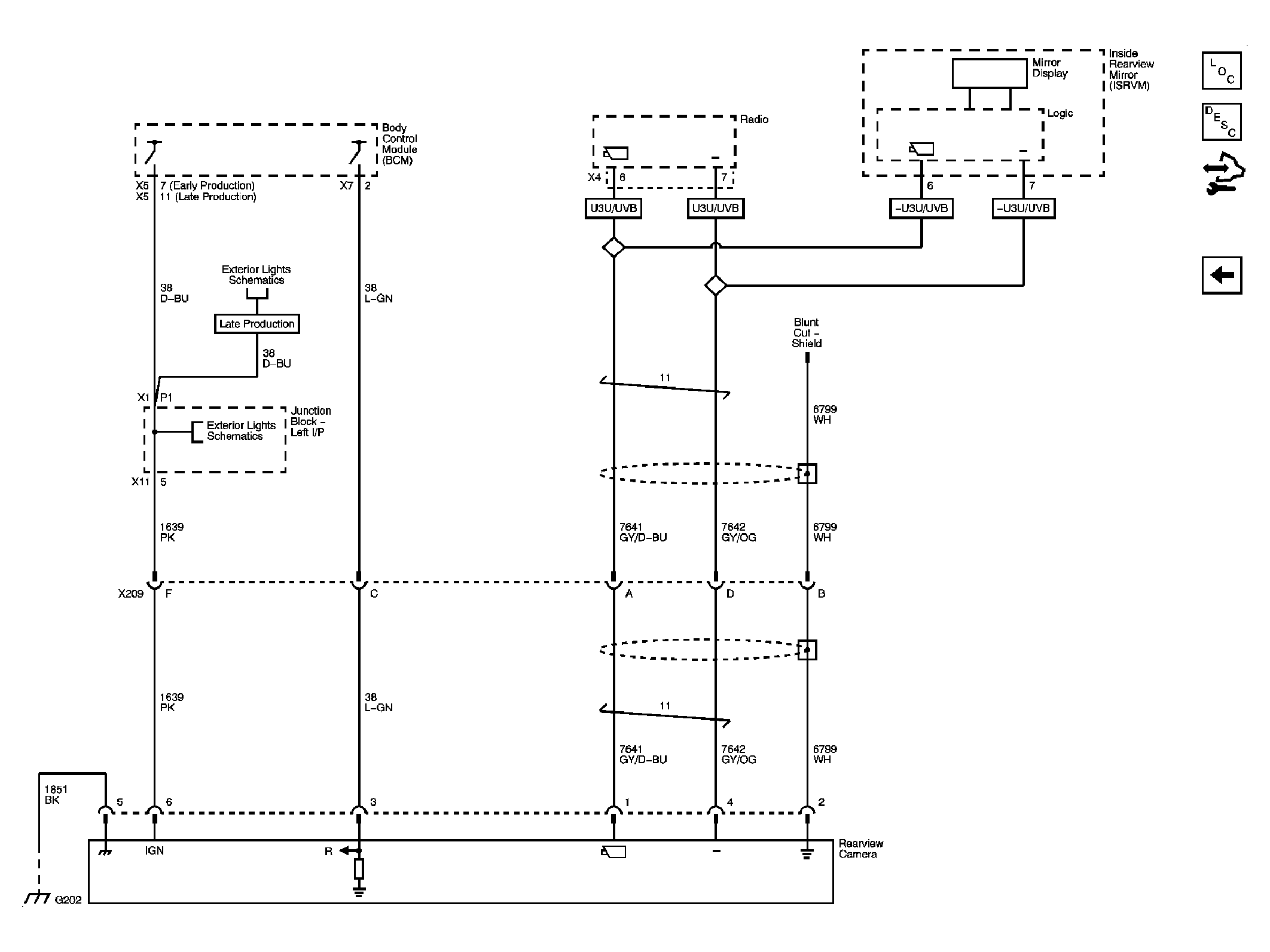
Fig 3: Rearview Camera (SVA) Circuit Schematic
GM2131926Courtesy of GENERAL MOTORS CORP.