lemon-mirror:
Home >> Cadillac >> 2012 >> Escalade EXT >> Repair and Diagnosis >> External Pages >> Different car >> Section 1538 (Object Detection System) >> Schematic and Routing Diagrams >> Object Detection Schematics

Object Detection Schematics

WARNING: This page is about a different car, the 2010 GMC Sierra, 2010 GMC Cab & Chassis Sierra, 2010 Chevrolet Silverado, and 2010 Chevrolet Cab & Chassis Silverado. However, it is still accessible from the selected car via links, so may be relevant.
Fig 1: Rear Object Sensing (UD7)
GM2224665Courtesy of GENERAL MOTORS CORP.
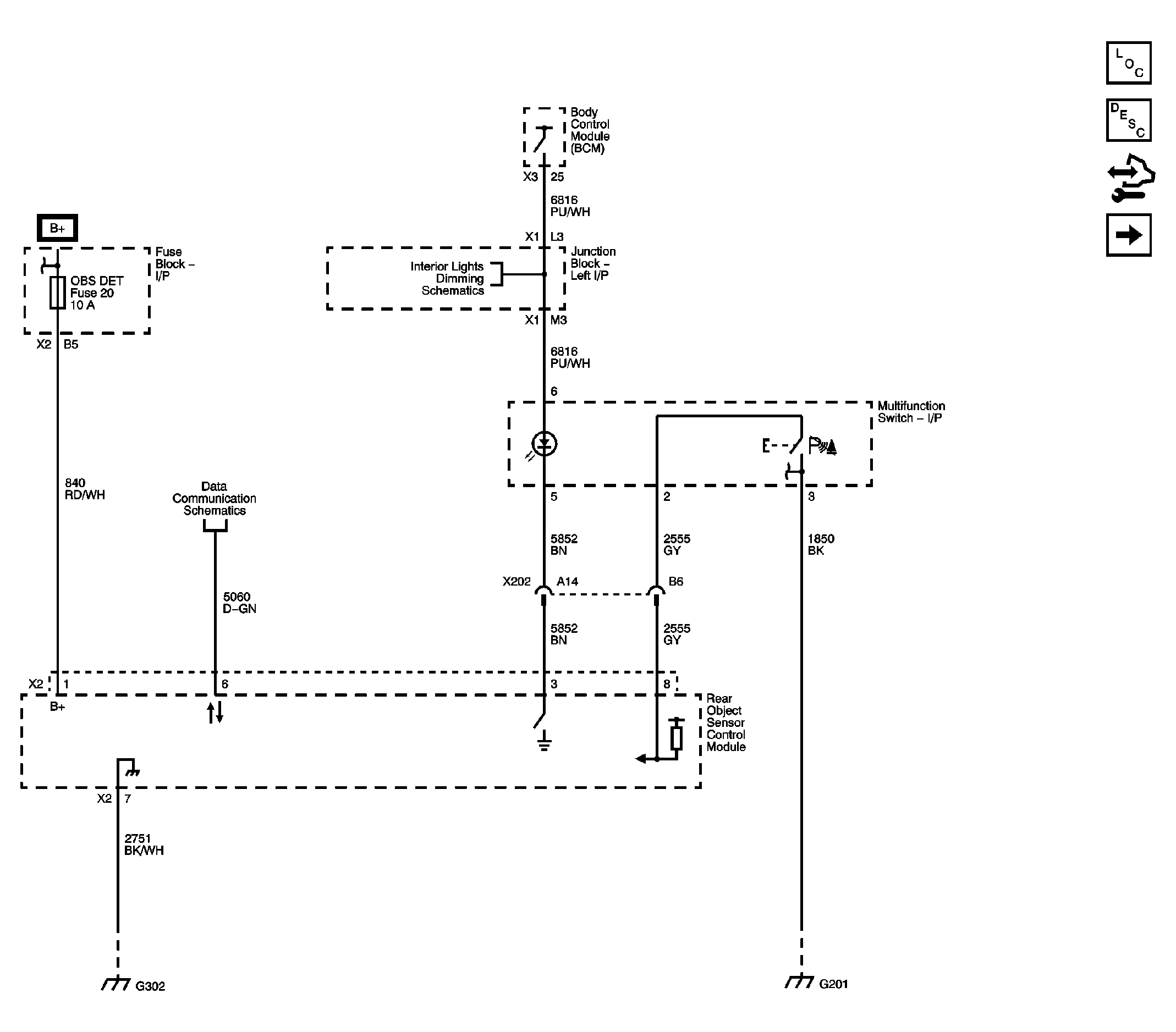
Fig 2: Rear Object Sensors (UD7)
GM2224666Courtesy of GENERAL MOTORS CORP.
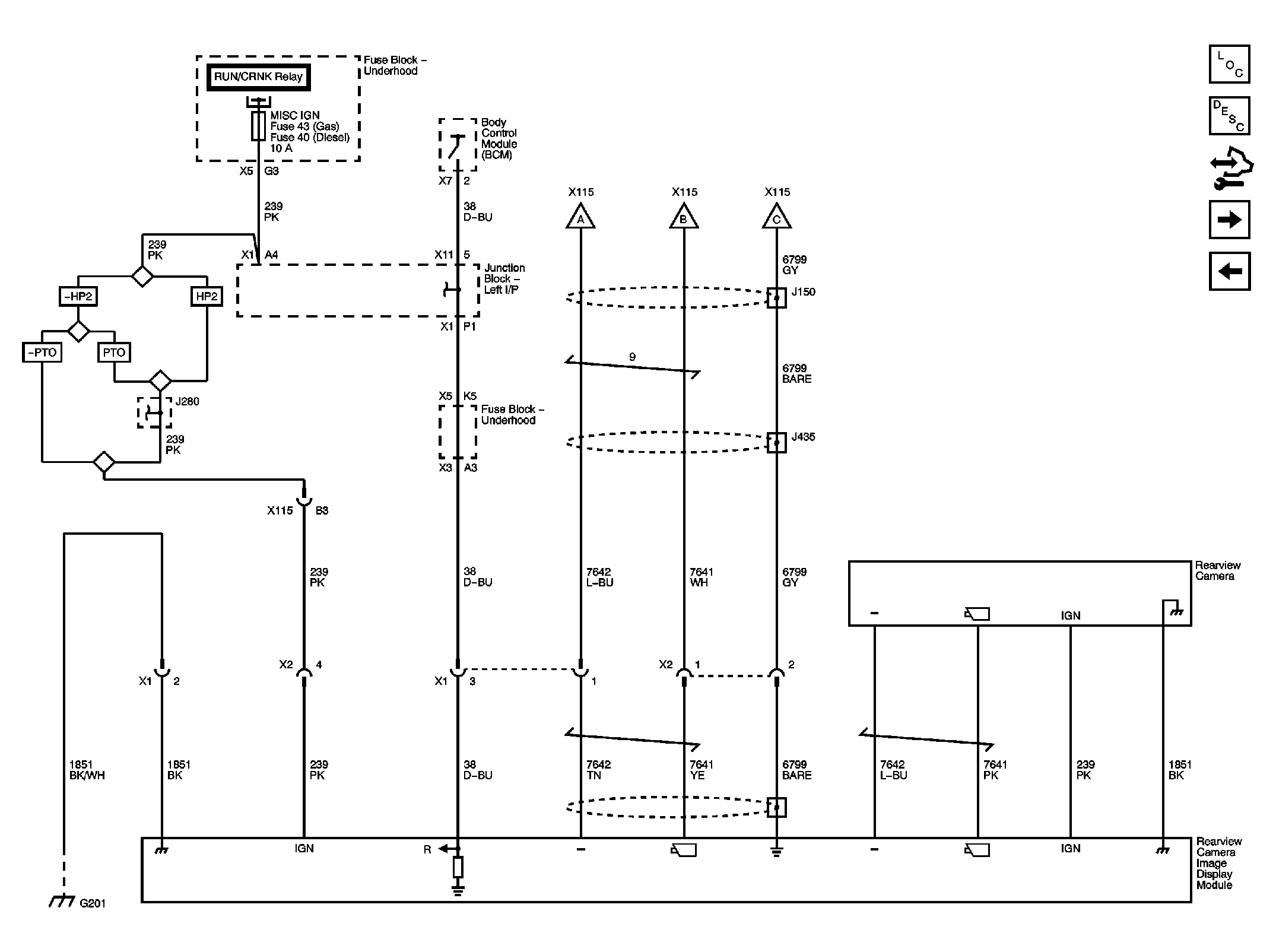
Fig 3: Rearview Camera (1 of 2) (UVC)
GM2368694Courtesy of GENERAL MOTORS CORP.
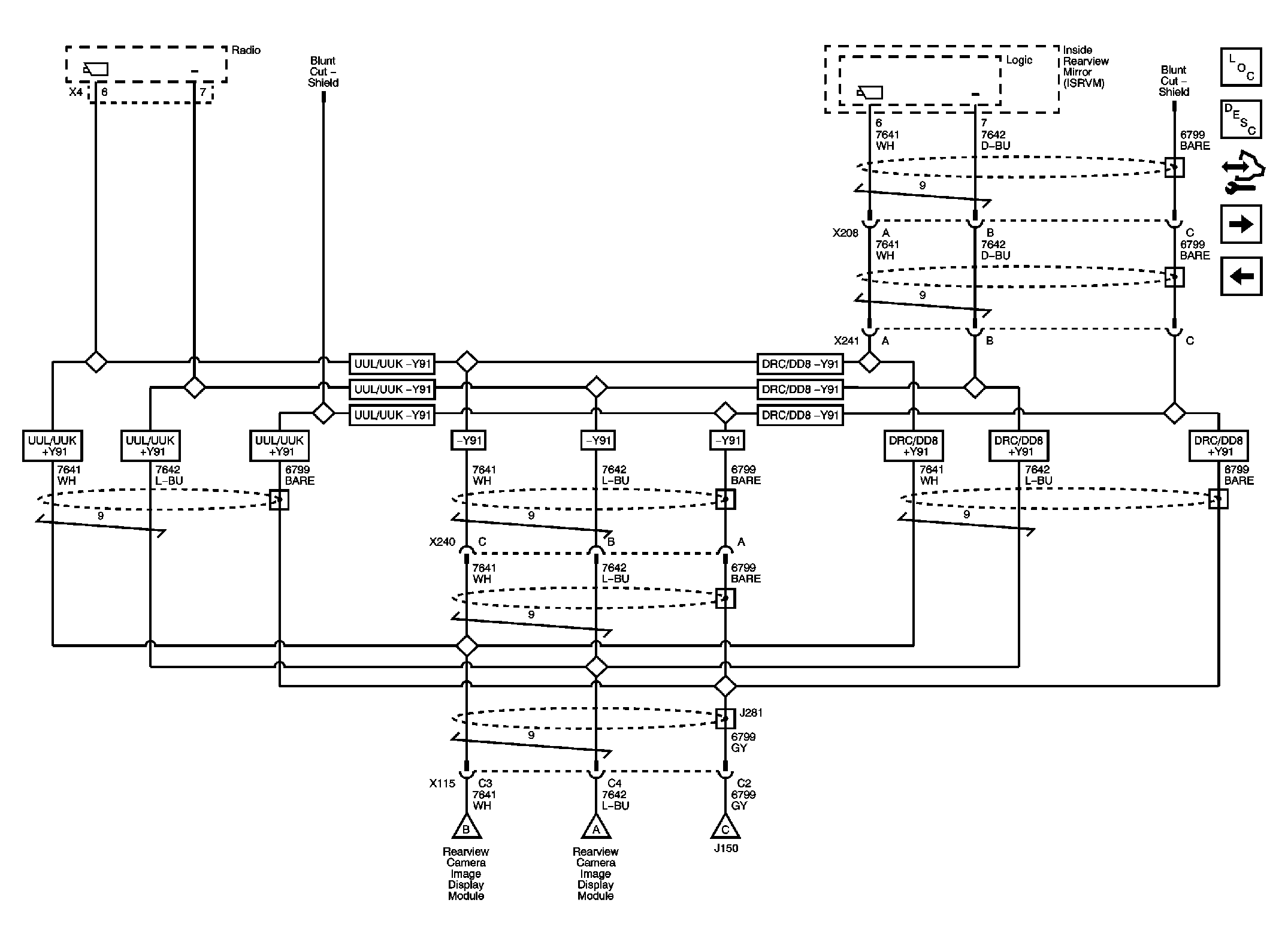
Fig 4: Rearview Camera (2 of 2) (UVC)
GM2368726Courtesy of GENERAL MOTORS CORP.
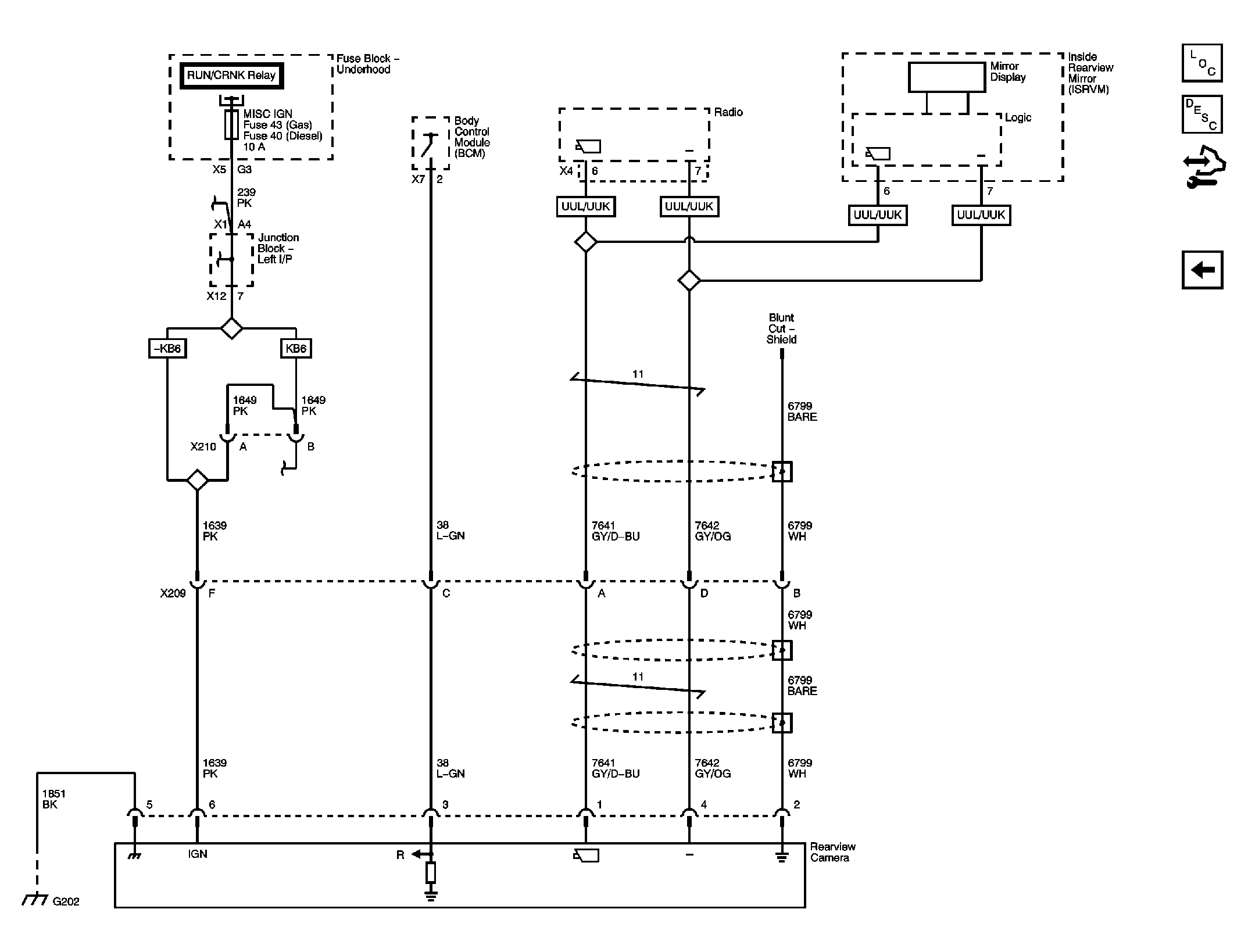
Fig 5: Rearview Camera (SPO Rearview Camera)
GM2224667Courtesy of GENERAL MOTORS CORP.