lemon-mirror:
Home >> Cadillac >> 2012 >> Escalade EXT >> Repair and Diagnosis >> External Pages >> Different car >> Section 910 (Object Detection System) >> Schematic and Routing Diagrams >> Object Detection Schematics

Object Detection Schematics

WARNING: This page is about a different car, the 2007 GMC Sierra and 2007 Chevrolet Silverado. However, it is still accessible from the selected car via links, so may be relevant.
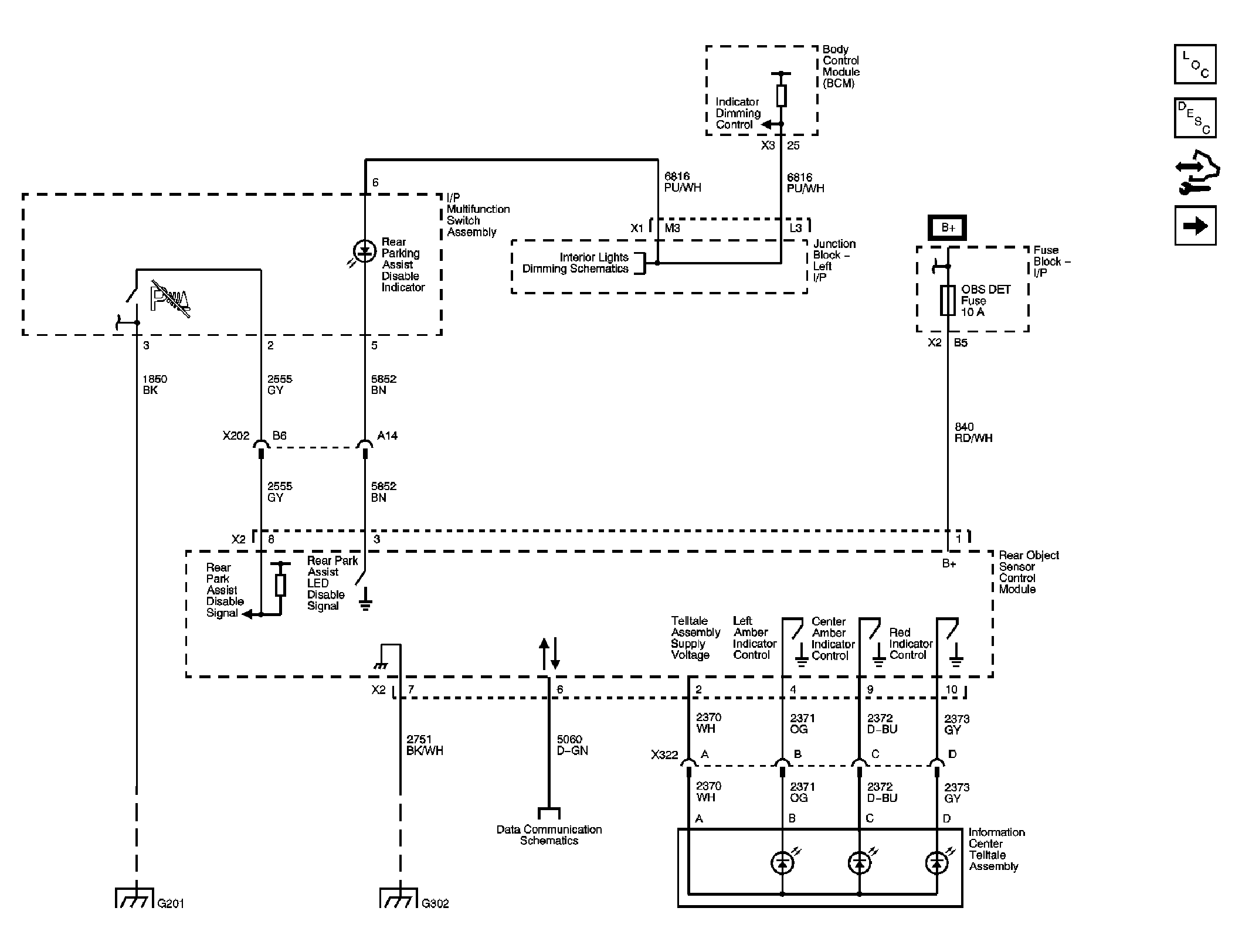
Fig 1: Rear Object Sensing Schematic
GM1847660Courtesy of GENERAL MOTORS CORP.
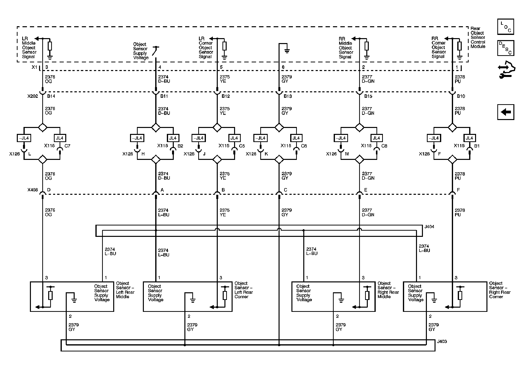
Fig 2: Rear Object Sensors Schematic
GM1847661Courtesy of GENERAL MOTORS CORP.