lemon-mirror:
Home >> Cadillac >> 2016 >> XTS Base >> Repair and Diagnosis >> Engine Performance >> System >> Data Communication System >> Schematic Wiring Diagrams >> Data Communication Wiring Schematics >> Chassis Expansion Bus

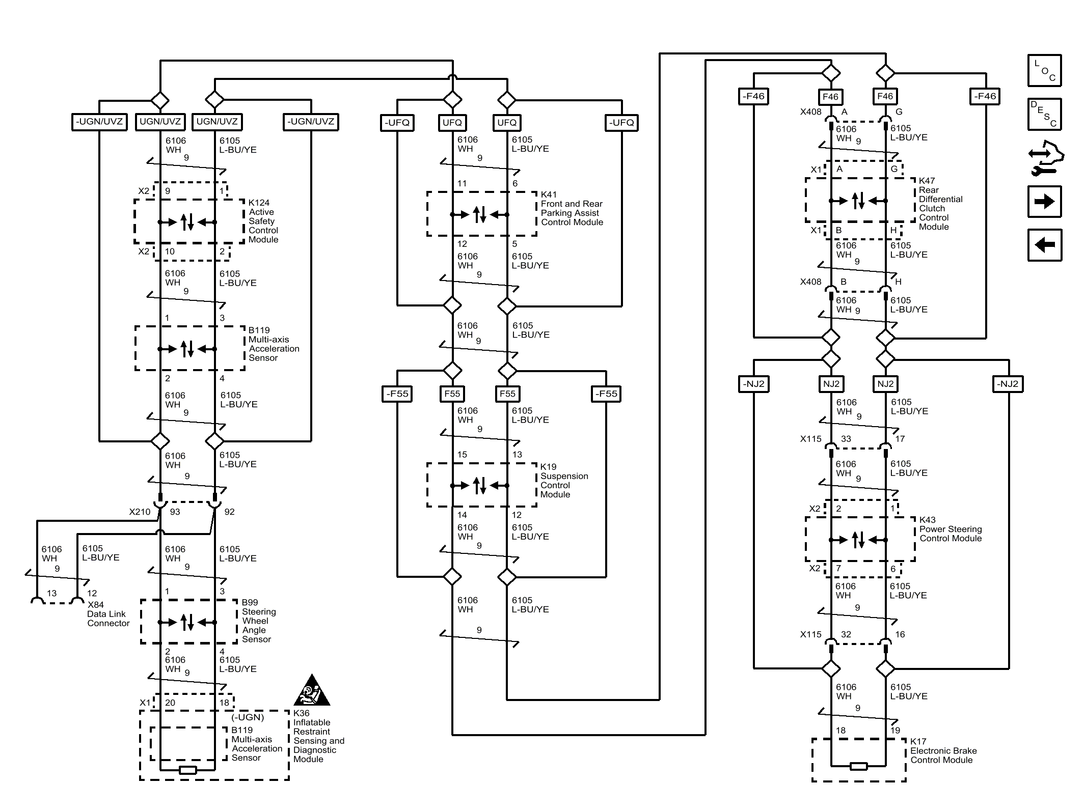
Chassis Expansion Bus

Fig 1: Chassis Expansion Bus
GM4143320Courtesy of GENERAL MOTORS COMPANY