lemon-mirror:
Home >> Cadillac >> 2016 >> XTS Base >> Repair and Diagnosis >> Engine Performance >> System >> Data Communication System >> Schematic Wiring Diagrams >> Data Communication Wiring Schematics >> MOST 50 Bus

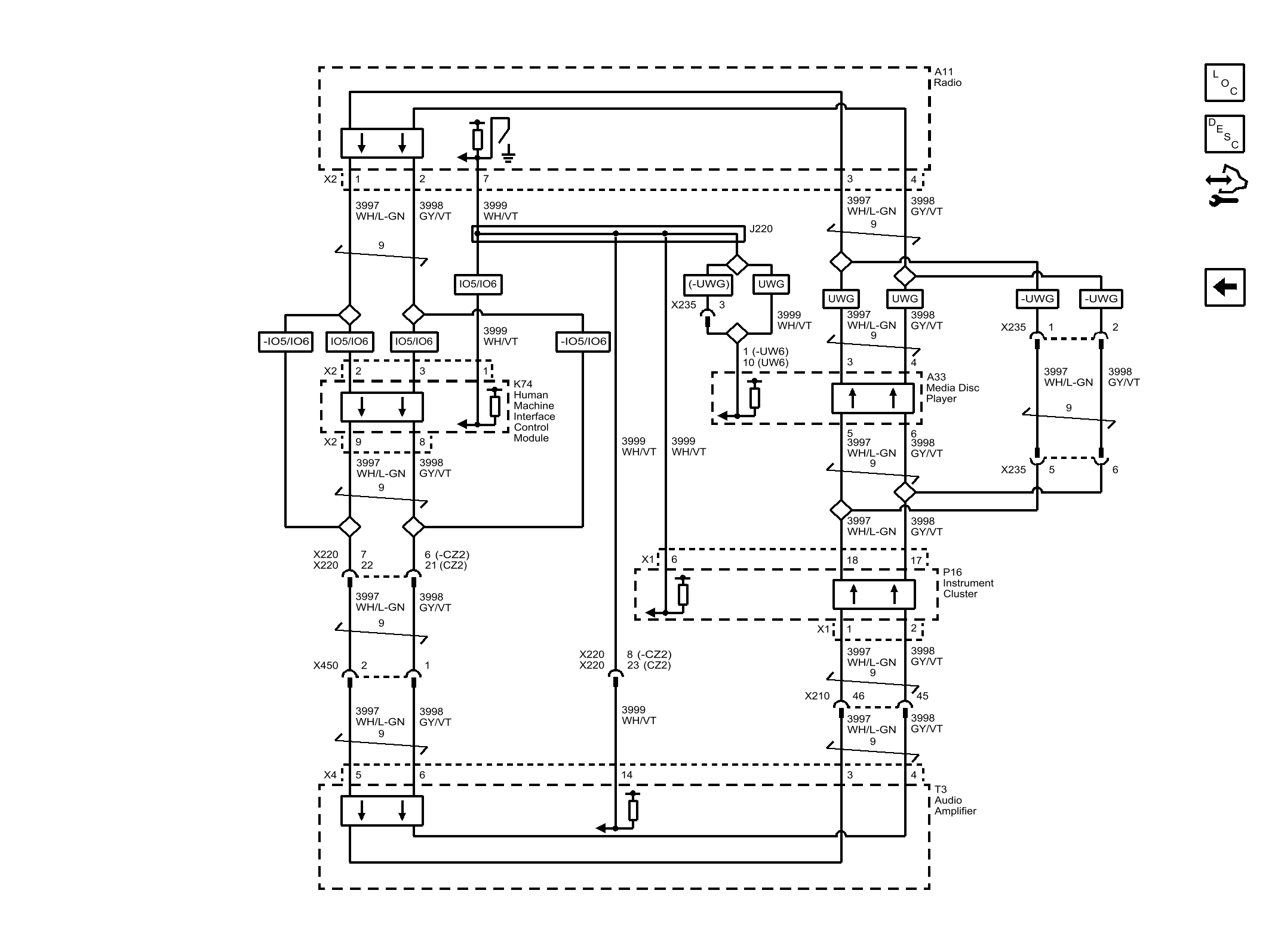
MOST 50 Bus

Fig 1: MOST 50 Bus
GM4143321Courtesy of GENERAL MOTORS COMPANY