lemon-mirror:
Home >> Cadillac >> 2016 >> XTS Base >> Repair and Diagnosis >> Engine Performance >> System >> Data Communication System >> Schematic Wiring Diagrams >> Data Communication Wiring Schematics >> Object Bus

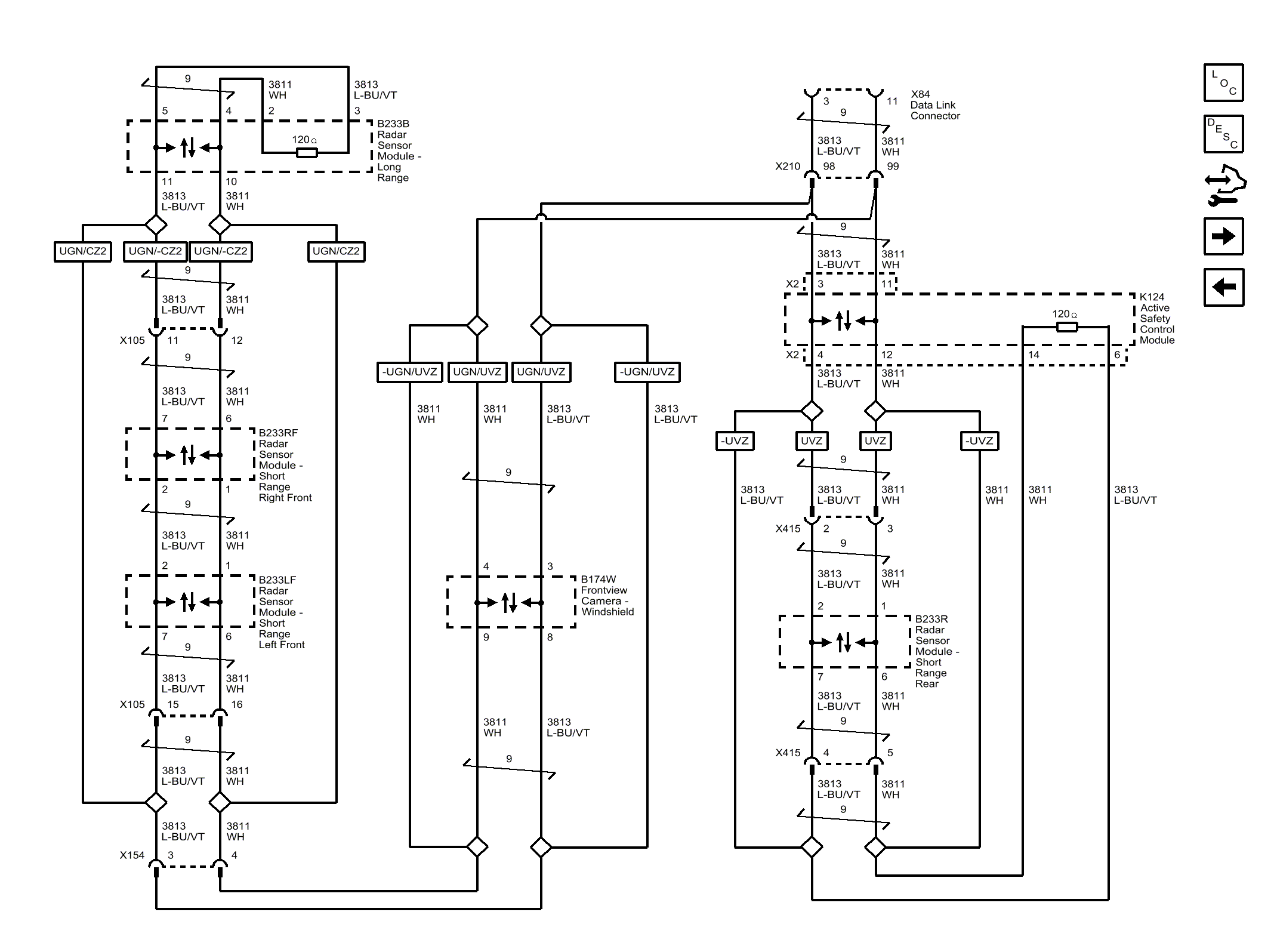
Object Bus

Fig 1: Object Bus
GM4143318Courtesy of GENERAL MOTORS COMPANY