lemon-mirror:
Home >> Cadillac >> 2020 >> Escalade Base, RWD >> Repair and Diagnosis >> Suspension >> Electronic Suspension >> Automatic Level Control System >> Schematic Wiring Diagrams >> Automatic Level Control Wiring Schematics >> Automatic Level Control (Z95)

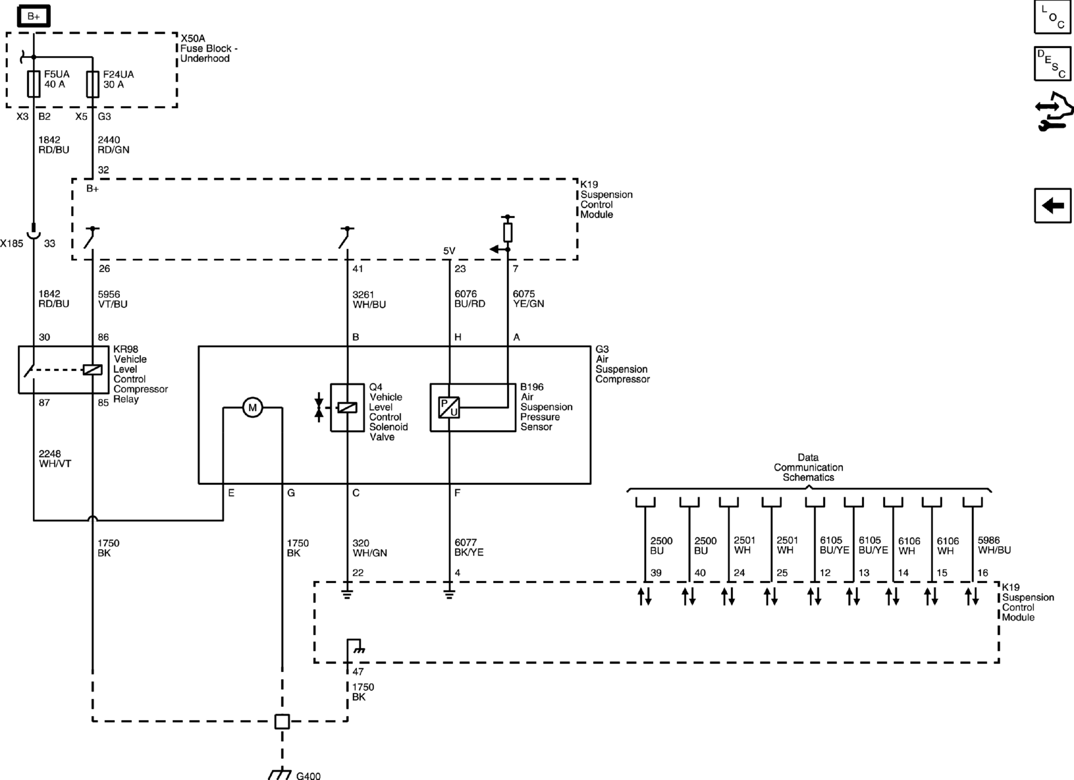
Automatic Level Control (Z95)

GM5181637Courtesy of GENERAL MOTORS COMPANY