lemon-mirror:
Home >> Chevrolet >> 1979 >> Luv RWD, Standard Trans >> Repair and Diagnosis >> Engine Performance >> Engine Control Systems >> Air Injection System >> Operation >> By-Pass Valve >> Federal Models

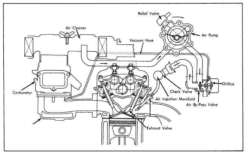
Federal Models

Located between air pump and injection manifold, by-pass valve controls secondary air flow. Purpose of by-pass valve is to prevent afterburning during deceleration. This is accomplished by cutting secondary air flow to exhaust system when high intake manifold vacuum level is sensed at by-pass valve. Secondary air is dumped to atmosphere. This prevents additional burning of rich fuel mixture caused when throttle blades close initially upon deceleration.

Fig 1: Air Infection System (Federal Models)
G09313284Courtesy of GENERAL MOTORS COMPANY
Fig 2: Sectional View Of By-Pass Valve
G09313285Courtesy of GENERAL MOTORS COMPANY