lemon-mirror:
Home >> Chevrolet >> 1985 >> Corvette Automatic >> Repair and Diagnosis >> Electrical >> Component Locations >> Electrical Component Locator >> Component Location Graphics

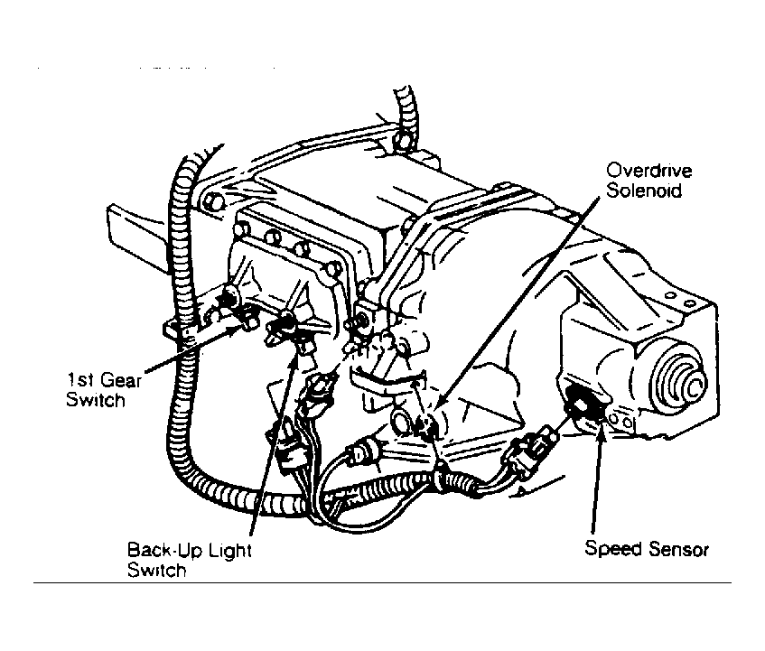
Component Location Graphics

NOTE: Figures may show multiple component locations. Refer to appropriate table for proper figure references.
Fig 1: Component Locations (1 Of 11)
G20384
Fig 2: Component Locations (2 Of 11)
G50D16405
Fig 3: Component Locations (3 Of 11)
G19873
Fig 4: Component Locations (4 Of 11)
G19870
Fig 5: Component Locations (5 Of 11)
G20378
Fig 6: Component Locations (6 Of 11)
G20381
Fig 7: Component Locations (7 Of 11)
G19877
Fig 8: Component Locations (8 Of 11)
G50A07983
Fig 9: Component Locations (9 Of 11)
G20383
Fig 10: Component Locations (10 Of 11)
G20385
Fig 11: Component Locations (11 Of 11)
G20388