lemon-mirror:
Home >> Chevrolet >> 1989 >> Cavalier VL, Automatic >> Repair and Diagnosis >> Electrical >> Component Locations >> Electrical Component Locator >> Circuit Protection Devices

Circuit Protection Devices

CIRCUIT PROTECTION DEVICES LOCATION

Component Location
Circuit Breakers
Power Accessories On fuse block.
Power Windows On fuse block.
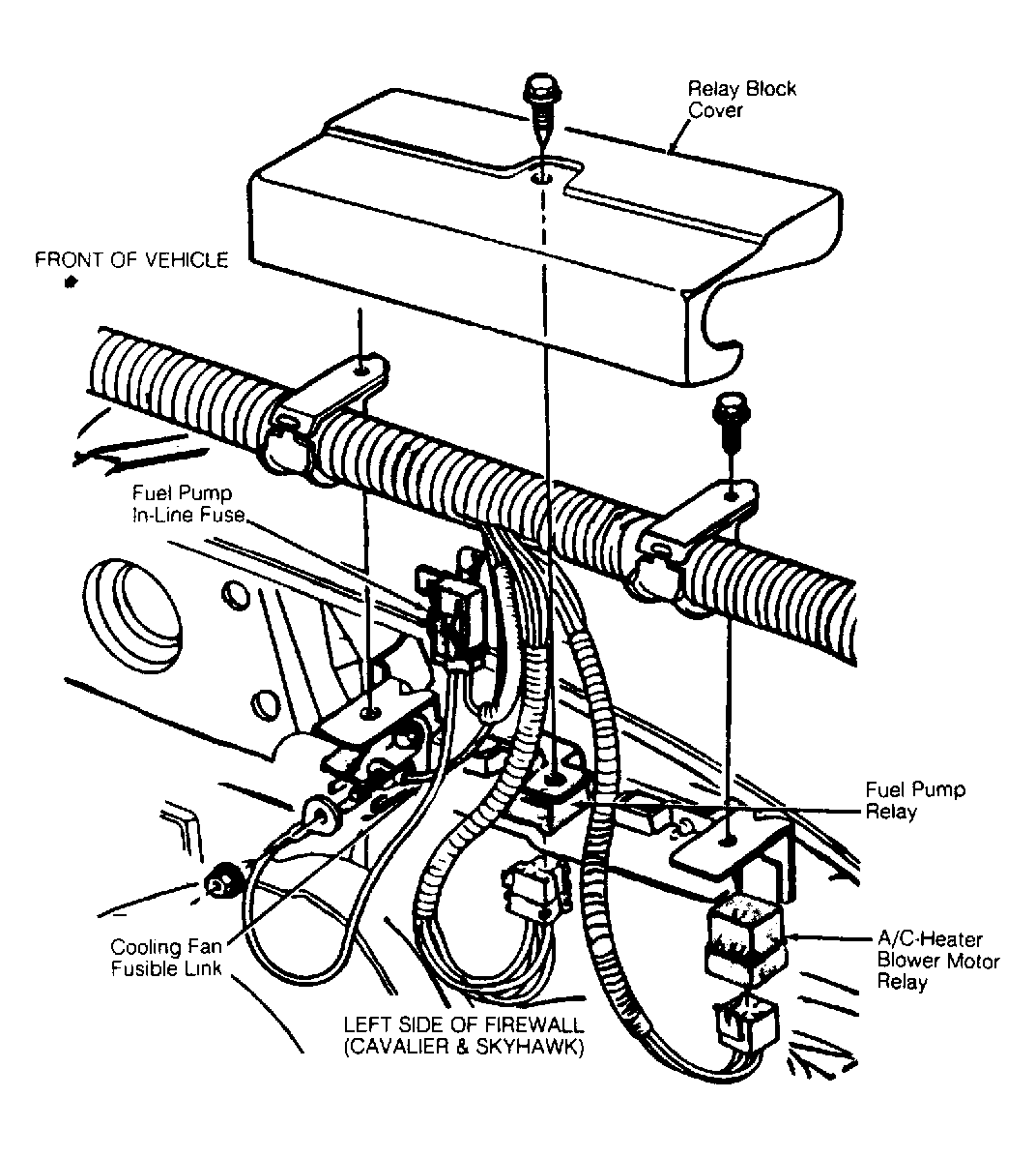
Fuel Pump In-Line Fuse On left side of firewall, under protective cover. See Figure .
Fuse Block
2.0L TBI-OHC Behind lower left side of dash. See Figure .
2.0L Turbo Behind lower left side of dash. See Figure .
2.8L PFI Behind lower left side of dash. See Figure .
2.0L TBI-OHV Behind lower left side of dash. See Figure .
Fusible Links
Charging System (Gray) Near starter solenoid.
Charging System (Rust) Near starter solenoid.
Cooling Fan (Gray) Between battery junction block and cooling fan relay. See Figure .
ECM (Gray) In left front of engine compartment, behind battery.
Headlight Door Module (Gray) In headlight door module harness before connector.
Headlight Switch (Rust) Near starter solenoid.