lemon-mirror:
Home >> Chevrolet >> 1991 >> APV >> Repair and Diagnosis >> Electrical >> Starter >> Starting System >> Overhaul

Starting System: Overhaul

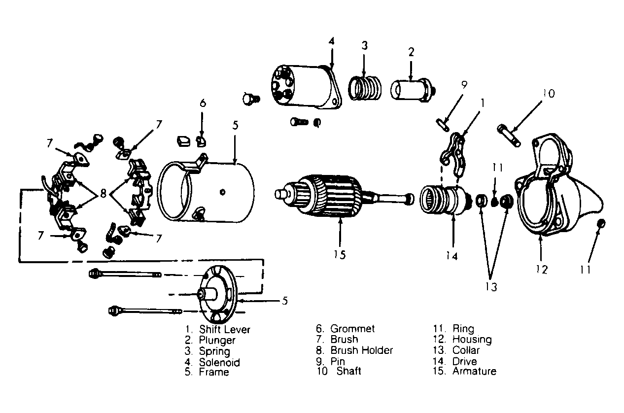
NOTE: Overhaul procedures are not available from manufacturer. See Fig 1-Fig 3 for exploded views of starters. The 28MT starter is not serviceable.
Fig 1: Exploded View of Starter Assembly (SD-210 & SD-260)
G91D13519Courtesy of GENERAL MOTORS CORP.
Fig 2: Exploded View of Starter Assembly (SD-200)
G90I04790Courtesy of GENERAL MOTORS CORP.
Fig 3: Exploded View of Starter Assembly (SD-300)
G90A04791Courtesy of GENERAL MOTORS CORP.