lemon-mirror:
Home >> Chevrolet >> 1998 >> Forward Control P12 >> Repair and Diagnosis >> Suspension >> Rear Suspension >> Removal & Installation >> Spring Bushing >> Notes

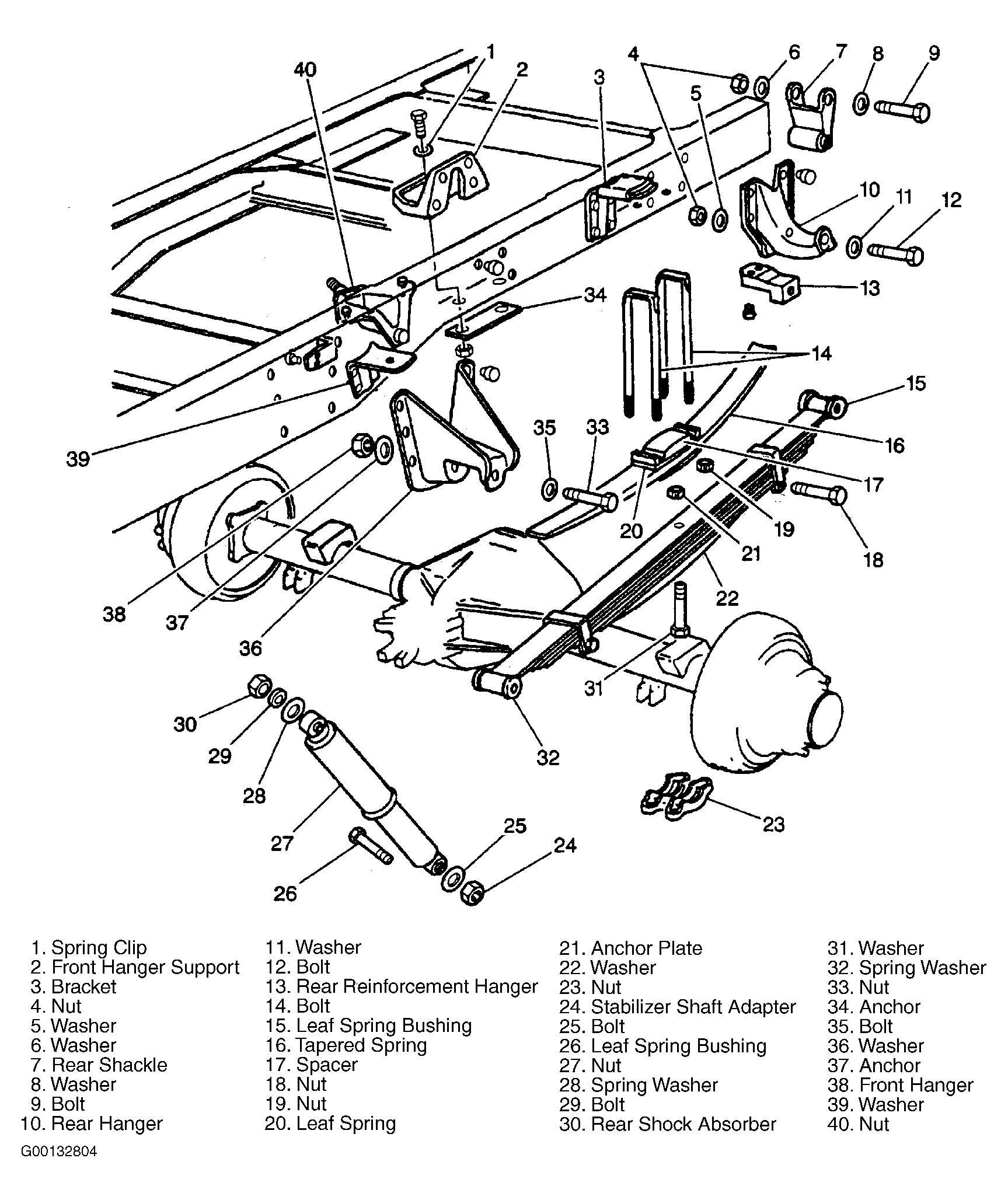
Spring Bushing: Notes

Refer to appropriate exploded view. See Figure and Figure .