lemon-mirror:
Home >> Chevrolet >> 2002 >> Prizm Base, Standard >> Repair and Diagnosis >> Brakes >> Traction Control >> Anti-Lock Brake System >> Repair Instructions >> Brake Modulator Assembly Replacement >> Installation Procedure

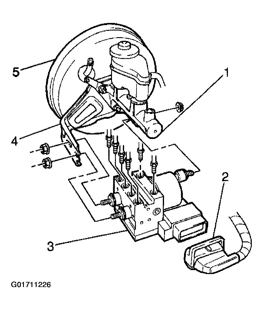
Installation Procedure

NOTE: Use the correct fastener in the correct location. Replacement fasteners must be the correct part number for that application. Fasteners requiring replacement or fasteners requiring the use of thread locking compound or sealant are identified in the service procedure. Do not use paints, lubricants, or corrosion inhibitors on fasteners or fastener joint surfaces unless specified. These coatings affect fastener torque and joint clamping force and may damage the fastener. Use the correct tightening sequence and specifications when installing fasteners in order to avoid damage to parts and systems.
  1. Install the brake modulator assembly (3) to the bracket (4). Secure with 3 nuts.

    Tighten 

    Tighten the brake modulator assembly nuts to 21 N.m (15 ft lbs).

  2. Remove the plugs from brake pipes and connect the brake pipes to the brake modulator assembly (3).

    Tighten 

    Tighten the brake pipe fittings nuts to 15 N.m (11 in lbs).

  3. Connect the EBCM electrical connector (2).
  4. Install the air cleaner assembly.
  5. Bleed the brake system. Refer to ABS Automated Bleed Procedure .
  6. Perform Diagnostic System Check - ABS (Figure).
    Fig 1: Installing Brake Modulator Assembly
    G01711226Courtesy of GENERAL MOTORS CORP.