lemon-mirror:
Home >> Chevrolet >> 2002 >> Prizm Base, Standard >> Repair and Diagnosis >> Brakes >> Traction Control >> Anti-Lock Brake System >> Repair Instructions >> Brake Modulator Assembly Replacement >> Removal Procedure

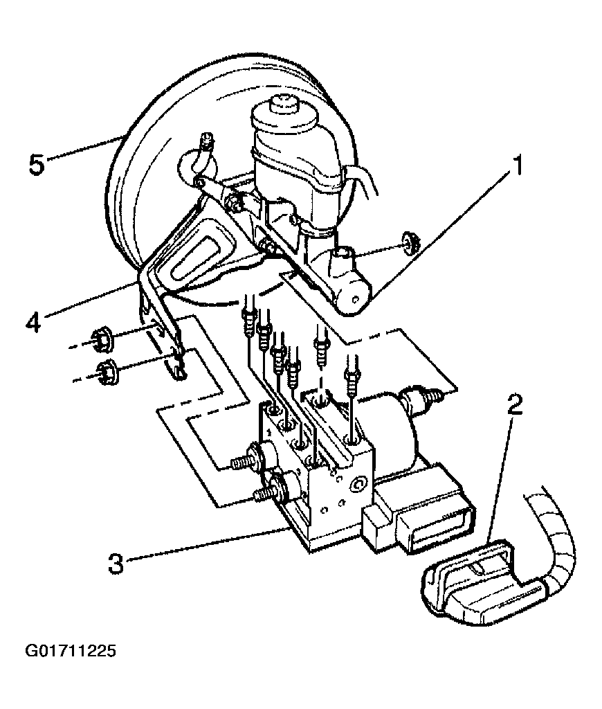
Removal Procedure

  1. Remove the air cleaner assembly.
  2. Disconnect the EBCM harness connector (2).
  3. Remove the 6 brake pipes from the brake modulator assembly (3).
  4. Plug the brake pipes in order to prevent loss or contamination of brake fluid.
  5. Remove 3 nuts and the brake pressure modulator assembly (3) from the bracket (4).
    Fig 1: Removing Brake Modulator Assembly
    G01711225Courtesy of GENERAL MOTORS CORP.