lemon-mirror:
Home >> Chevrolet >> 2002 >> Prizm Base, Standard >> Repair and Diagnosis >> Electrical >> Starter >> Starting System >> Overhaul

Starting System: Overhaul

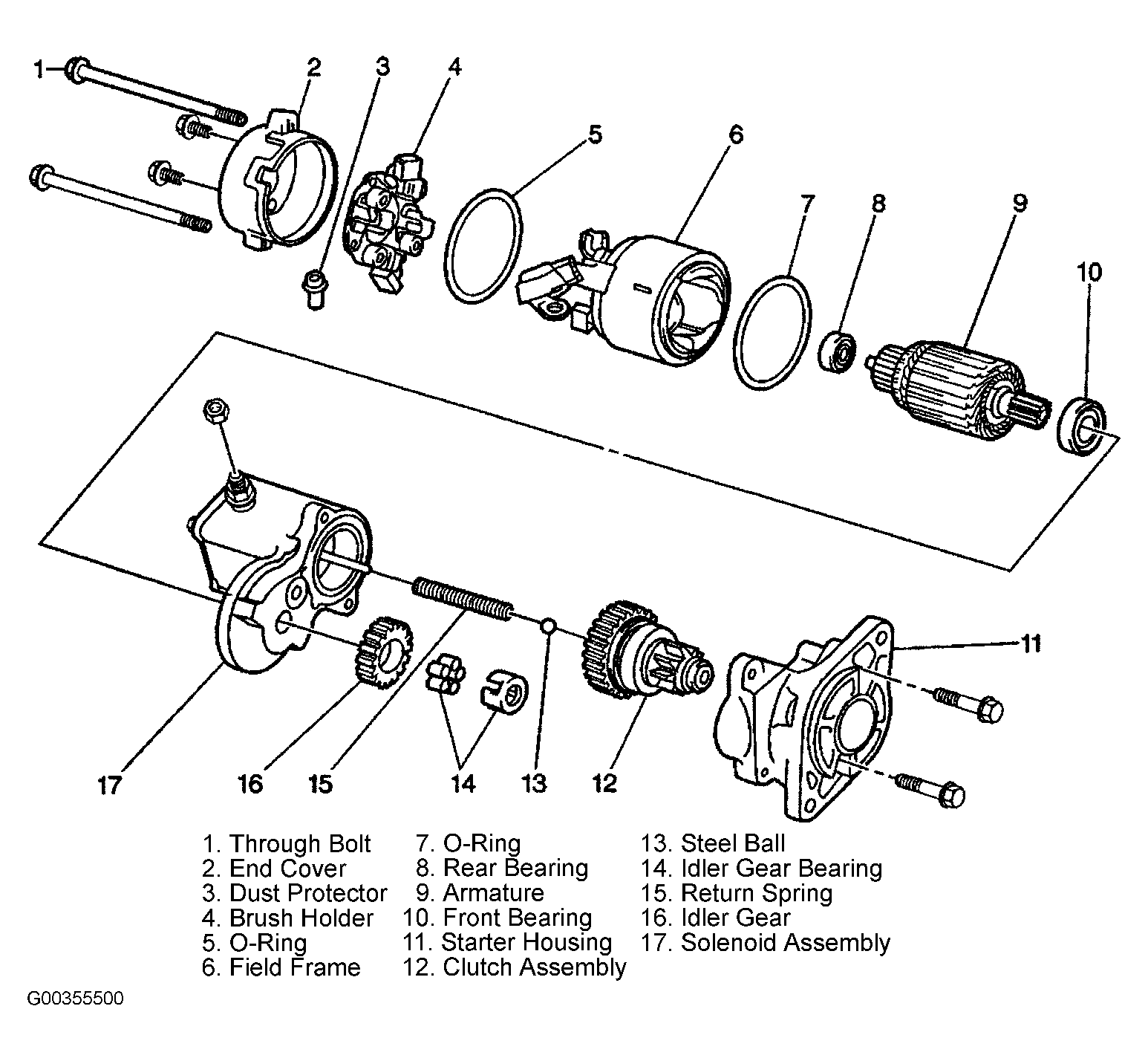
NOTE: To overhaul starter, see Fig 1 . To overhaul starter solenoid, see Fig 2 .
Fig 1: Exploded View Of Starter
G00355500Courtesy of GENERAL MOTORS CORP.
Fig 2: Exploded View Of Starter Solenoid
G00355501Courtesy of GENERAL MOTORS CORP.