lemon-mirror:
Home >> Chevrolet >> 2003 >> Chevy Express H2500 >> Repair and Diagnosis >> Electrical >> Charging Systems >> Removal & Installation >> Generator >> Installation

Removal & Installation: Generator: Installation

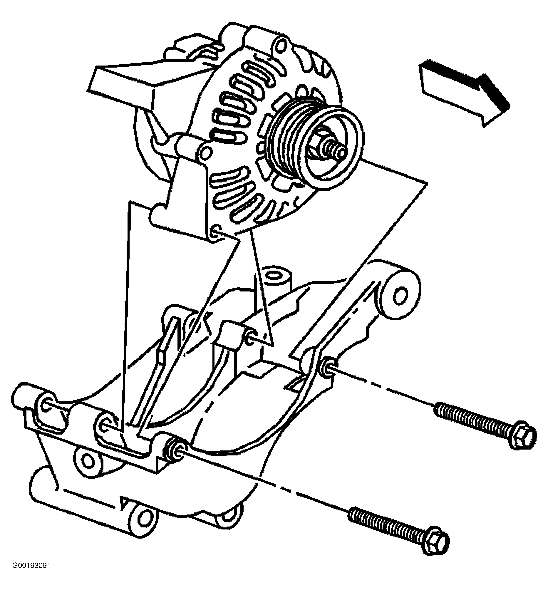
Connect electrical connectors. Tighten output terminal nut to specification. See TORQUE SPECIFICATIONS . Install generator and mounting bolts. Tighten front and rear bolts to specification. See Fig 1. Install oil fill tube support bracket, bolt and stud to generator. Tighten bolt and stud to specification. Install oil fill tube and screw to support bracket. Tighten screw to specification. Install heater hose pipe. Install drive belt. Install upper fan shroud, air cleaner assembly, and coolant reservoir. Connect negative battery cable.

Fig 1: Removing/Installing Generator (4.3L)
G00193091Courtesy of GENERAL MOTORS CORP.