lemon-mirror:
Home >> Chevrolet >> 2003 >> SSR Base >> Repair and Diagnosis >> Body & Frame >> Door Locks >> Keyless Entry System >> Schematic and Routing Diagrams >> Keyless Entry Schematics

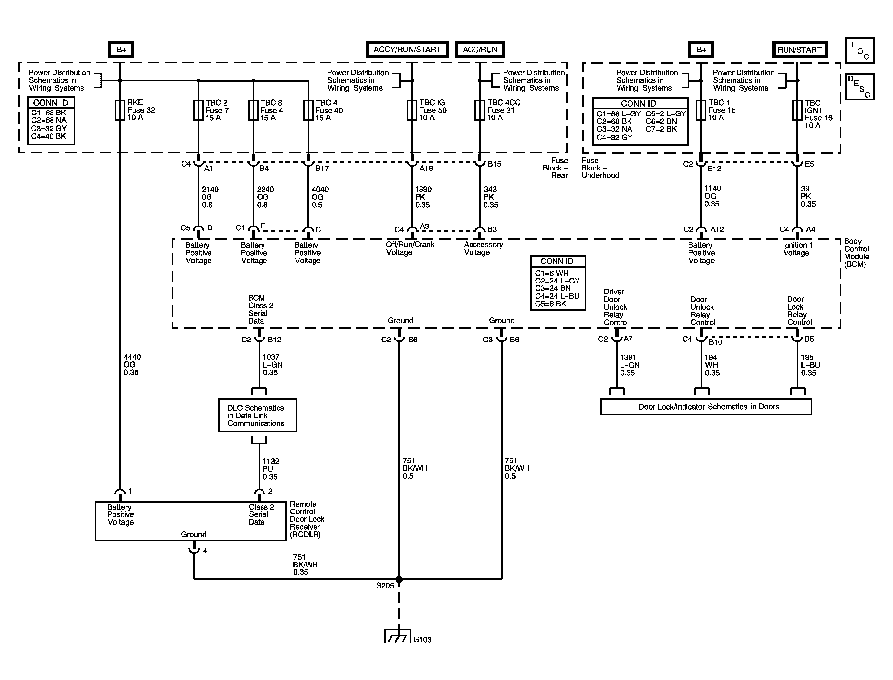
Keyless Entry Schematics

Fig 1: Keyless Entry Schematics
GM1226840Courtesy of GENERAL MOTORS CORP.