lemon-mirror:
Home >> Chevrolet >> 2003 >> SSR Base >> Repair and Diagnosis >> Engine Performance >> System >> Engine Control System - 5.3L - Introduction >> Schematic and Routing Diagrams >> Engine Controls Schematics

Engine Controls Schematics

Fig 1: Power, Ground, Serial Data & MIL
GM1198128Courtesy of GENERAL MOTORS CORP.
Fig 2: Engine Data Sensors - 5 Volt and Low Reference
GM1198130Courtesy of GENERAL MOTORS CORP.
Fig 3: Engine Data Sensors Schematic (Pressure, Temperature & VSS)
GM1198131Courtesy of GENERAL MOTORS CORP.
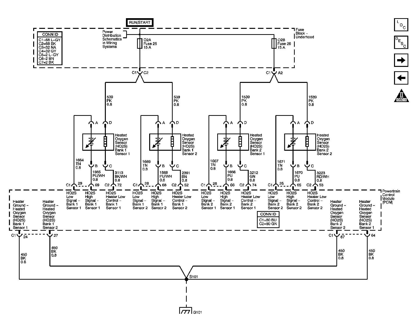
Fig 4: Engine Data Sensors Schematic (Oxygen Sensors)
GM1198132Courtesy of GENERAL MOTORS CORP.
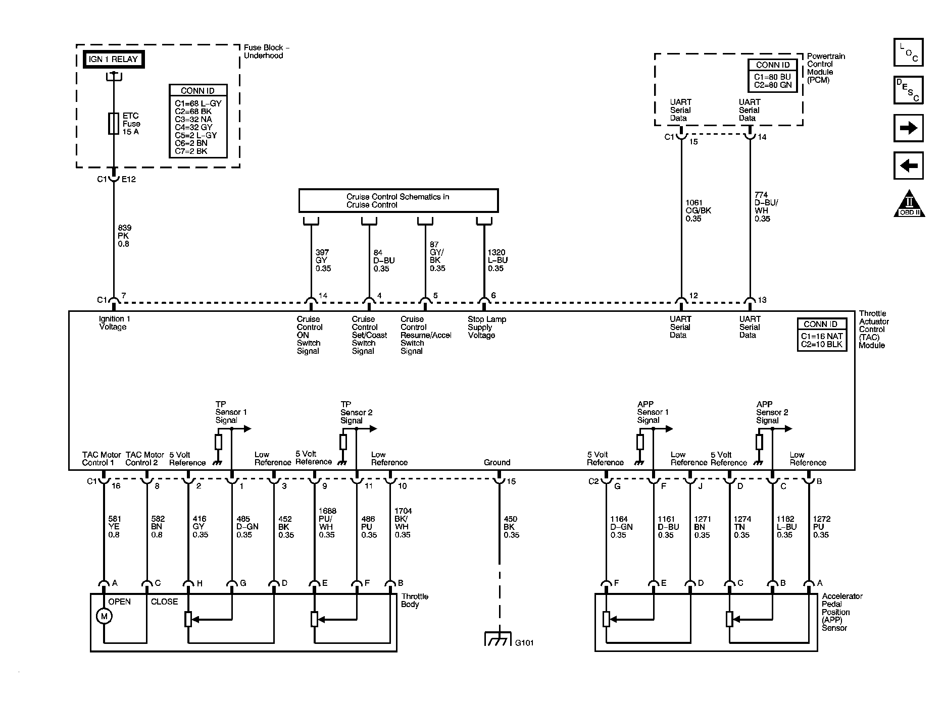
Fig 5: Engine Data Sensors Schematic (Throttle Actuator Controls)
GM1198133Courtesy of GENERAL MOTORS CORP.
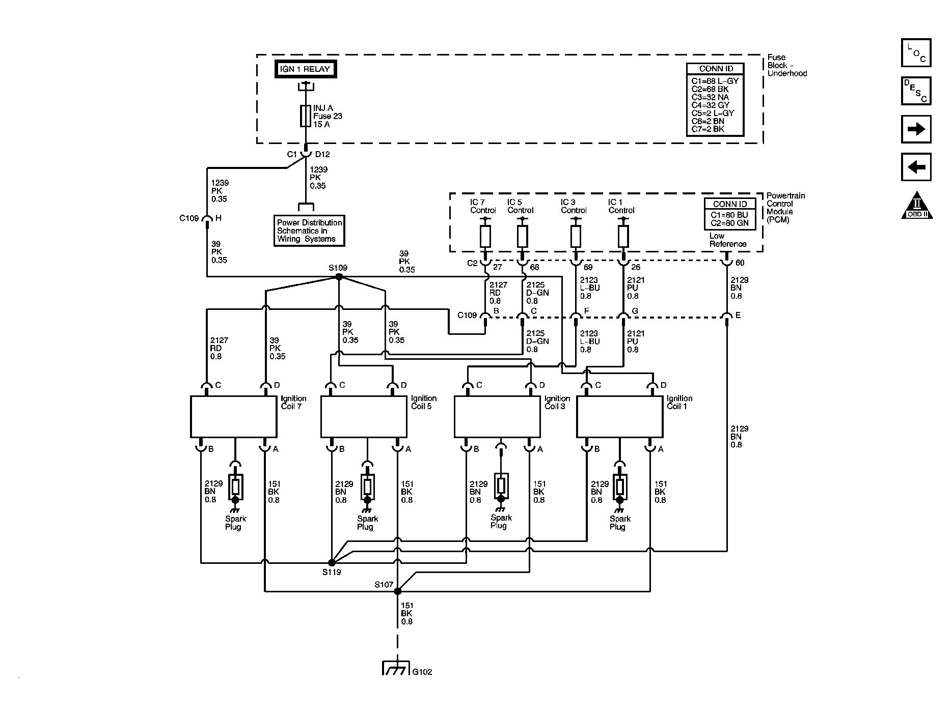
Fig 6: Engine Data Sensors Schematic (Ignition Controls - Ignition System Coils 1, 3, 5 & 7)
GM1198134Courtesy of GENERAL MOTORS CORP.
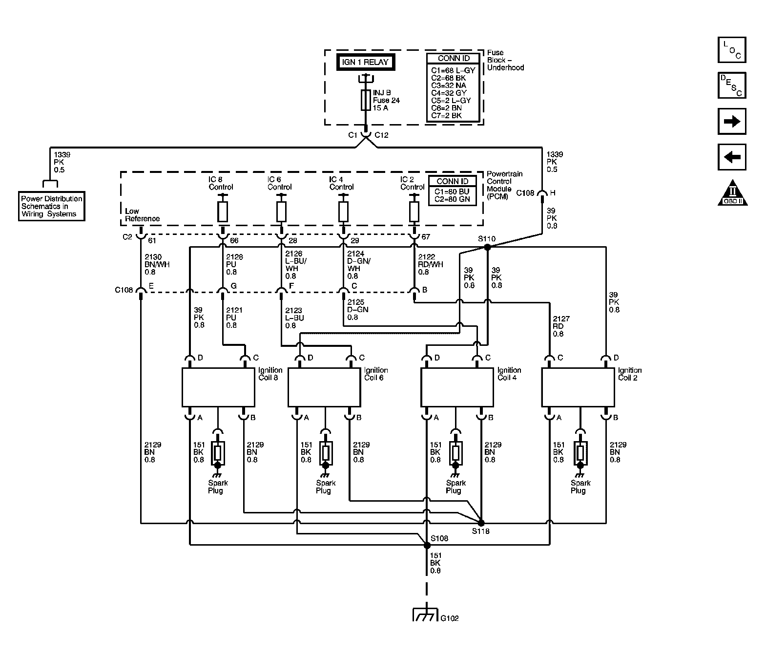
Fig 7: Engine Data Sensors Schematic (Ignition Controls - Ignition System Coils 2, 4, 6 & 8)
GM1198135Courtesy of GENERAL MOTORS CORP.
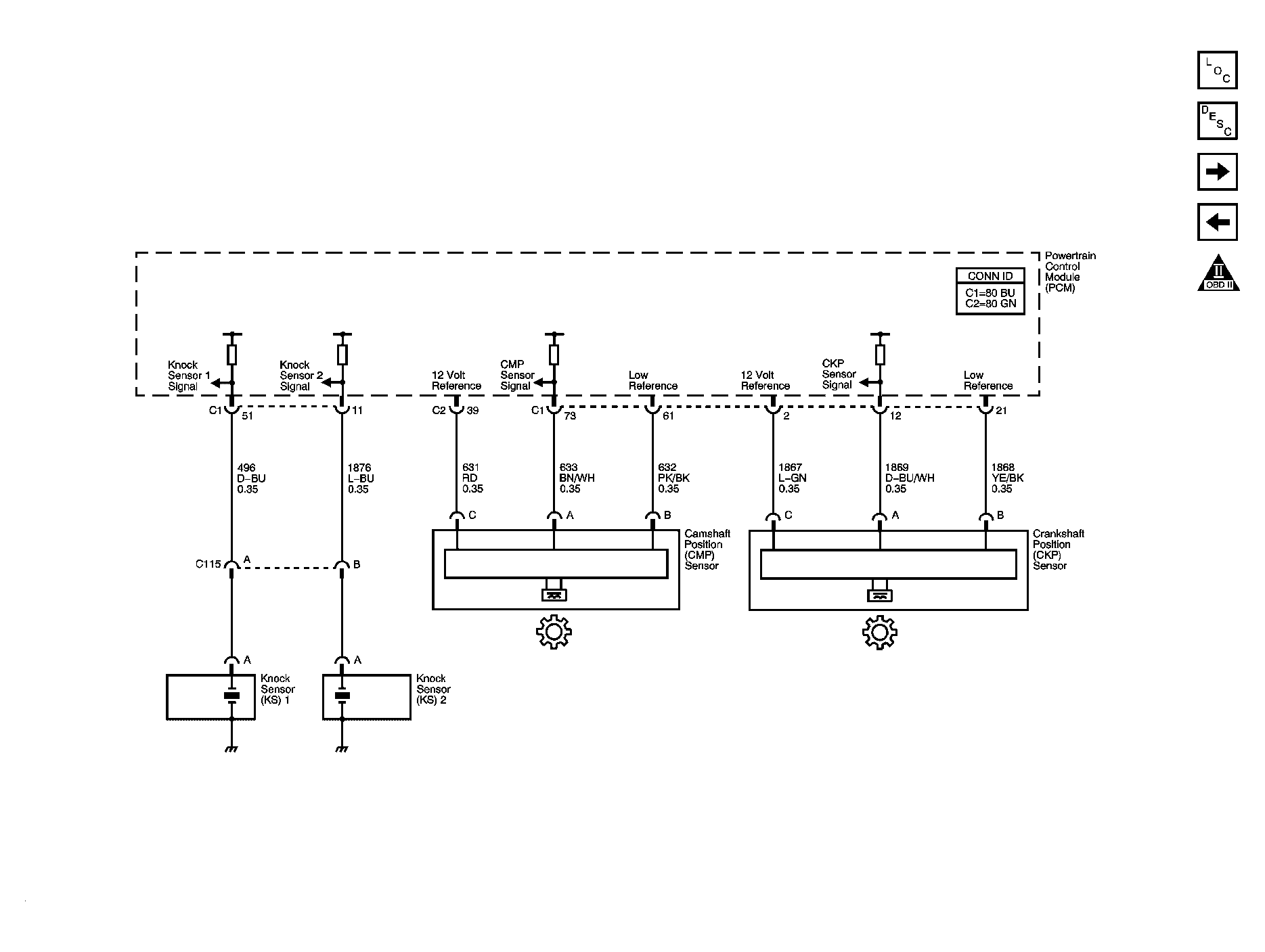
Fig 8: Engine Data Sensors Schematic (Ignition Controls - Sensors)
GM1198139Courtesy of GENERAL MOTORS CORP.
Fig 9: Fuel Controls Schematic (Fuel Pump Controls & Fuel Injectors)
GM1198140Courtesy of GENERAL MOTORS CORP.
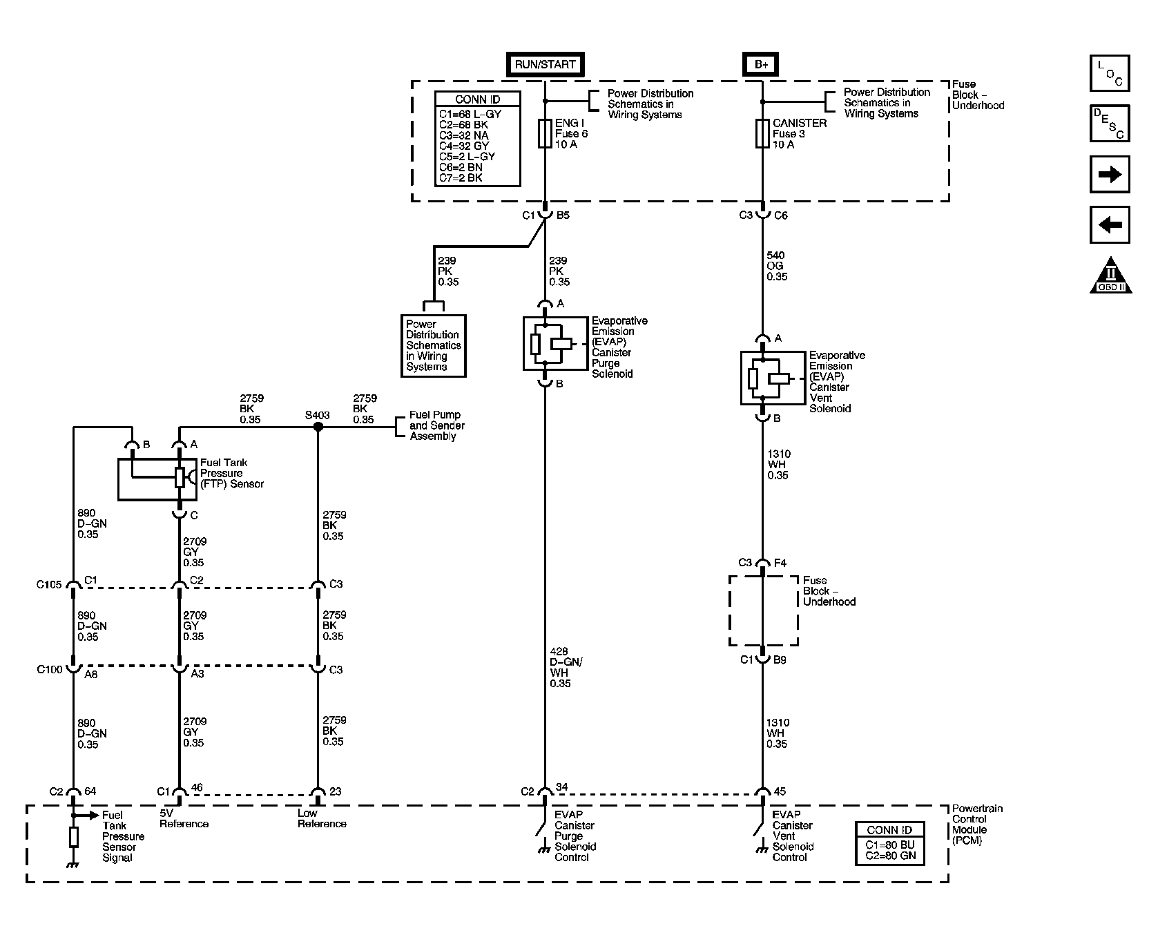
Fig 10: Fuel Controls Schematic (EVAP Controls)
GM1198143Courtesy of GENERAL MOTORS CORP.
Fig 11: Controlled/Monitored Subsystem References Schematic
GM1198145Courtesy of GENERAL MOTORS CORP.
Fig 12: Transmission Control Reference - A/T Schematic
GM1198147Courtesy of GENERAL MOTORS CORP.