lemon-mirror:
Home >> Chevrolet >> 2003 >> SSR Base >> Repair and Diagnosis >> Transmission >> Automatic Trans >> Shift Interlock System >> Schematic and Routing Diagrams >> Automatic Transmission Shift Lock Control Schematics

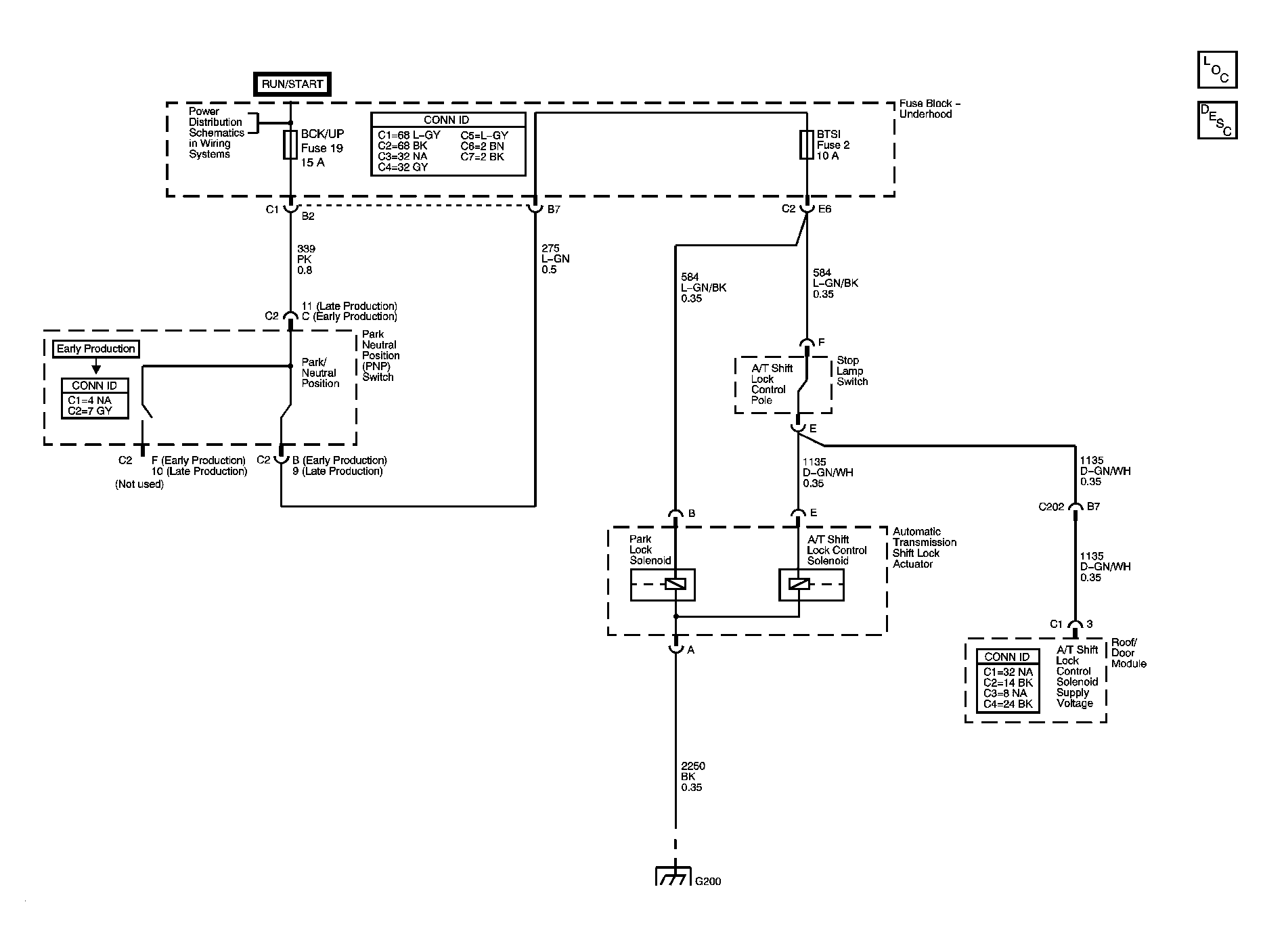
Automatic Transmission Shift Lock Control Schematics

Fig 1: Automatic Transmission Shift Lock Control Schematics
GM1198529Courtesy of GENERAL MOTORS CORP.