lemon-mirror:
Home >> Chevrolet >> 2004 >> Classic >> Repair and Diagnosis >> Electrical >> Component Locations >> Electrical Component Locator >> Component Location Graphics

Component Location Graphics

NOTE: Figures may show multiple component locations. Refer to appropriate table for proper figure references.
Fig 1: Underhood Fuse Block
G00267290Courtesy of GENERAL MOTORS CORP.
Fig 2: Left I/P Fuse Block
G00267291Courtesy of GENERAL MOTORS CORP.
Fig 3: Right I/P Fuse Block
G00267292Courtesy of GENERAL MOTORS CORP.
Fig 4: Right Front Of Passenger Compartment
G00267293Courtesy of GENERAL MOTORS CORP.
Fig 5: Right Side Of Dash
G00267294Courtesy of GENERAL MOTORS CORP.
Fig 6: Left Side Of Dash
G00267295Courtesy of GENERAL MOTORS CORP.
Fig 7: Lower Right Side Of Dash
G00267297Courtesy of GENERAL MOTORS CORP.
Fig 8: Lower Left Front Of Engine
G00267298Courtesy of GENERAL MOTORS CORP.
Fig 9: Right Side Of Engine Compartment
G00267299Courtesy of GENERAL MOTORS CORP.
Fig 10: Anti-Lock Brakes System Overview
G00267300Courtesy of GENERAL MOTORS CORP.
Fig 11: Brake Fluid Level Switch
G00267301Courtesy of GENERAL MOTORS CORP.
Fig 12: Under Left End Of Dash
G00267302Courtesy of GENERAL MOTORS CORP.
Fig 13: Front Of Engine Compartment
G00267303Courtesy of GENERAL MOTORS CORP.
Fig 14: Lower Front Of Engine
G00267305Courtesy of GENERAL MOTORS CORP.
Fig 15: Right Front Of Engine
G00267306Courtesy of GENERAL MOTORS CORP.
Fig 16: Left Front Of Engine
G00267307Courtesy of GENERAL MOTORS CORP.
Fig 17: Left Front Of Engine
G00267308Courtesy of GENERAL MOTORS CORP.
Fig 18: Left Side Of Dash
G00267309Courtesy of GENERAL MOTORS CORP.
Fig 19: Top Front Of Engine
G00267310Courtesy of GENERAL MOTORS CORP.
Fig 20: Fuel Pump & Sender Assembly
G00267311Courtesy of GENERAL MOTORS CORP.
Fig 21: Left Front Of Engine
G00267312Courtesy of GENERAL MOTORS CORP.
Fig 22: Catalytic Converter
G00267313Courtesy of GENERAL MOTORS CORP.
Fig 23: Rear Of Engine
G00267314Courtesy of GENERAL MOTORS CORP.
Fig 24: Under Center Console
G00267315Courtesy of GENERAL MOTORS CORP.
Fig 25: Automatic Transmission Overview
G00267316Courtesy of GENERAL MOTORS CORP.
Fig 26: Inflatable Restraint System Overview
G00267318Courtesy of GENERAL MOTORS CORP.
Fig 27: Right Side Of Engine Compartment
G00267321Courtesy of GENERAL MOTORS CORP.
Fig 28: Below Left Side Of Dash
G00267322Courtesy of GENERAL MOTORS CORP.
Fig 29: Left Front Door
G00267323Courtesy of GENERAL MOTORS CORP.
Fig 30: Right Front Door
G00267324Courtesy of GENERAL MOTORS CORP.
Fig 31: Right Rear Of Passenger Compartment
G00267325Courtesy of GENERAL MOTORS CORP.
Fig 32: Left Rear Door
G00267328Courtesy of GENERAL MOTORS CORP.
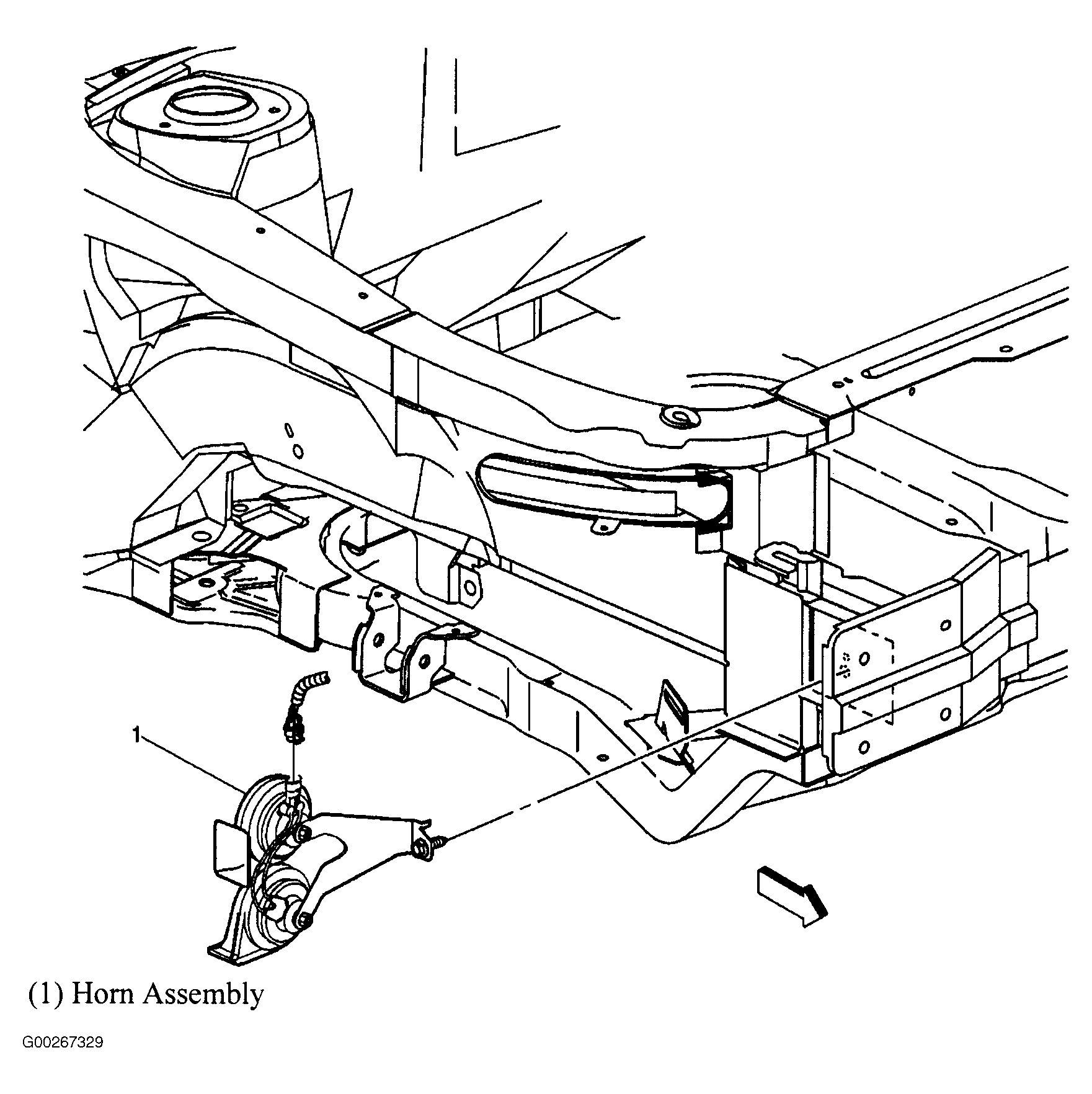
Fig 33: Right Front Wheelwell
G00267329Courtesy of GENERAL MOTORS CORP.
Fig 34: Top Front Of Engine Compartment
G00267331Courtesy of GENERAL MOTORS CORP.
Fig 35: Left Side Of Dash
G00267332Courtesy of GENERAL MOTORS CORP.
Fig 36: Under Center Console
G00267334Courtesy of GENERAL MOTORS CORP.
Fig 37: Sunroof
G00267336Courtesy of GENERAL MOTORS CORP.
Fig 38: Under Left Front Seat
G00267337Courtesy of GENERAL MOTORS CORP.
Fig 39: Left Rear Of Passenger Compartment
G00267338Courtesy of GENERAL MOTORS CORP.
Fig 40: Left Rear Of Engine Compartment
G00267339Courtesy of GENERAL MOTORS CORP.
Fig 41: Right Side Of Engine Compartment
G00267340Courtesy of GENERAL MOTORS CORP.
Fig 42: Left Side Of Dash
G00267341Courtesy of GENERAL MOTORS CORP.
Fig 43: Rear Compartment Lid
G00267342Courtesy of GENERAL MOTORS CORP.
Fig 44: Left Side Of Engine Compartment
G00267344Courtesy of GENERAL MOTORS CORP.
Fig 45: Left Side Of Engine Compartment
G00267345Courtesy of GENERAL MOTORS CORP.
Fig 46: Front Of Engine
G00267346Courtesy of GENERAL MOTORS CORP.
Fig 47: Right Rear Of Passenger Compartment
G00267347Courtesy of GENERAL MOTORS CORP.
Fig 48: Headliner
G00267348Courtesy of GENERAL MOTORS CORP.
Fig 49: Left Front Of Passenger Compartment
G00267349Courtesy of GENERAL MOTORS CORP.
Fig 50: Left Rear Of Passenger Compartment
G00267350Courtesy of GENERAL MOTORS CORP.
Fig 51: Right Front Of Passenger Compartment
G00267351Courtesy of GENERAL MOTORS CORP.
Fig 52: Left Side Of Dash
G00267353Courtesy of GENERAL MOTORS CORP.
Fig 53: Left Side Of Engine Compartment
G00267354Courtesy of GENERAL MOTORS CORP.
Fig 54: Left Side Of Engine Compartment
G00267355Courtesy of GENERAL MOTORS CORP.
Fig 55: Lower Left Side Of Dash
G00267356Courtesy of GENERAL MOTORS CORP.