lemon-mirror:
Home >> Chevrolet >> 2004 >> Impala Police >> Repair and Diagnosis (Single Page) >> General Information >> Identification >> General Information >> Introduction >> Key and Lock Cylinder Coding >> Cutting Keys >> Notes

Cutting Keys: Notes

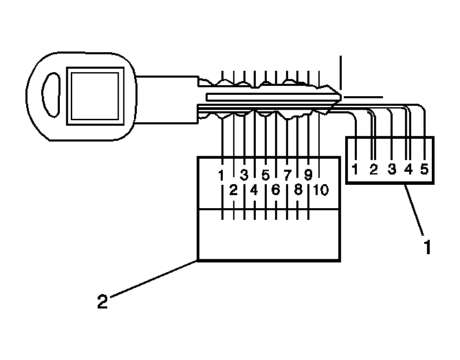
After the mechanical key code has been determined from the code list , perform the following steps:

  1. Cut a blank key to the proper level (1) of each of the tumbler positions (2).
  2. Remove any rough edges from the key using a wire brush or wire wheel.
  3. Inspect the key operation in the lock cylinder.
  4. Fig 1: Key Cutting
    GM793170Courtesy of GENERAL MOTORS CORP.