lemon-mirror:
Home >> Chevrolet >> 2004 >> SSR >> Repair and Diagnosis >> Quick Lookups >> Electrical Component Locations >> Electrical Component Locator >> Component Location Graphics

Component Location Graphics

NOTE: Figures may show multiple component locations. Refer to appropriate table for proper figure references.
Fig 1: Underhood Fuse Block
G00267370Courtesy of GENERAL MOTORS CORP.
Fig 2: Rear Fuse Block
G00267372Courtesy of GENERAL MOTORS CORP.
Fig 3: Engine Compartment
G00267373Courtesy of GENERAL MOTORS CORP.
Fig 4: Engine Grounds
G00267374Courtesy of GENERAL MOTORS CORP.
Fig 5: Engine Compartment
G00267375Courtesy of GENERAL MOTORS CORP.
Fig 6: Chassis Harness Routing (1 Of 2)
G00267378Courtesy of GENERAL MOTORS CORP.
Fig 7: Chassis Harness Routing (2 Of 2)
G00267376Courtesy of GENERAL MOTORS CORP.
Fig 8: Header Harness Routing
G00267379Courtesy of GENERAL MOTORS CORP.
Fig 9: Driver Door
G00267380Courtesy of GENERAL MOTORS CORP.
Fig 10: Passenger Door
G00267381Courtesy of GENERAL MOTORS CORP.
Fig 11: Rear Harness
G00267382Courtesy of GENERAL MOTORS CORP.
Fig 12: Front Engine Compartment Harness
G00267383Courtesy of GENERAL MOTORS CORP.
Fig 13: Dash Harness (1 Of 2)
G00267384Courtesy of GENERAL MOTORS CORP.
Fig 14: Dash Harness (2 Of 2)
G00267385Courtesy of GENERAL MOTORS CORP.
Fig 15: Passenger Compartment (1 Of 2)
G00267386Courtesy of GENERAL MOTORS CORP.
Fig 16: Passenger Compartment (2 Of 2)
G00267387Courtesy of GENERAL MOTORS CORP.
Fig 17: Driver Seat (Up-Level)
G00267389Courtesy of GENERAL MOTORS CORP.
Fig 18: Driver Seat (Up-Level)
G00267390Courtesy of GENERAL MOTORS CORP.
Fig 19: Passenger Seat
G00267391Courtesy of GENERAL MOTORS CORP.
Fig 20: Passenger Seat
G00267392Courtesy of GENERAL MOTORS CORP.
Fig 21: Steering Column
G00267393Courtesy of GENERAL MOTORS CORP.
Fig 22: Forward Lamp Harness
G00267394Courtesy of GENERAL MOTORS CORP.
Fig 23: Engine Harness
G00267395Courtesy of GENERAL MOTORS CORP.
Fig 24: Engine Harness
G00267396Courtesy of GENERAL MOTORS CORP.
Fig 25: Passenger Compartment (1 Of 2)
G00267397Courtesy of GENERAL MOTORS CORP.
Fig 26: Passenger Compartment (2 Of 2)
G00267398Courtesy of GENERAL MOTORS CORP.
Fig 27: Front Harness
G00267399Courtesy of GENERAL MOTORS CORP.
Fig 28: Chassis Grounds
G00267402Courtesy of GENERAL MOTORS CORP.
Fig 29: A/C System (Under Dash)
G00267403Courtesy of GENERAL MOTORS CORP.
Fig 30: A/C System (Engine)
G00267404Courtesy of GENERAL MOTORS CORP.
Fig 31: A/C System (Under Dash)
G00267405Courtesy of GENERAL MOTORS CORP.
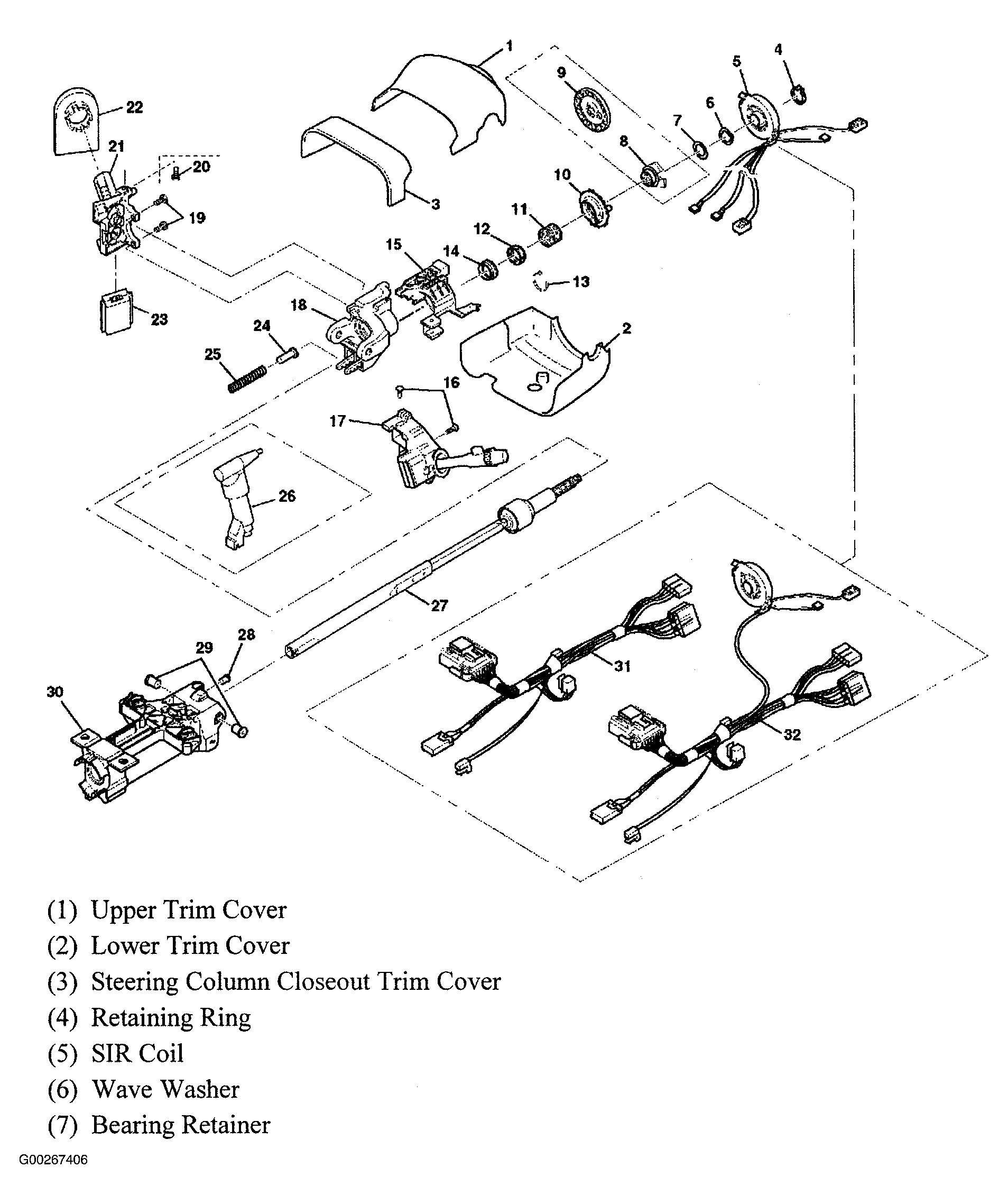
Fig 32: Steering Column (1 Of 2)
G00267406Courtesy of GENERAL MOTORS CORP.
Fig 33: Steering Column (2 Of 2)
G00267407Courtesy of GENERAL MOTORS CORP.
Fig 34: Center Console
G00267409Courtesy of GENERAL MOTORS CORP.
Fig 35: ABS System Overview
G00267410Courtesy of GENERAL MOTORS CORP.
Fig 36: Brake Fluid Level Switch
G00267411Courtesy of GENERAL MOTORS CORP.
Fig 37: Cooling System Overview
G00267412Courtesy of GENERAL MOTORS CORP.
Fig 38: Starter
G00267413Courtesy of GENERAL MOTORS CORP.
Fig 39: Top Of Engine
G00267414Courtesy of GENERAL MOTORS CORP.
Fig 40: Left Side Of Engine
G00267415Courtesy of GENERAL MOTORS CORP.
Fig 41: Right Side Of Engine
G00267416Courtesy of GENERAL MOTORS CORP.
Fig 42: Rear Of Engine
G00267417Courtesy of GENERAL MOTORS CORP.
Fig 43: Engine Overview
G00267418Courtesy of GENERAL MOTORS CORP.
Fig 44: Fuel System
G00267420Courtesy of GENERAL MOTORS CORP.
Fig 45: Exhaust System
G00267421Courtesy of GENERAL MOTORS CORP.
Fig 46: Knock Sensors
G00267422Courtesy of GENERAL MOTORS CORP.
Fig 47: Automatic Transmission Overview
G00267423Courtesy of GENERAL MOTORS CORP.
Fig 48: Automatic Transmission
G00267424Courtesy of GENERAL MOTORS CORP.
Fig 49: Automatic Transmission
G00267425Courtesy of GENERAL MOTORS CORP.
Fig 50: Inflatable Restraint System Overview
G00267428Courtesy of GENERAL MOTORS CORP.
Fig 51: Inflatable Restraint System Overview
G00267429Courtesy of GENERAL MOTORS CORP.
Fig 52: Anti-Theft System
G00267430Courtesy of GENERAL MOTORS CORP.
Fig 53: Right Side Of Dash & Rear Compartment Components
G00267431Courtesy of GENERAL MOTORS CORP.
Fig 54: Roof/Door Module & Rear Relay Block
G00267432Courtesy of GENERAL MOTORS CORP.
Fig 55: Lighting System
G00267433Courtesy of GENERAL MOTORS CORP.
Fig 56: Folding Top
G00267434Courtesy of GENERAL MOTORS CORP.
Fig 57: Folding Top Overview
G00267435Courtesy of GENERAL MOTORS CORP.
Fig 58: Main Lift Cylinder
G00267437Courtesy of GENERAL MOTORS CORP.
Fig 59: Stowage Lid Extension
G00267438Courtesy of GENERAL MOTORS CORP.
Fig 60: Wiper/Washer Overview
G00267440Courtesy of GENERAL MOTORS CORP.
Fig 61: Left Side Of Dash
G00267441Courtesy of GENERAL MOTORS CORP.
Fig 62: Inflatable Restraint Modules
G00267442Courtesy of GENERAL MOTORS CORP.