lemon-mirror:
Home >> Chevrolet >> 2005 >> Impala LS >> Repair and Diagnosis >> Body & Frame >> Door Locks >> Keyless Entry System >> Component Locator >> Keyless Entry Component Views

Keyless Entry Component Views

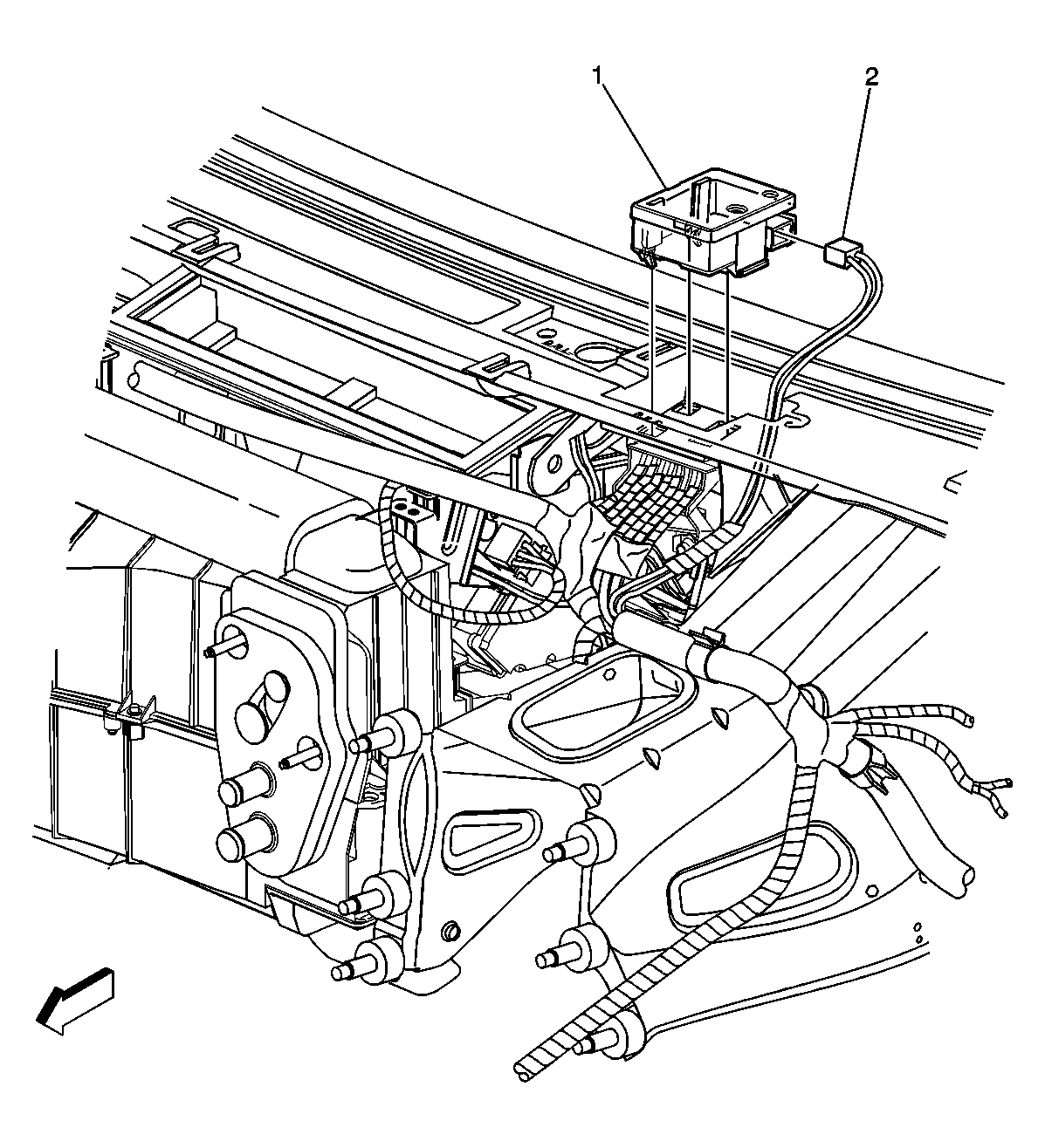
Fig 1: Remote Control Door Lock Receiver (RCDLR), Top Left Center of Instrument Panel
GM498359Courtesy of GENERAL MOTORS CORP.
Callout Component Name
1 Remote Control Door Lock Receiver (RCDLR)
2 Remote Control Door Lock Receiver (RCDLR) Connector