lemon-mirror:
Home >> Chevrolet >> 2005 >> Venture LS >> Repair and Diagnosis >> Transmission >> Automatic Trans >> Shift Interlock System >> Schematic And Routing Diagrams >> Automatic Transmission Shift Lock Control Schematics

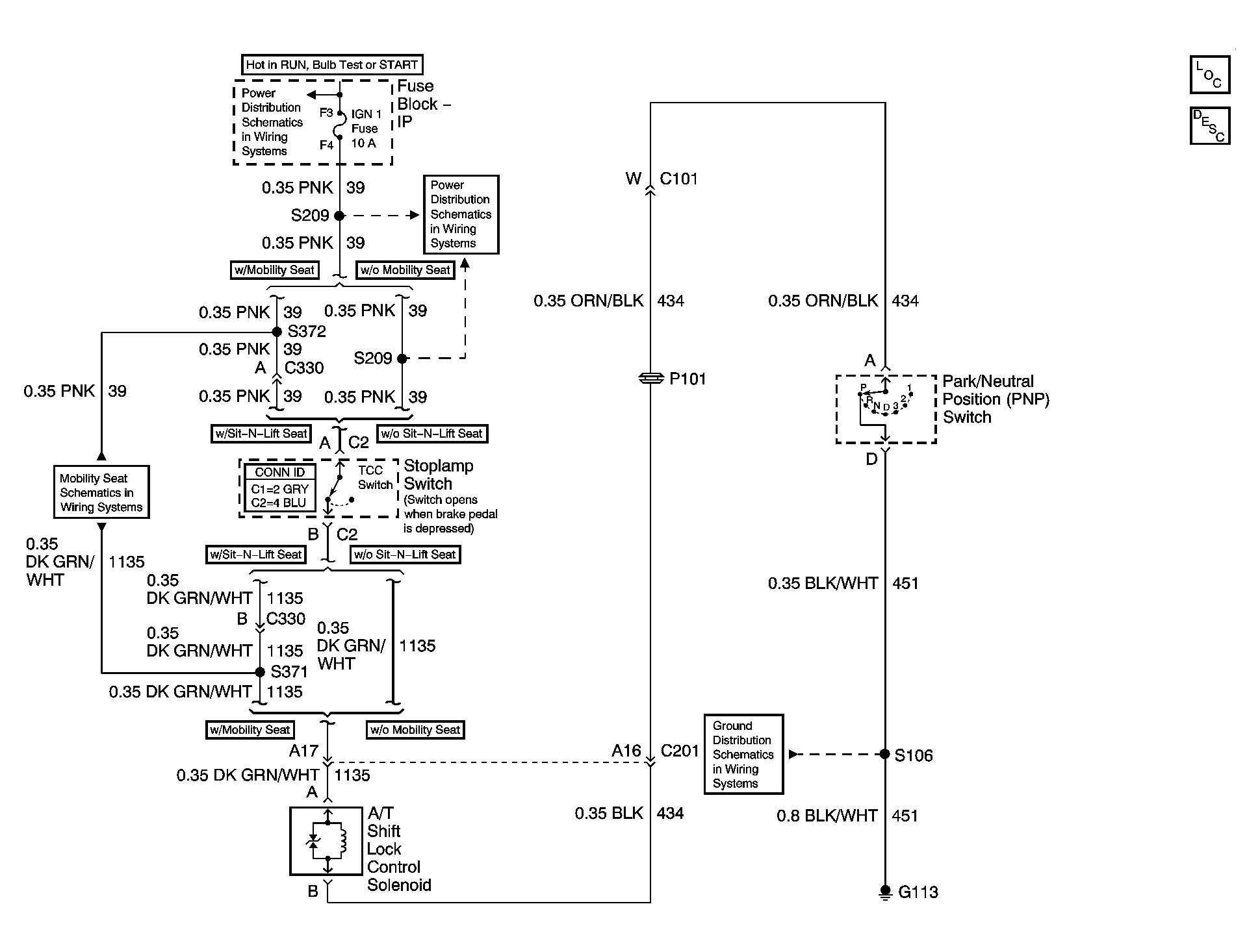
Automatic Transmission Shift Lock Control Schematics

Fig 1: Automatic Transmission Shift Lock Control Schematic
GM675462Courtesy of GENERAL MOTORS CORP.