lemon-mirror:
Home >> Chevrolet >> 2007 >> HHR LS, Automatic >> Repair and Diagnosis >> Transmission >> Automatic Trans >> Shift Interlock System >> Schematic and Routing Diagrams >> Shift Lock Control Schematics

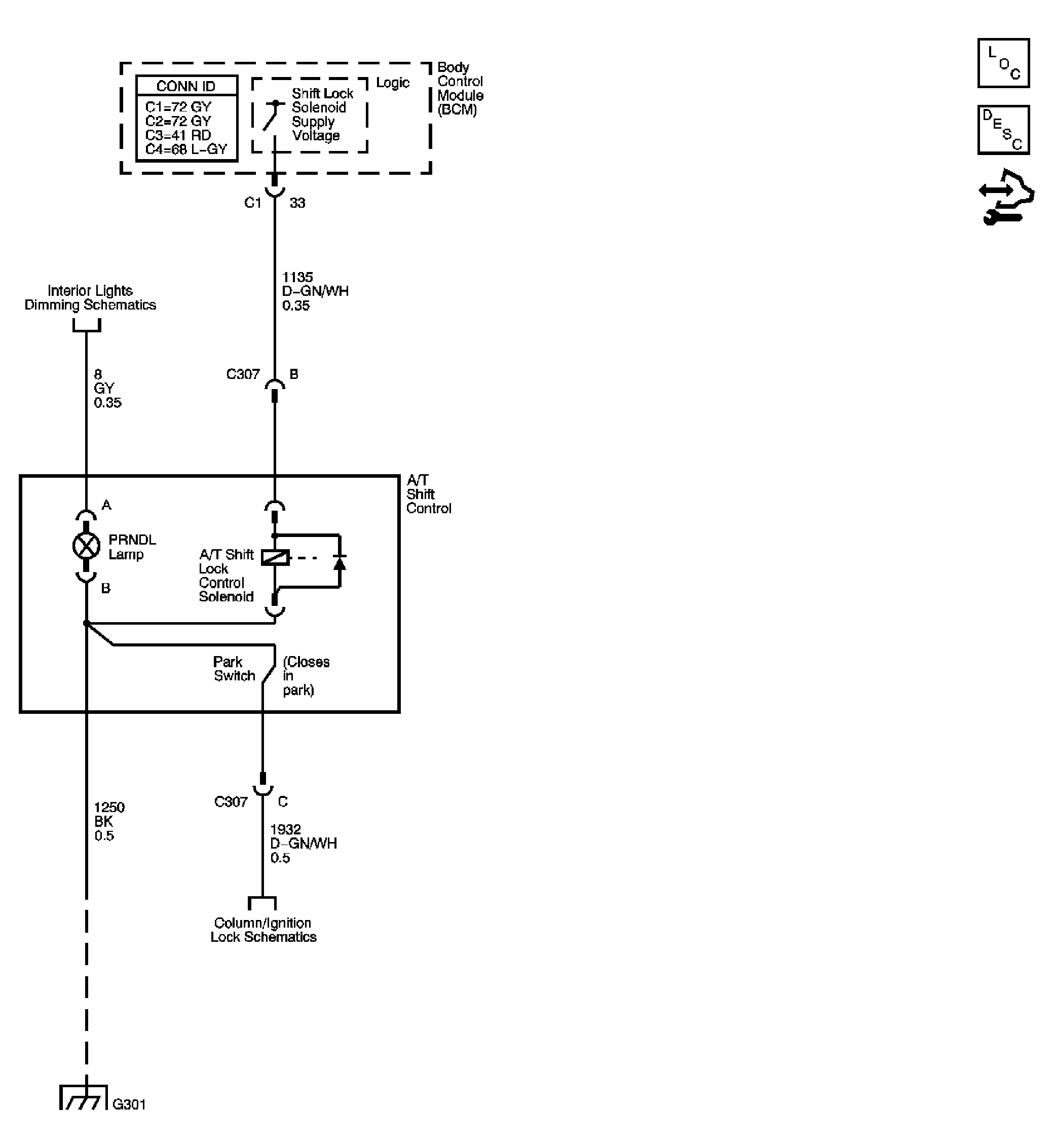
Shift Lock Control Schematics

Fig 1: Shift Lock Control Schematic
GM1769360Courtesy of GENERAL MOTORS CORP.