lemon-mirror:
Home >> Chevrolet >> 2007 >> Impala SS >> Repair and Diagnosis >> Body & Frame >> Door Locks >> Keyless Entry System And Remote Functions >> Schematic and Routing Diagrams >> Remote Function Schematics

Remote Function Schematics

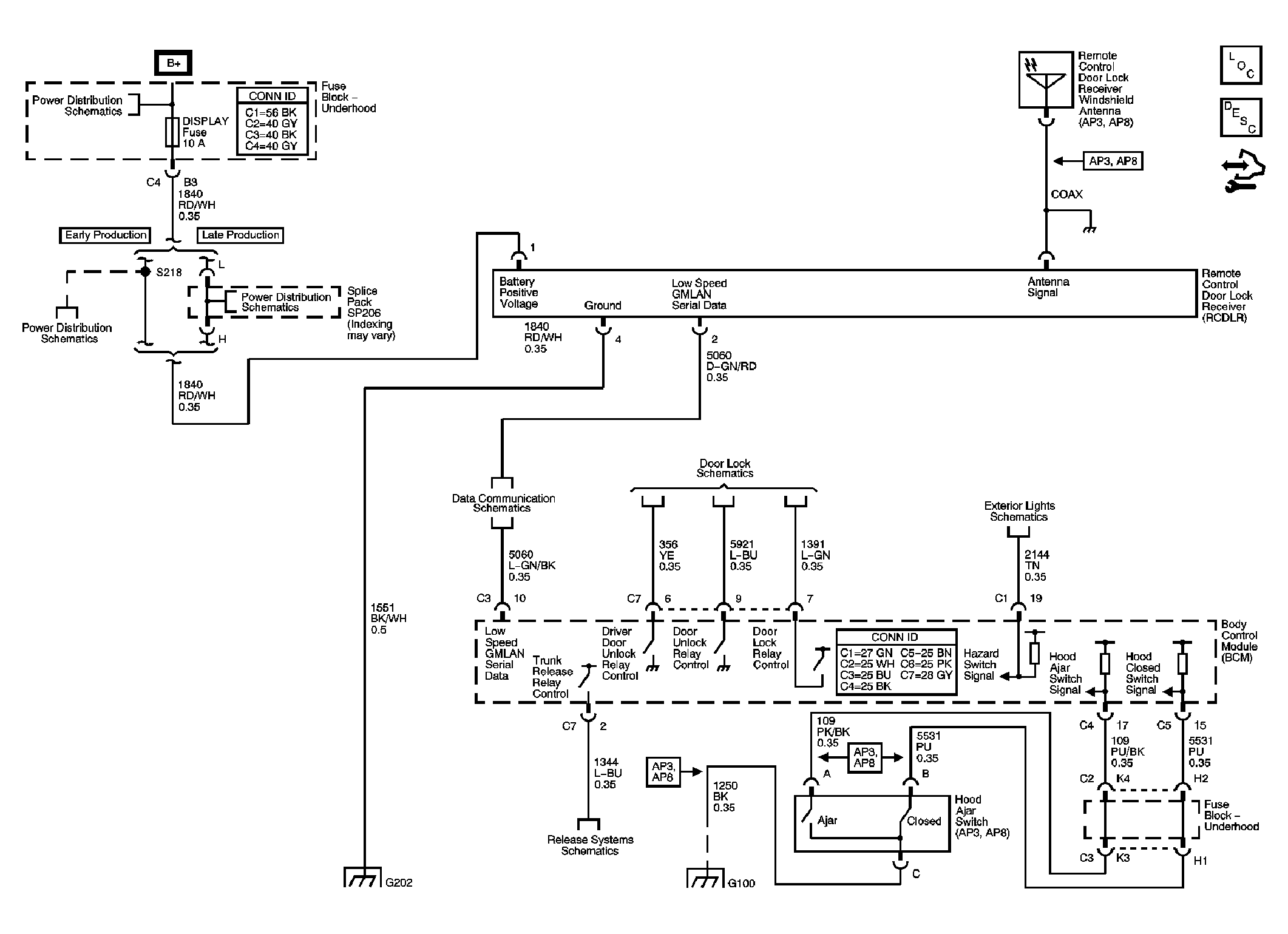
Fig 1: Remote Function Schematics
GM1762409Courtesy of GENERAL MOTORS CORP.
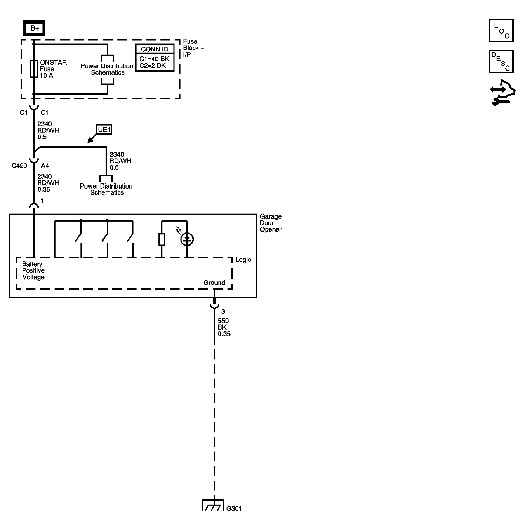
Fig 2: Garage Door Opener Schematics
GM1762410Courtesy of GENERAL MOTORS CORP.