lemon-mirror:
Home >> Chevrolet >> 2007 >> Impala SS >> Repair and Diagnosis >> Body & Frame >> Mirrors >> Mirror System >> Component Locator >> Mirror Component Views

Mirror Component Views

Fig 1: View Of Roof/Headliner Components
GM1206302Courtesy of GENERAL MOTORS CORP.
Callout Component Name
1 Inside Rearview Mirror
Fig 2: View Of Driver Door (Sedan)
GM1688938Courtesy of GENERAL MOTORS CORP.
Callout Component Name
1 Door Frame
2 Outside Rearview Mirror - Driver
3 Door Lock Switch - Driver
4 Window Switch - Driver
5 Outside Rearview Mirror Switch
6 Window Motor - Driver
7 Inflatable Restraint Side Impact Sensor (SIS) Left (AY1)
8 Door Lock - Driver
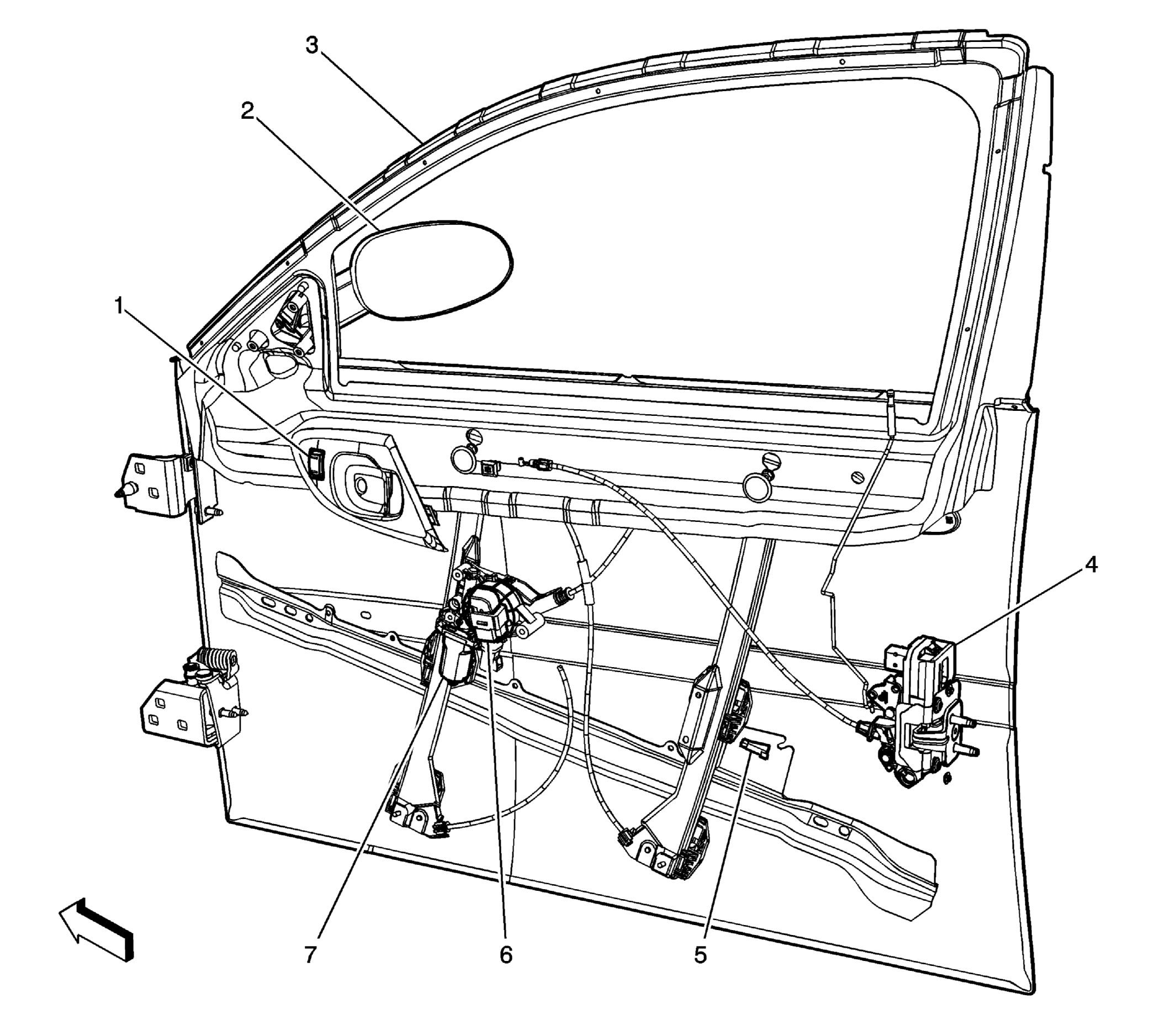
Fig 3: View Of Left Front Door Components (Coupe)
GM1700149Courtesy of GENERAL MOTORS CORP.
Callout Component Name
1 Door Frame
2 Outside Rearview Mirror - Driver
3 Door Lock Switch - Driver
4 Outside Rearview Mirror Switch
5 Window Switch - Driver
6 Speaker - LF Door
7 Window Motor - Driver
8 Door Lock Actuator - Driver
9 Inflatable Restraint Side Impact Sensor (SIS) Left (AJ7)
Fig 4: Identifying Passenger Door (Sedan)
GM1507641Courtesy of GENERAL MOTORS CORP.
Callout Component Name
1 Door Lock Switch - Front Passenger
2 Outside Rearview Mirror - Passenger
3 Door Frame
4 Door Lock - Front Passenger
5 Inflatable Restraint Side Impact Sensor (SIS) Right (AY1)
6 Window Switch - Front Passenger
7 Window Motor - Front Passenger
Fig 5: View Of Right Front Door Components (Coupe)
GM1700151Courtesy of GENERAL MOTORS CORP.
Callout Component Name
1 Door Lock Switch - Passenger
2 Door Frame
3 Outside Rearview Mirror - Passenger
4 Door Lock Actuator - Passenger
5 Inflatable Restraint Side Impact Sensor (SIS) Right (AJ7)
6 Window Motor - Front Passenger
7 Speaker - RF Door
8 Window Switch - Passenger
Fig 6: View Of LR Door - Sedan
GM1707931Courtesy of GENERAL MOTORS CORP.
Callout Component Name
1 Door Frame
2 Window Switch - LR
3 Window Motor - LR
4 Door Lock - LR
Fig 7: View Of RR Door - Sedan
GM1707934Courtesy of GENERAL MOTORS CORP.
Callout Component Name
1 Window Switch - RR
2 Door Frame
3 Door Lock - RR
4 Window Motor - RR