lemon-mirror:
Home >> Chevrolet >> 2007 >> Optra LS, Automatic >> Repair and Diagnosis >> Body & Frame >> Door Locks >> Remote Functions >> Schematic and Routing Diagrams >> Remote Function Schematics

Remote Function Schematics

Fig 1: Remote Control Door LK Receiver Schematic
GM1845576Courtesy of GENERAL MOTORS CORP.
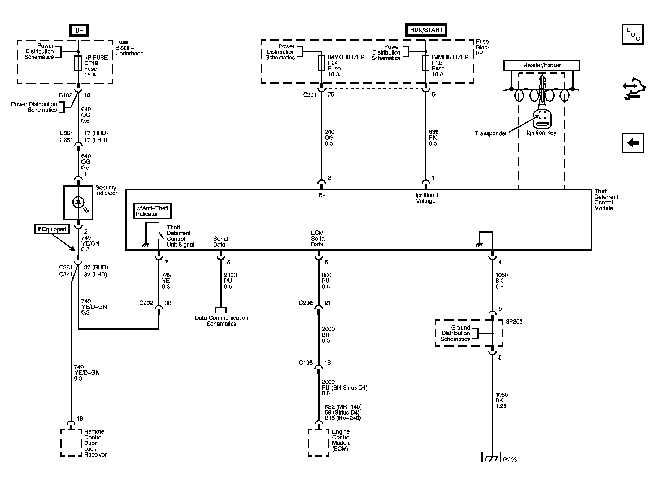
Fig 2: Theft Deterrent Control Module Schematic
GM1845577Courtesy of GENERAL MOTORS CORP.