lemon-mirror:
Home >> Chevrolet >> 2008 >> Optra LS, Automatic >> Repair and Diagnosis >> Body & Frame >> Door Locks >> Remote Functions >> Schematic and Routing Diagrams >> Remote Function Schematics

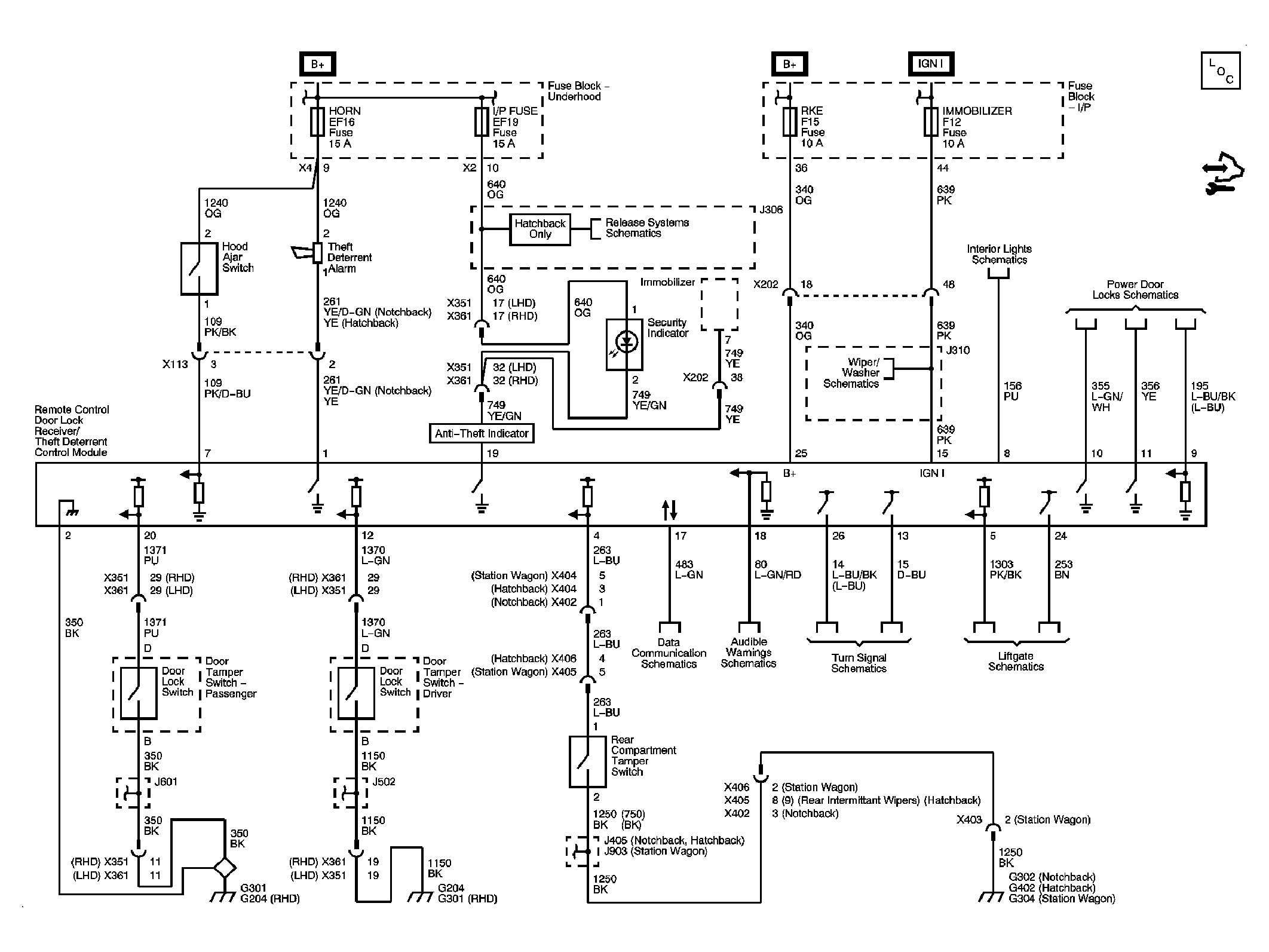
Remote Function Schematics

Fig 1: Remote Function Schematic
GM1963037Courtesy of GENERAL MOTORS CORP.