lemon-mirror:
Home >> Chevrolet >> 2008 >> Optra LS, Automatic >> Repair and Diagnosis >> Engine Performance >> System >> Engine Controls And Fuel - 1.6L >> Schematic and Routing Diagrams >> Engine Controls Schematics

Engine Controls Schematics

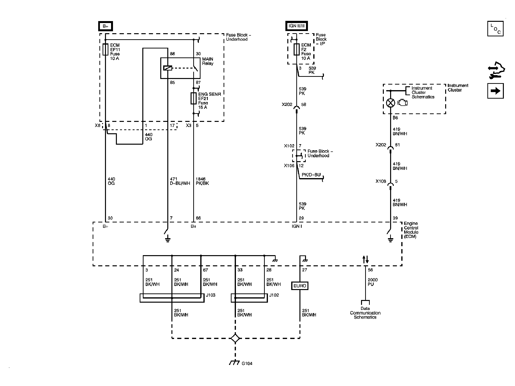
Fig 1: Module Power, Ground, Serial Data, Malfunction Indicator Lamp (MIL) Schematic
GM1956558Courtesy of GENERAL MOTORS CORP.
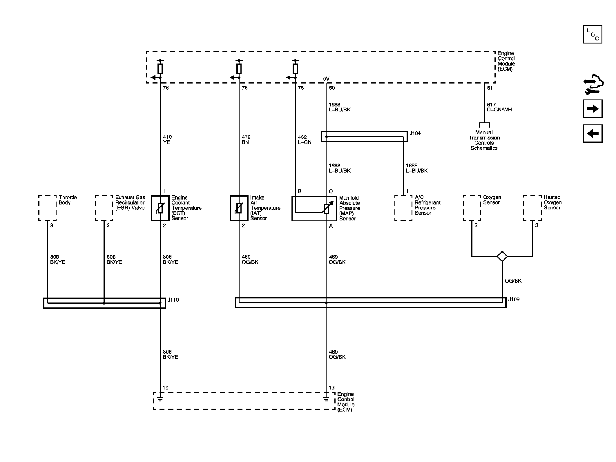
Fig 2: Engine Data Sensors - Pressure and Temperature Schematic
GM1956560Courtesy of GENERAL MOTORS CORP.
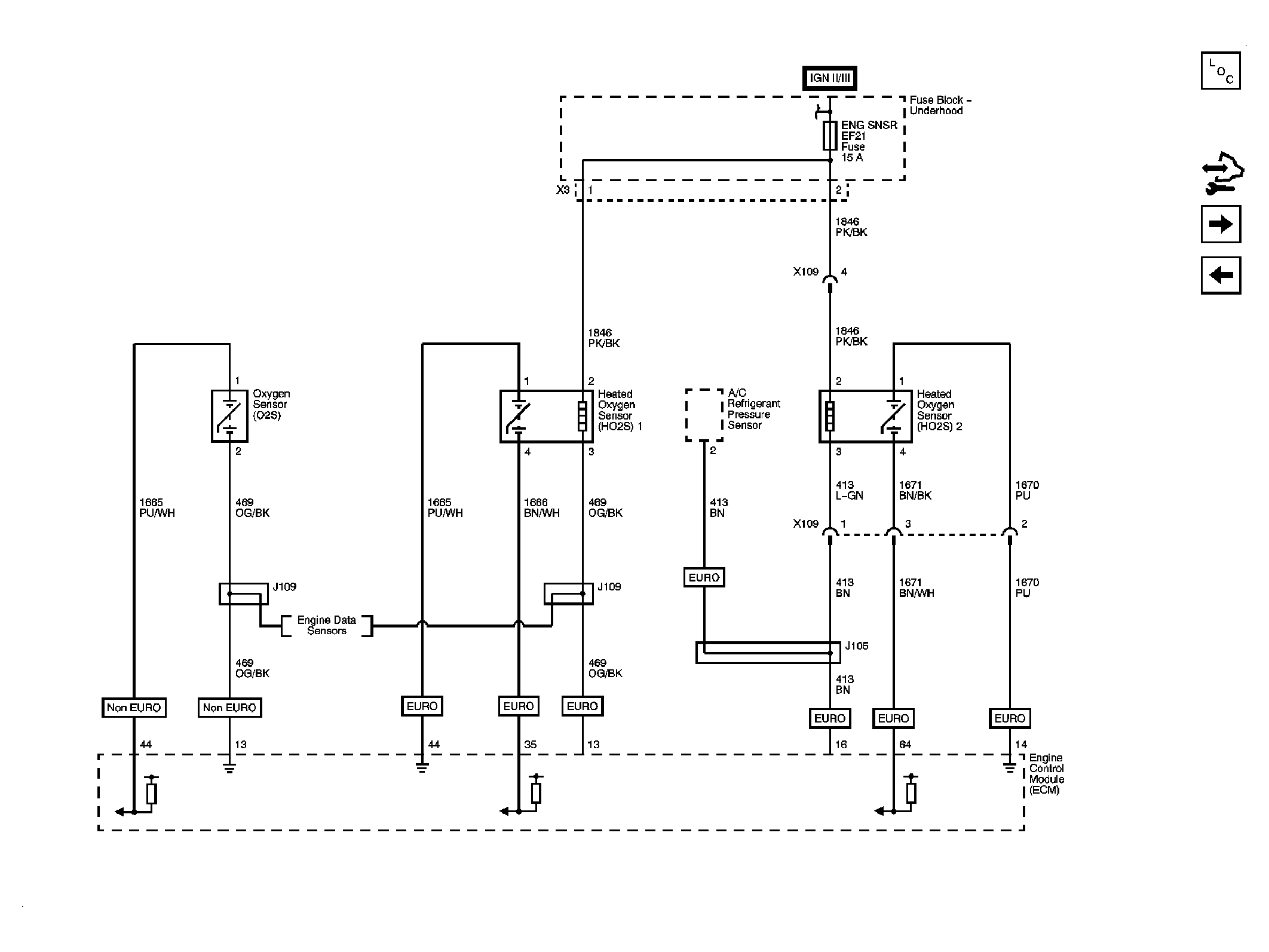
Fig 3: Oxygen Sensors (O2S) Schematic
GM1956562Courtesy of GENERAL MOTORS CORP.
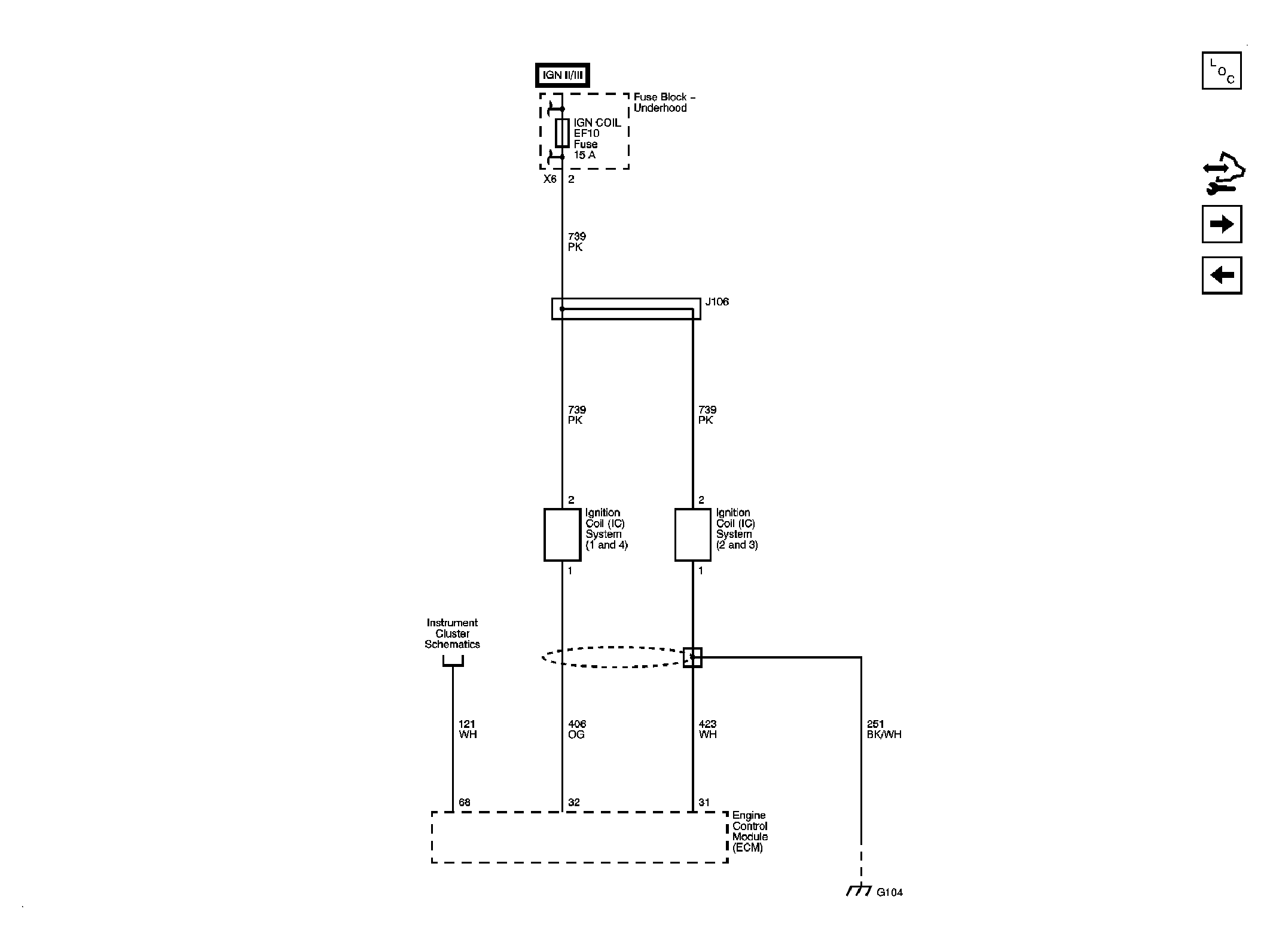
Fig 4: Ignition System Schematic
GM1956564Courtesy of GENERAL MOTORS CORP.
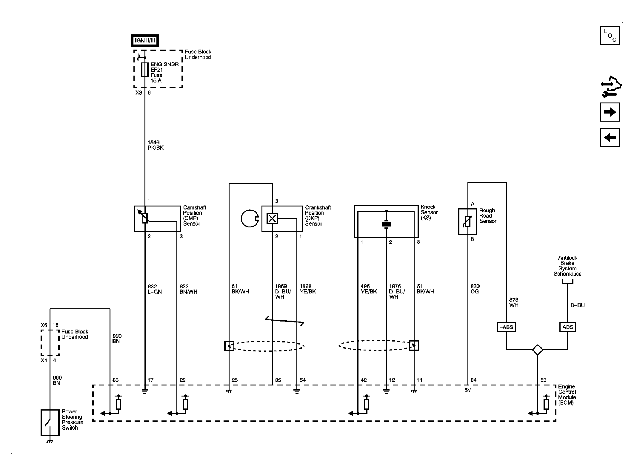
Fig 5: CMP, CKP, Knock, Rough Road Sensors, Power Steering Pressure Switch Schematic
GM1956565Courtesy of GENERAL MOTORS CORP.
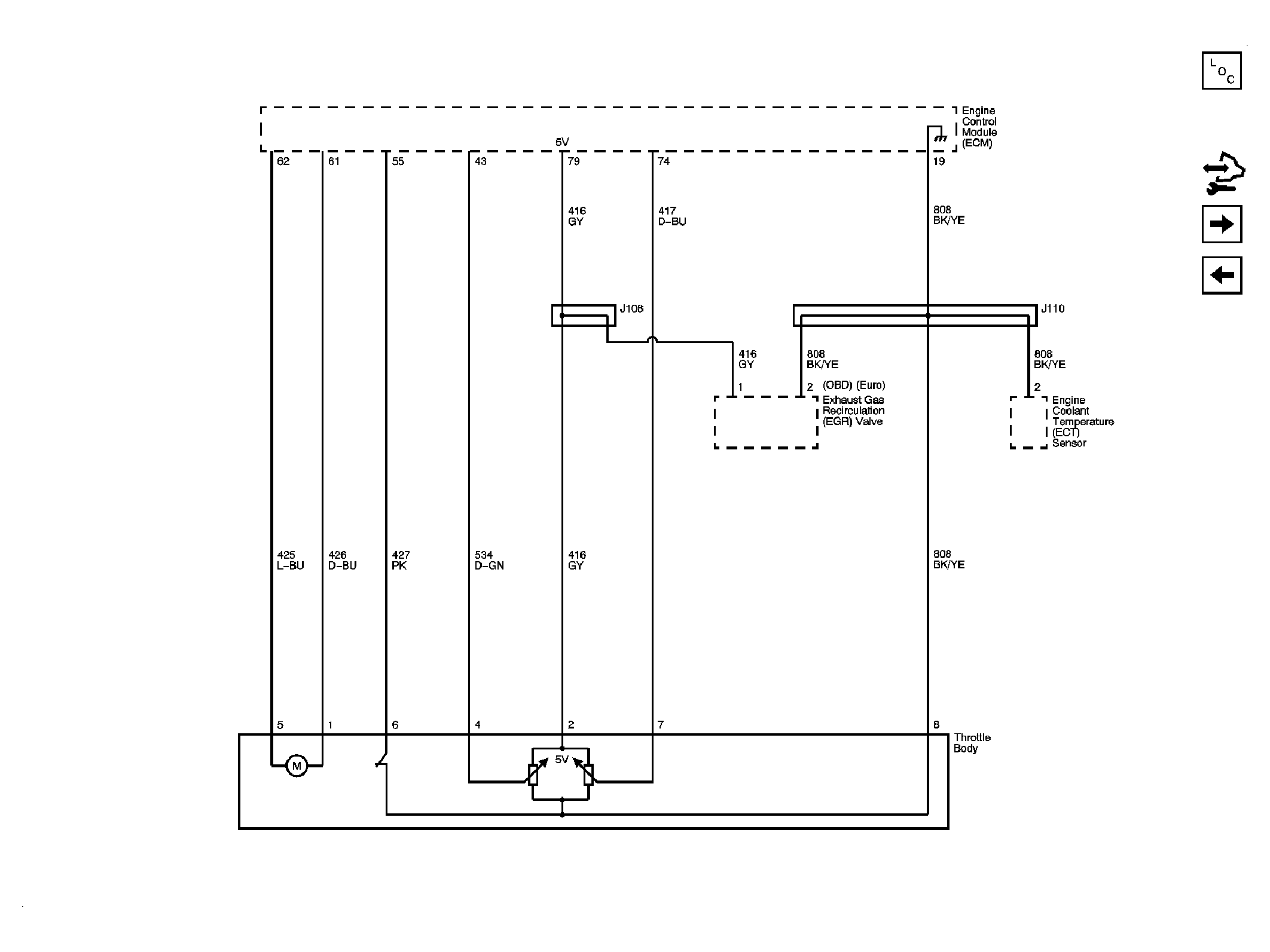
Fig 6: Engine Data Sensors - Main Throttle Intake Actuator (MTIA) Schematic
GM1956571Courtesy of GENERAL MOTORS CORP.
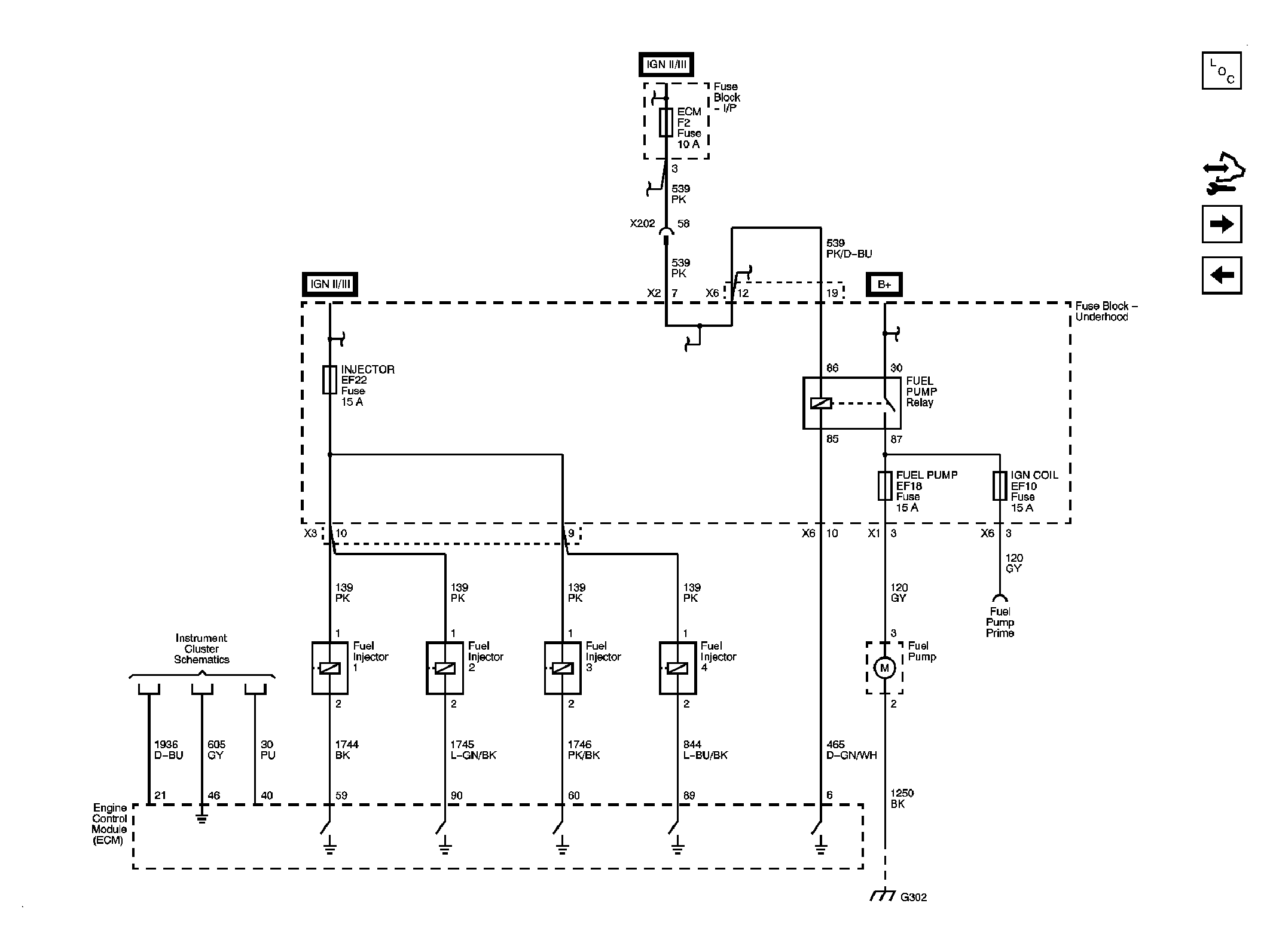
Fig 7: Fuel Pump Controls and Fuel Injectors Schematic
GM1956573Courtesy of GENERAL MOTORS CORP.
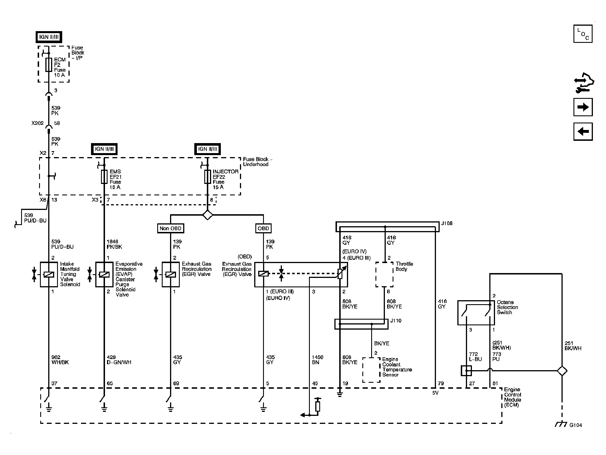
Fig 8: Intake Manifold Tuning Valve, EVAP, EGR, Octane Selection Switch Schematic
GM1956574Courtesy of GENERAL MOTORS CORP.
Fig 9: Controlled/Monitored Subsystem References Schematic
GM1956576Courtesy of GENERAL MOTORS CORP.