lemon-mirror:
Home >> Chevrolet >> 2009 >> Corvette Z06 >> Repair and Diagnosis >> Engine Performance >> System >> Data Communication System >> Schematic and Routing Diagrams >> Body Control System Schematics

Body Control System Schematics

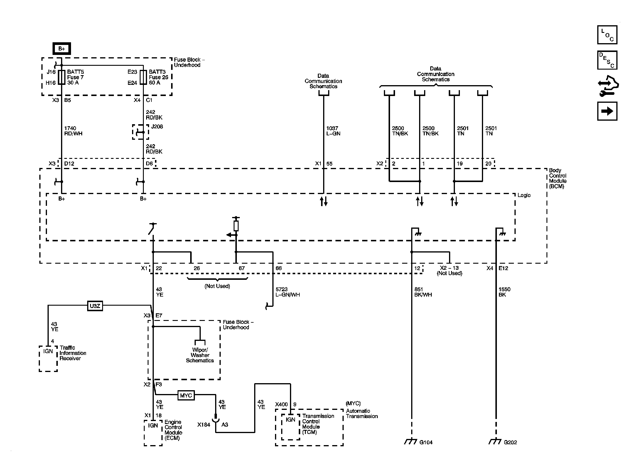
Fig 1: Power, Ground & Serial Data Circuit Schematic
GM2053268Courtesy of GENERAL MOTORS CORP.
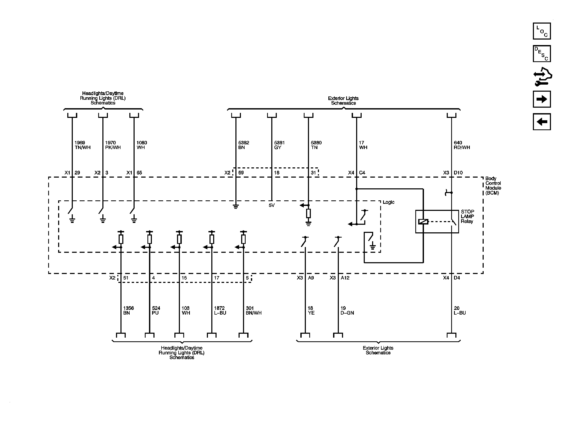
Fig 2: Lighting References Circuit Schematic (1 Of 2)
GM2053270Courtesy of GENERAL MOTORS CORP.
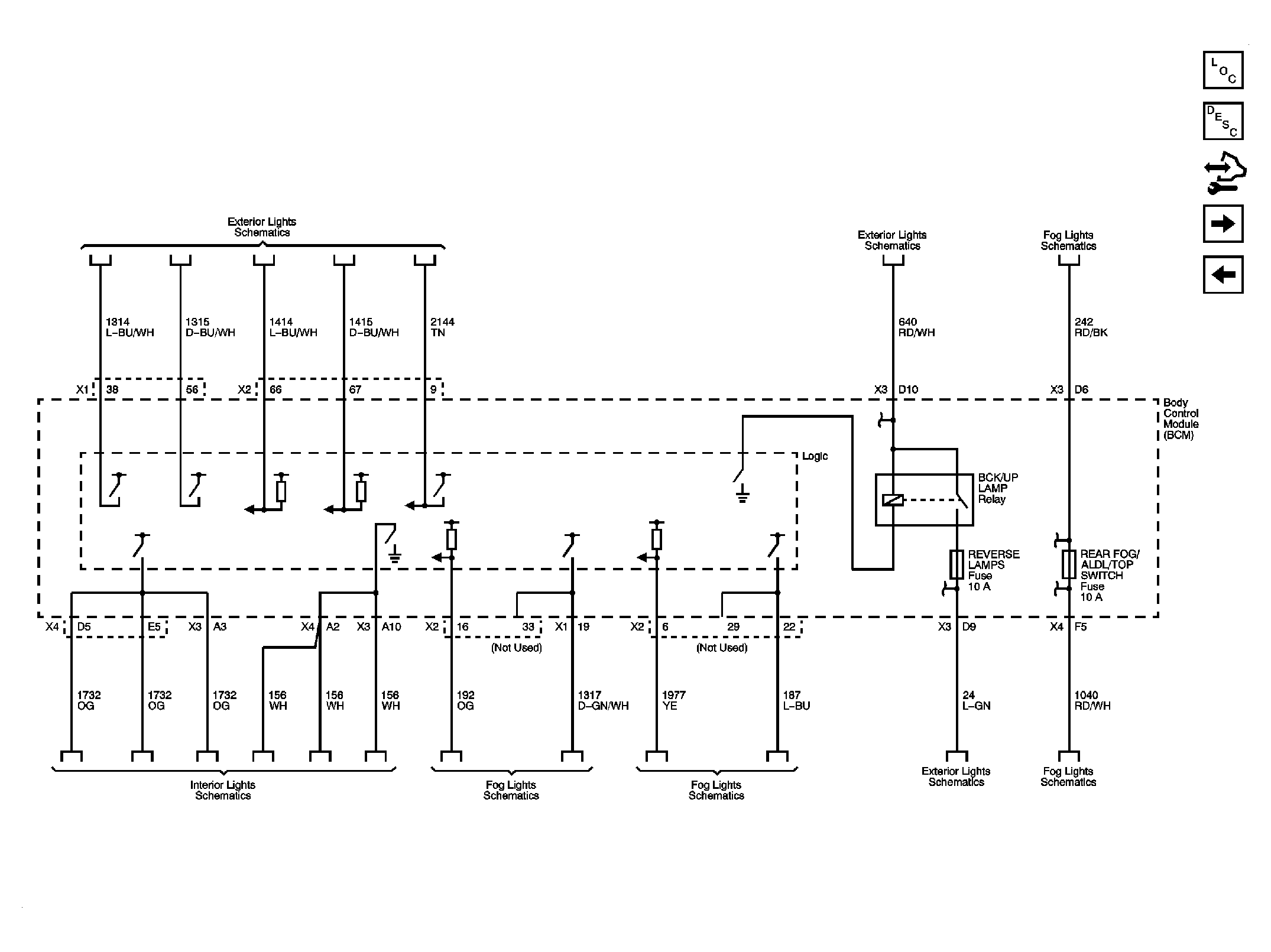
Fig 3: Lighting References Circuit Schematic (2 Of 2)
GM2053273Courtesy of GENERAL MOTORS CORP.
Fig 4: Subsystem References Circuit Schematic (1 Of 2)
GM2053275Courtesy of GENERAL MOTORS CORP.
Fig 5: Subsystem References Circuit Schematic (2 Of 2)
GM2053280Courtesy of GENERAL MOTORS CORP.