lemon-mirror:
Home >> Chevrolet >> 2009 >> Uplander Base, 3.9 1 >> Repair and Diagnosis >> Electrical >> Charging Systems >> Engine Electrical >> Repair Instructions >> Generator Replacement >> Installation Procedure

Installation Procedure

    Fig 1: Identifying Generator Lower Bolt And Stud
    GM1584688Courtesy of GENERAL MOTORS CORP.
  1. Install the generator.
  2. Install the generator lower bolt and stud until snug.
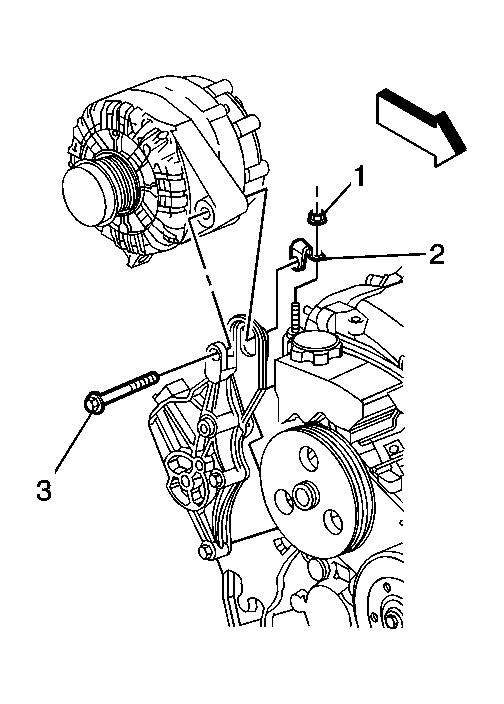
  3. Fig 2: Identifying Generator Upper Mounting Bolt And Harness Ground Connection
    GM1681281Courtesy of GENERAL MOTORS CORP.
    CAUTION: Refer to Fastener Caution .
  4. Install the generator upper bolt (3) and tighten the bolts/stud to 50 N.m (37 lb ft)  .
  5. Fig 3: View Of Generator And Engine Harness Electrical Connectors
    GM1679874Courtesy of GENERAL MOTORS CORP.
  6. Install the idler pulley and bolt on the right front side of the engine.
  7. Connect the wire harness to the retainers on the upper and lower right front shock tower.
  8. Position the power steering lines and retainer to the stud on the generator bracket.
  9. Install the nut holding the power steering lines on the back of the generator.
  10. Connect the engine harness electrical connector (3) to the generator.
  11. Install the engine harness ground (2) to the generator.
  12. Install the engine harness ground nut (1) and tighten to 30 N.m (22 lb ft)  .
  13. Install the drive belt. Refer to Drive Belt Replacement .
  14. Position the engine into the normal location and install the engine mount strut bolts. Refer to Engine Mount Strut Replacement - Left Side and Engine Mount Strut Replacement - Right Side .
  15. Connect the windshield wiper transmission. Refer to Windshield Wiper System Module Replacement .
  16. Install the washer solvent container. Refer to Windshield Washer Solvent Container Replacement .
  17. Connect the negative battery cable. Refer to Battery Negative Cable Disconnection and Connection .