lemon-mirror:
Home >> Chevrolet >> 2010 >> Corvette Z06 >> Repair and Diagnosis >> Engine Performance >> System >> Data Communication System >> Schematic and Routing Diagrams >> Data Communication Schematics

Data Communication Schematics

Fig 1: Power, Ground, and Class 2
GM2224951Courtesy of GENERAL MOTORS CORP.
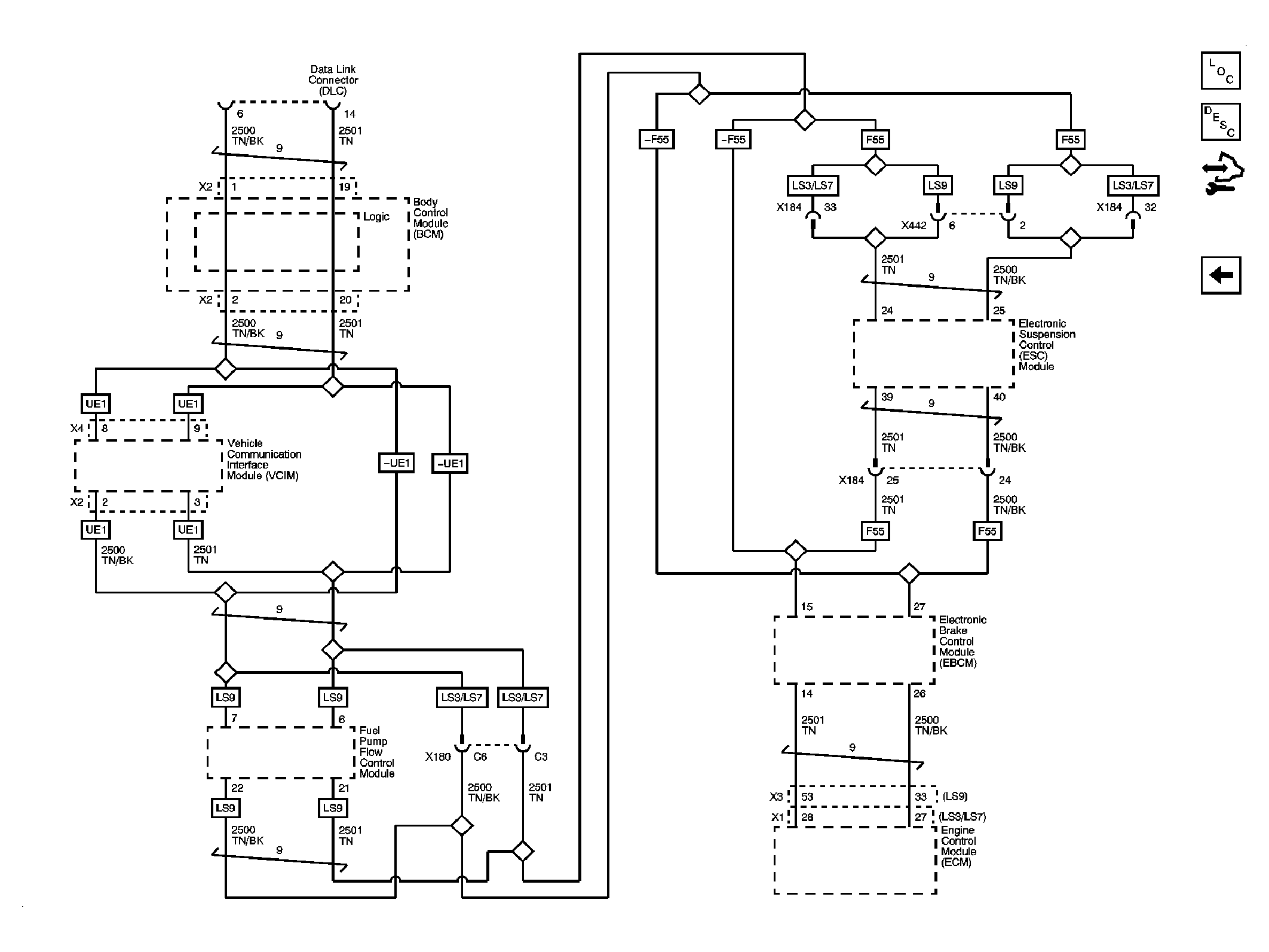
Fig 2: High Speed GMLAN - Automatic Transmission
GM2224955Courtesy of GENERAL MOTORS CORP.
Fig 3: High Speed GMLAN - Manual Transmission
GM2225003Courtesy of GENERAL MOTORS CORP.