lemon-mirror:
Home >> Chevrolet >> 2010 >> Cutaway 6.6 L >> Repair and Diagnosis >> Engine Performance >> System >> Data Communication System >> Schematic & Routing Diagrams >> Data Communication Schematics

Data Communication Schematics

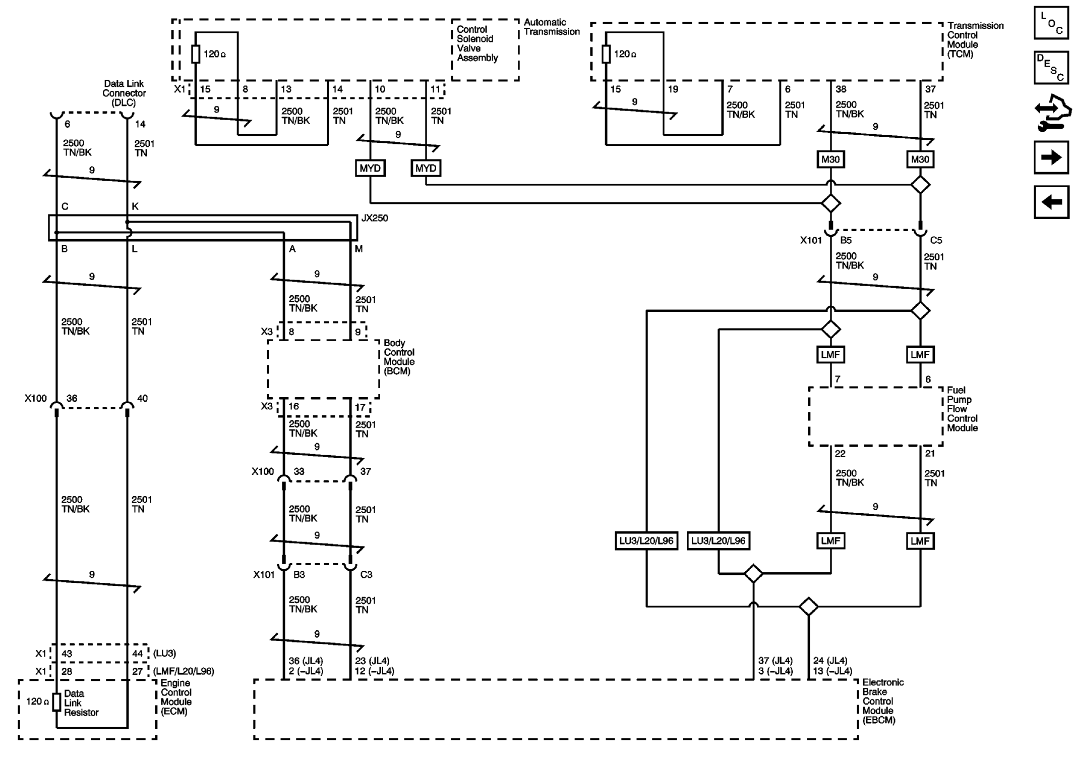
Fig 1: Low Speed GMLAN Circuit Schematic
GM2247820Courtesy of GENERAL MOTORS CORP.
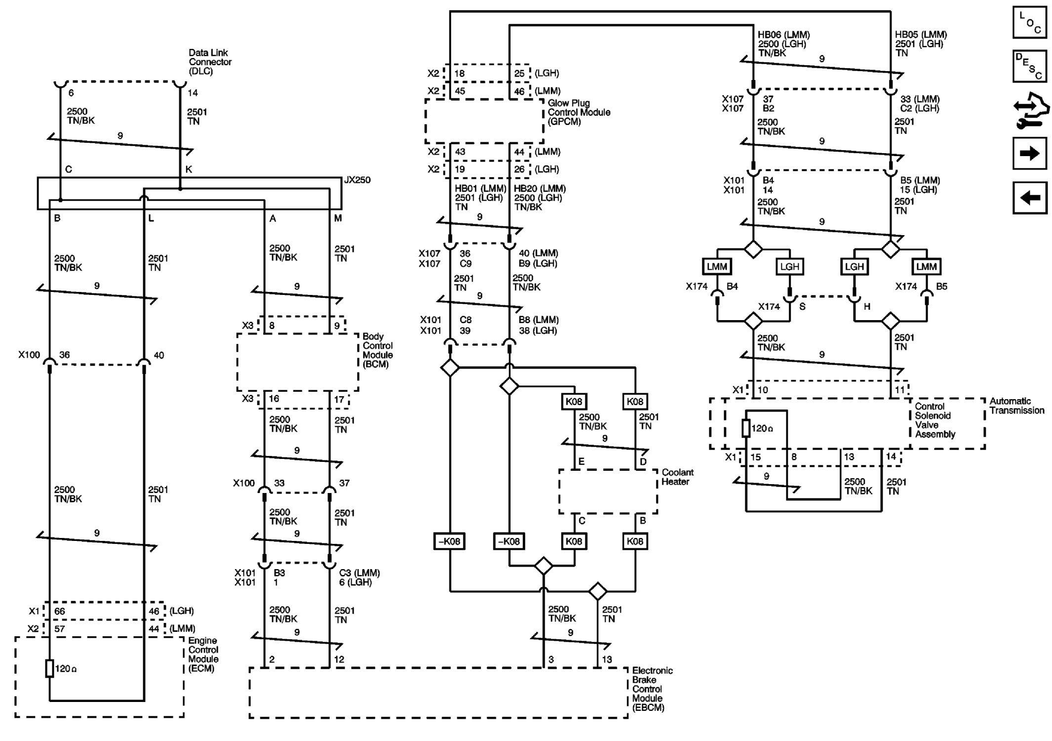
Fig 2: High Speed GMLAN Circuit Schematic (Gas)
GM2247821Courtesy of GENERAL MOTORS CORP.
Fig 3: High Speed GMLAN Circuit Schematic Circuit Schematic (Diesel)
GM2247822Courtesy of GENERAL MOTORS CORP.
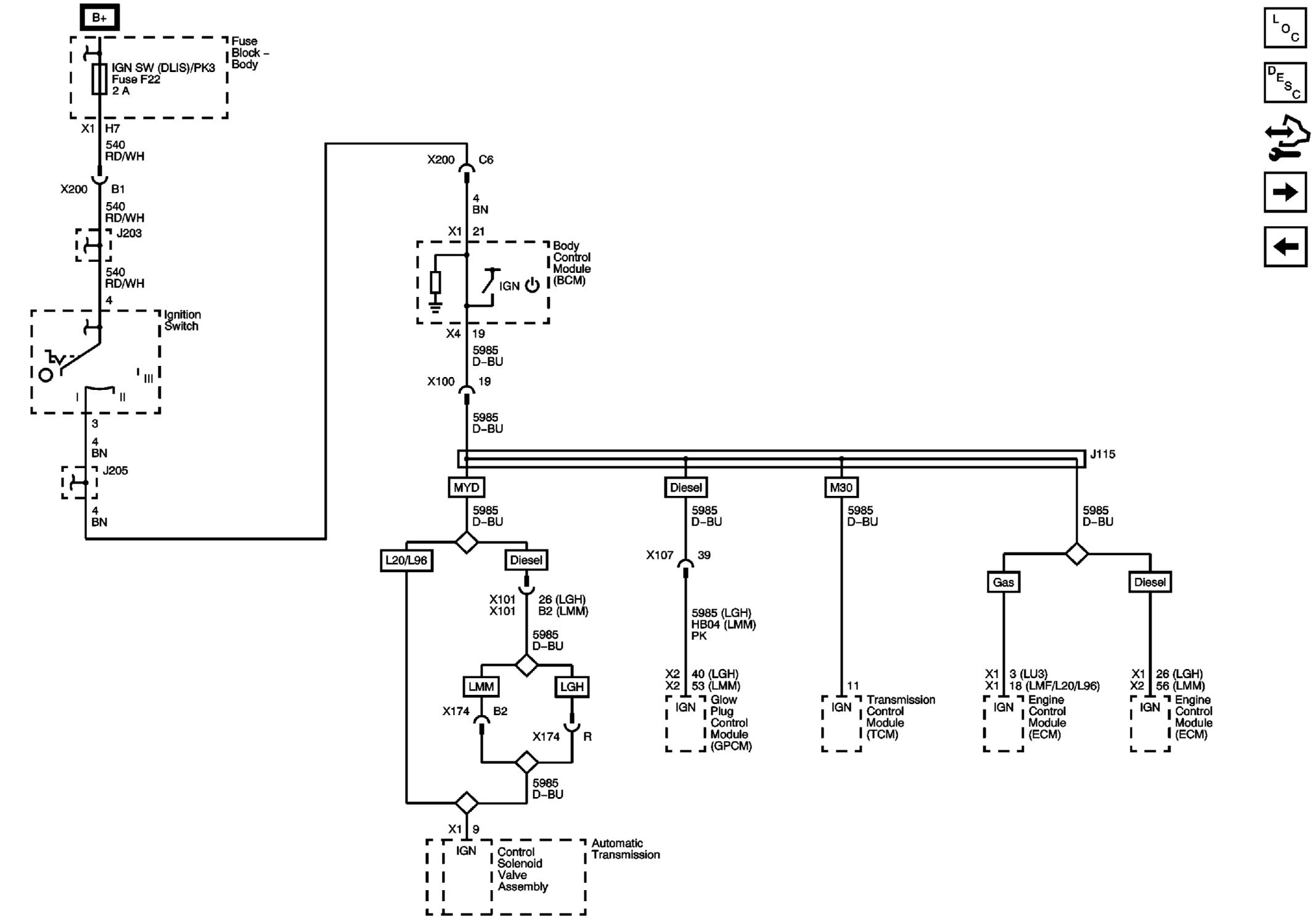
Fig 4: Accessory Wakeup
GM2247823Courtesy of GENERAL MOTORS CORP.
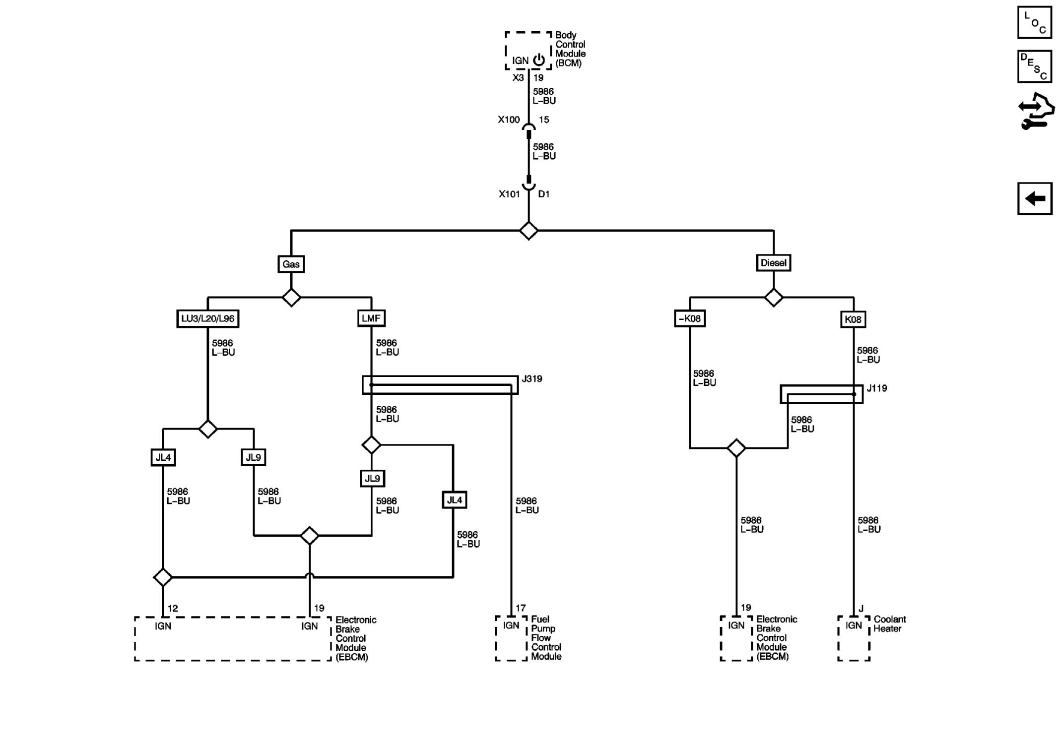
Fig 5: Communications Enable Circuit Schematic
GM2248380Courtesy of GENERAL MOTORS CORP.