lemon-mirror:
Home >> Chevrolet >> 2010 >> Equinox LS, FWD >> Repair and Diagnosis >> Engine Performance >> System >> Data Communication System >> Schematic and Routing Diagrams >> Data Communication Schematics

Data Communication Schematics

Fig 1: Low Speed GMLAN (1 of 2)
GM2230821Courtesy of GENERAL MOTORS CORP.
Fig 2: Low Speed GMLAN (2 of 2)
GM2230822Courtesy of GENERAL MOTORS CORP.
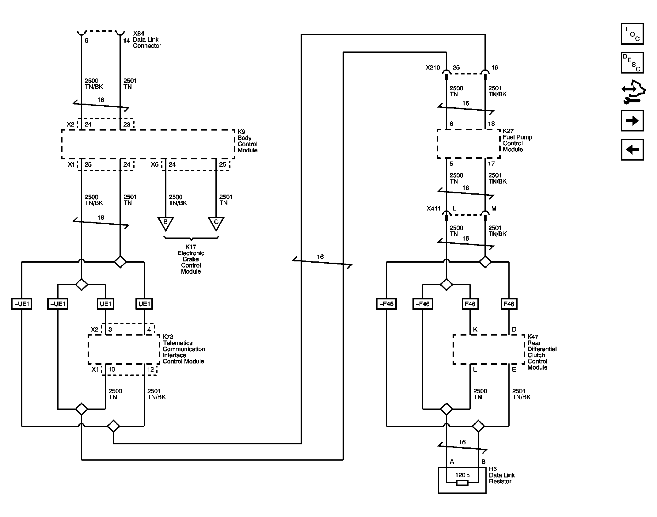
Fig 3: High Speed GMLAN (1 of 2)
GM2230824Courtesy of GENERAL MOTORS CORP.
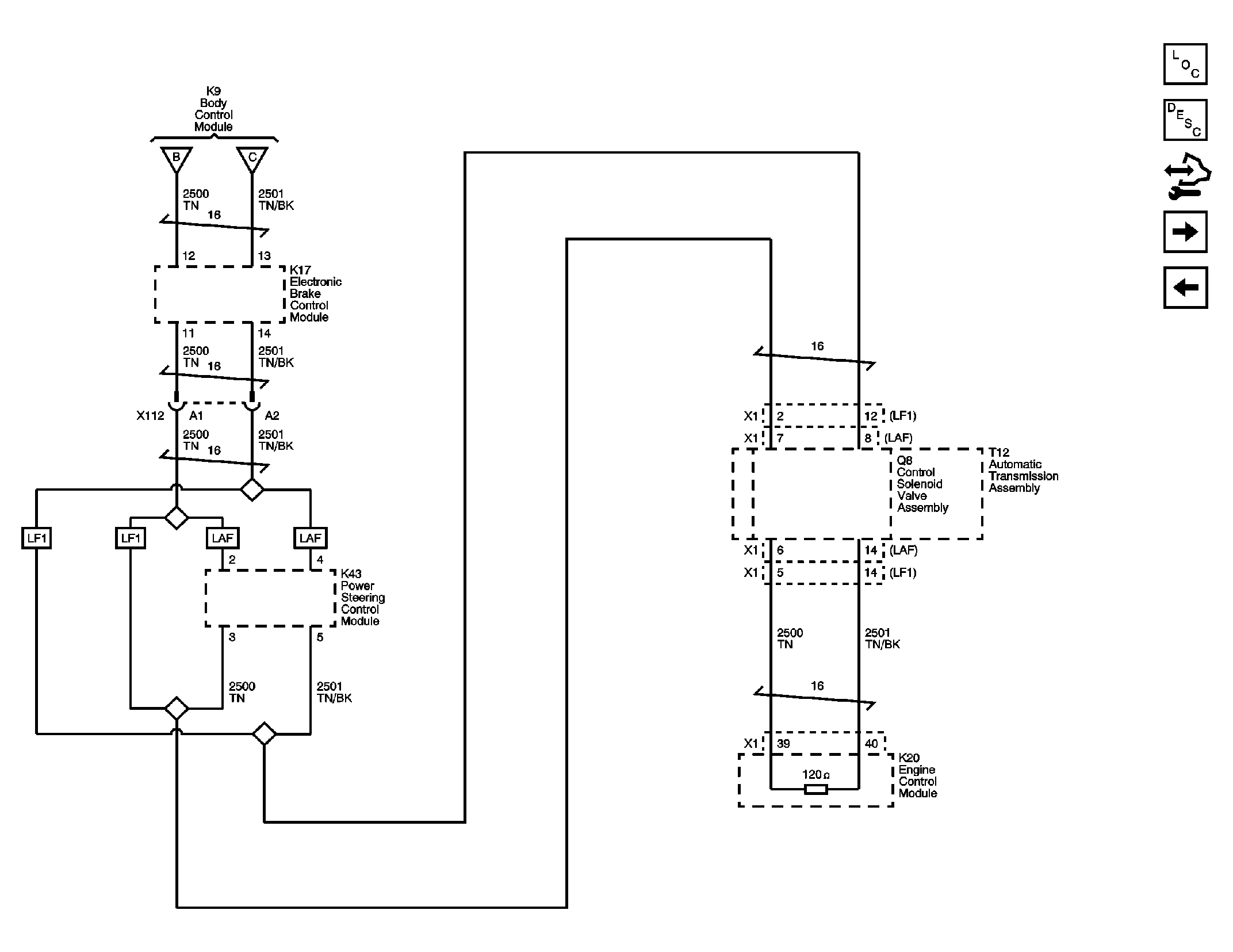
Fig 4: High Speed GMLAN (2 of 2)
GM2230826Courtesy of GENERAL MOTORS CORP.
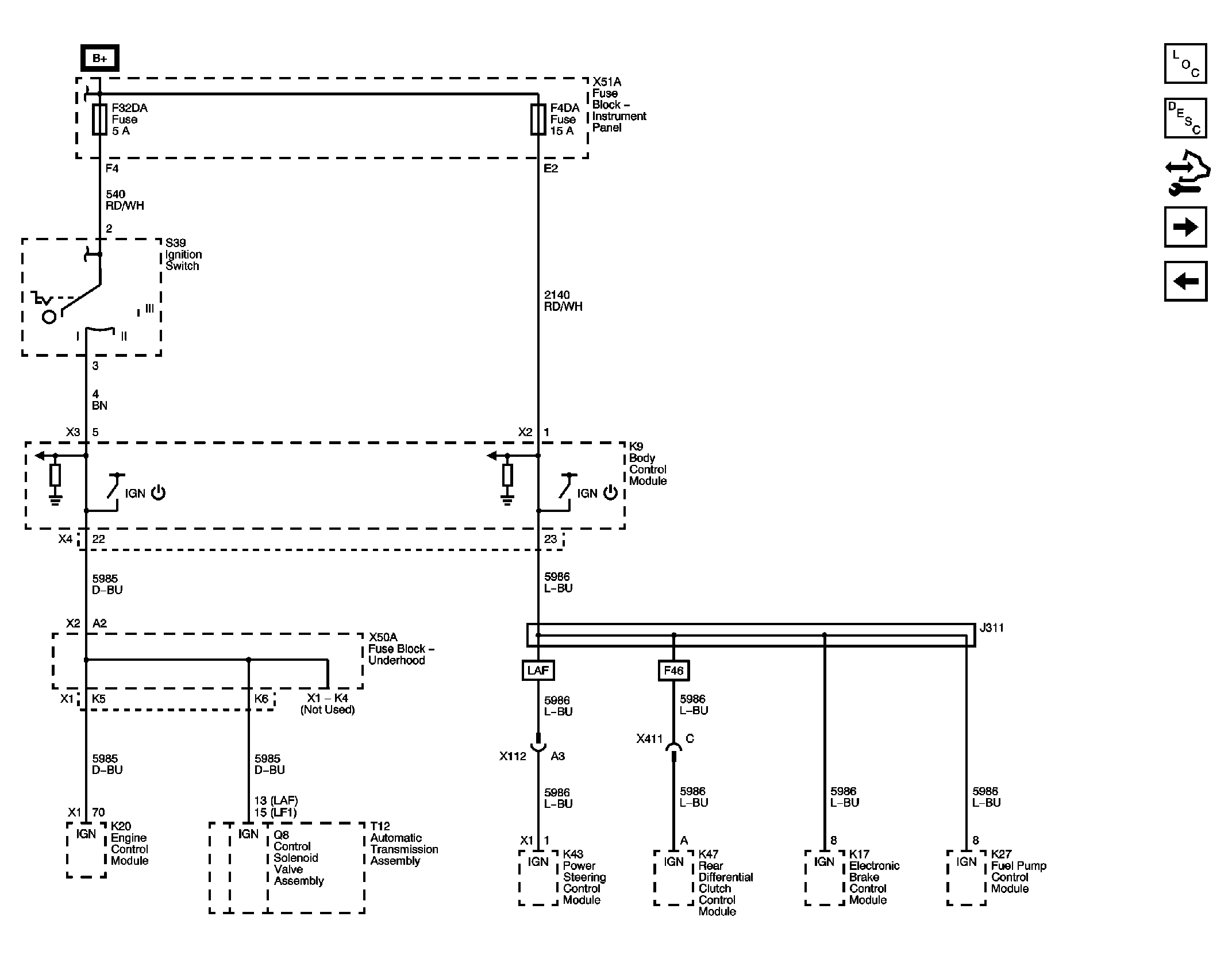
Fig 5: Enable Serial Data
GM2230827Courtesy of GENERAL MOTORS CORP.
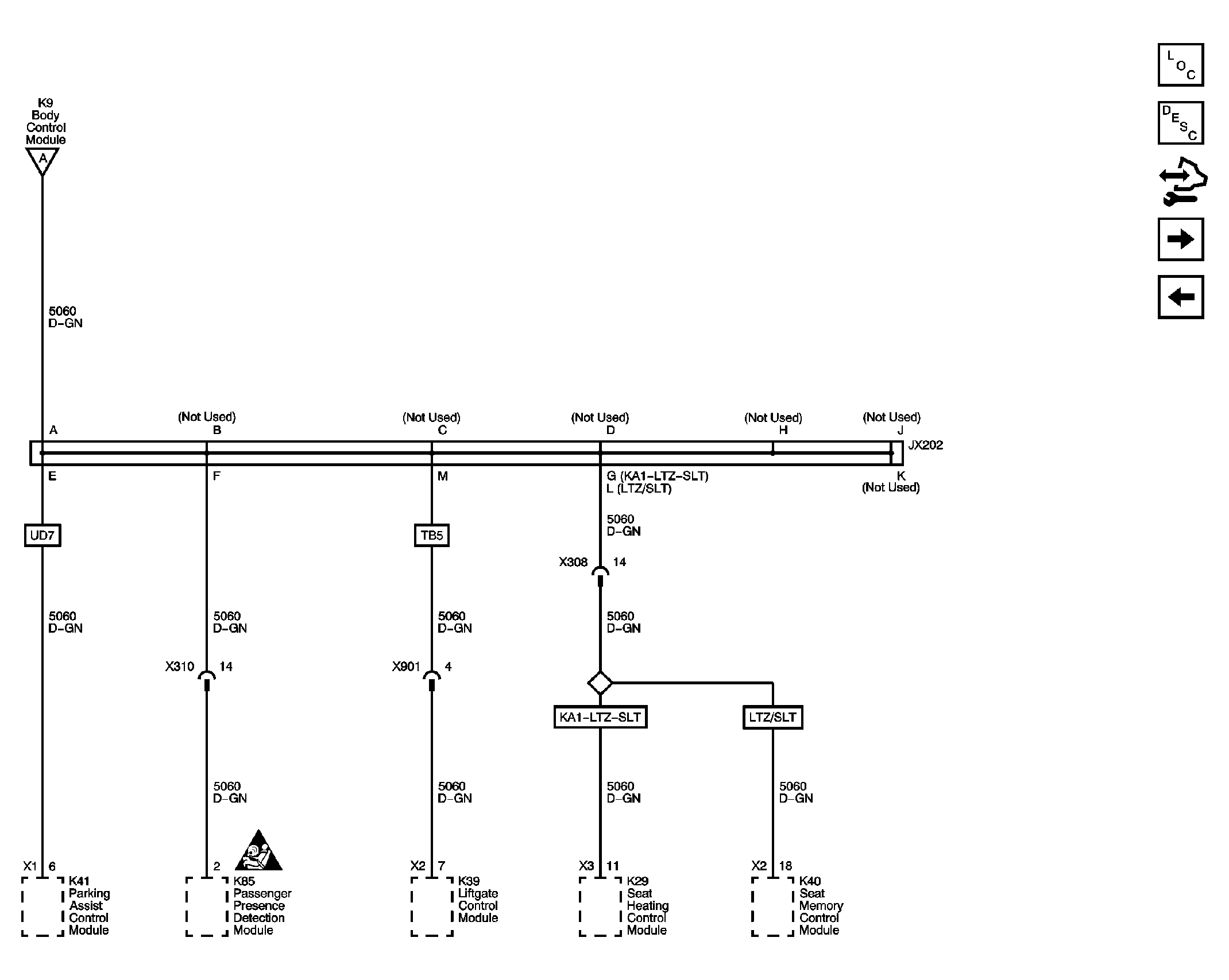
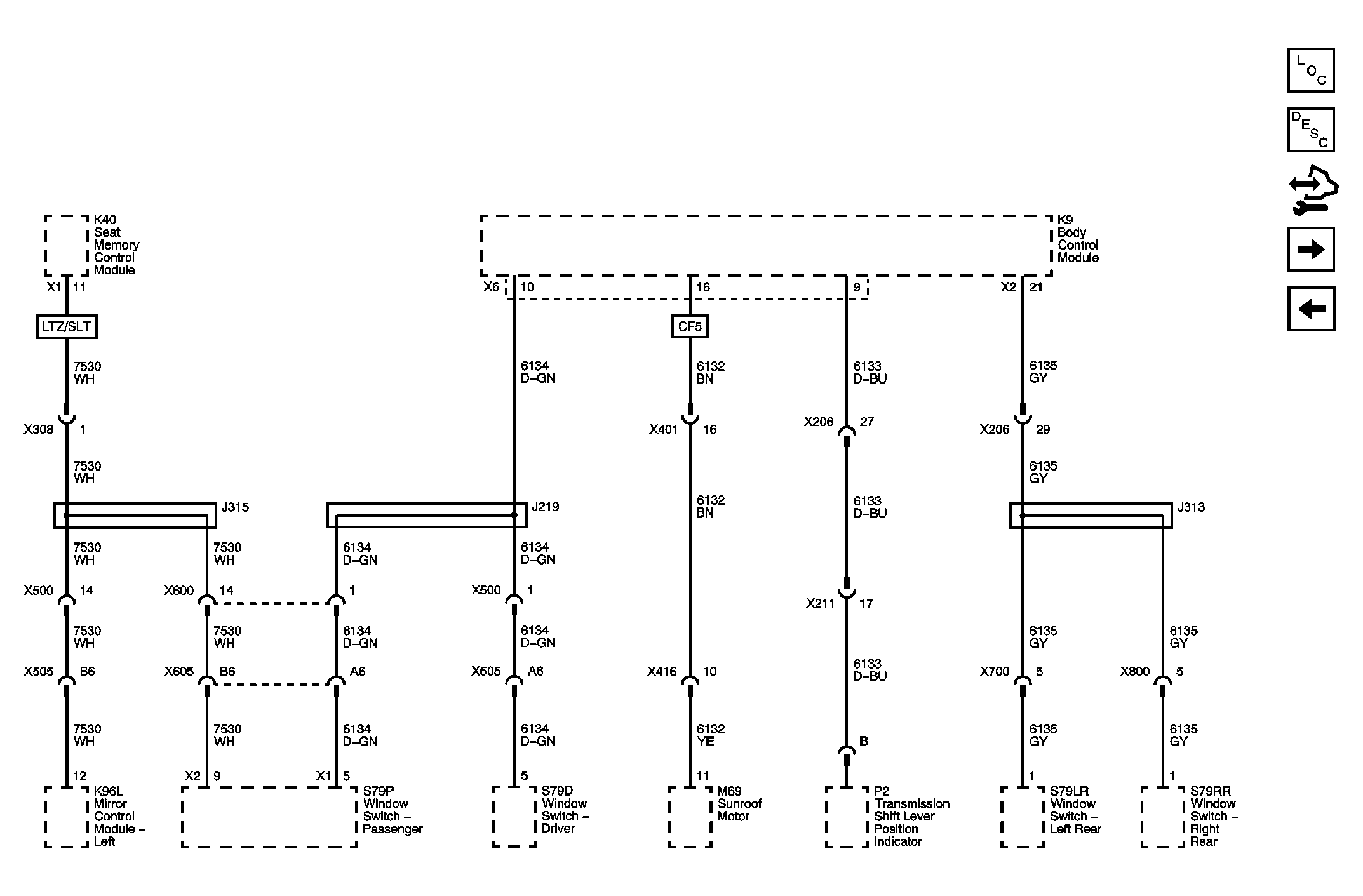
Fig 6: BCM Local Interconnect Network (LIN) Bus 1, 2, 3, 4 and Memory Seat LIN Bus
GM2230829Courtesy of GENERAL MOTORS CORP.
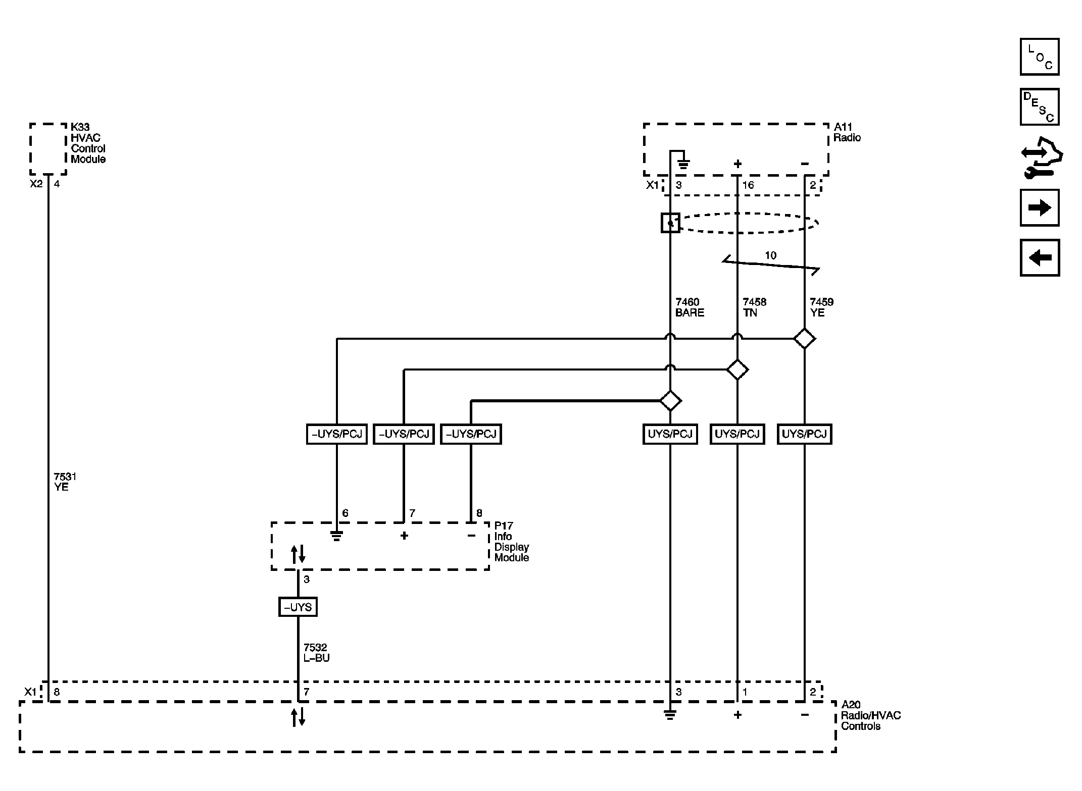
Fig 7: Radio/HVAC Local Interconnect Network (LIN) Bus and CAN Graphical Interface
GM2316188Courtesy of GENERAL MOTORS CORP.
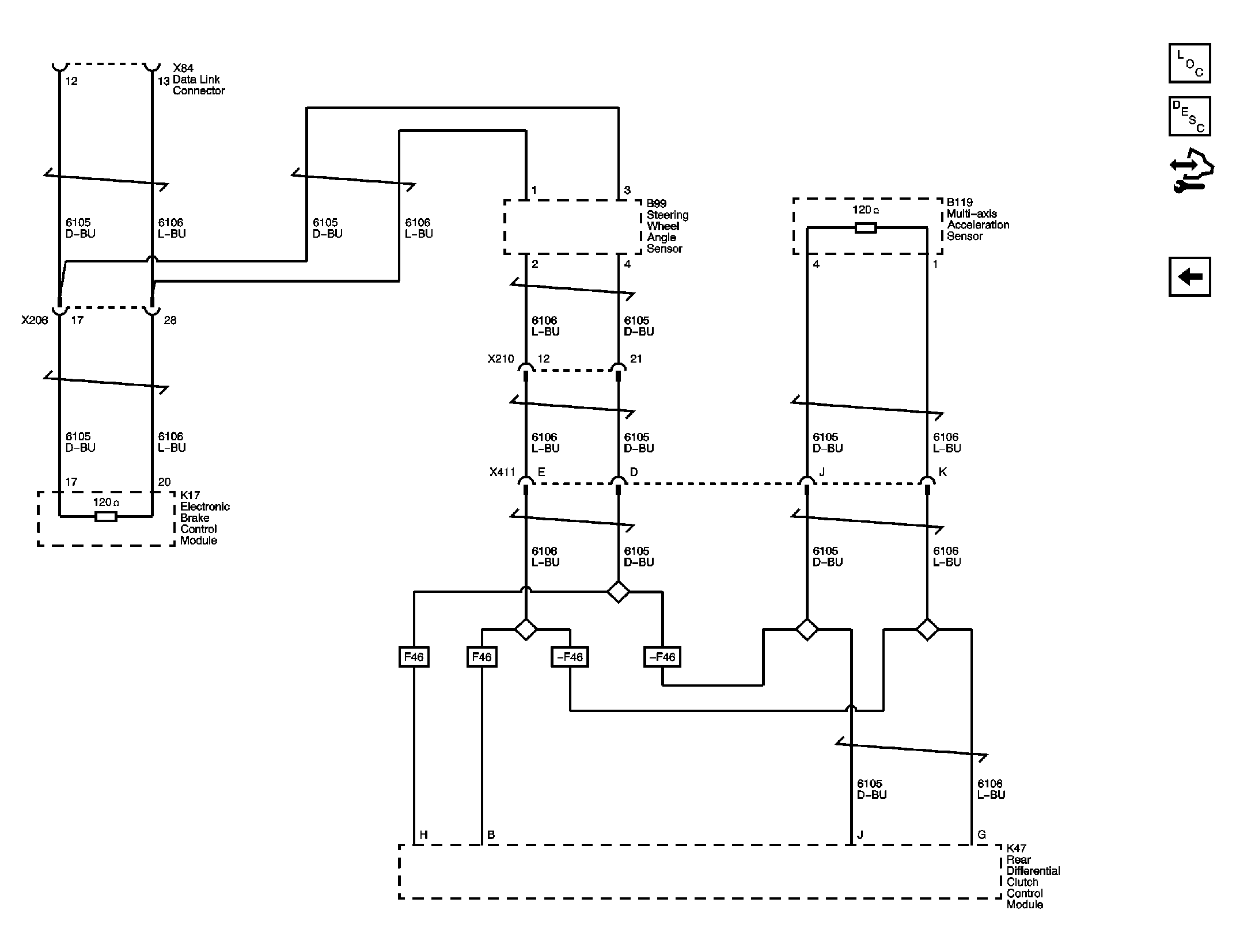
Fig 8: Chassis Expansion Bus
GM2230830Courtesy of GENERAL MOTORS CORP.