lemon-mirror:
Home >> Chevrolet >> 2010 >> HHR LS, Automatic >> Repair and Diagnosis >> Electrical >> Component Locations >> Component Locations - Powertrain Component Views >> Powertrain Component Views

Powertrain Component Views

Fig 1: Engine - Rear (LE8/LE9)
GM1394466Courtesy of GENERAL MOTORS CORP.
Callout Component Name
1 Heated Oxygen Sensor (HO2S) 1
2 Heated Oxygen Sensor (HO2S) 2
Fig 2: Engine - Front (LNF)
GM2193365Courtesy of GENERAL MOTORS CORP.
Callout Component Name
1 Fuel Rail Pressure Sensor (FPS)
2 Throttle Actuator Control (TAC) Module
3 Turbo Bypass Valve Solenoid
4 Manifold Absolute Pressure (MAP) Sensor
5 High Pressure Fuel Pump
6 Camshaft Position (CMP) Sensor Intake
7 Knock Sensor (KS) 1
8 Crankshaft Position (CKP) Sensor
9 Engine Oil Pressure (EOP) Switch
10 Starter
11 Knock Sensor (KS) 2
12 A/C Compressor Clutch
13 Generator
14 Evaporative Emission (EVAP) Canister Purge Solenoid Valve
Fig 3: Engine - Top (LNF)
GM2003405Courtesy of GENERAL MOTORS CORP.
Callout Component Name
1 Ignition Coil 2
2 Ignition Coil 3
3 Ignition Coil 4
4 Fuel Injector 4
5 Fuel Injector 3
6 Fuel Injector 2
7 Fuel Injector 1
8 Camshaft Position (CMP) Actuator Solenoid Exhaust
9 Camshaft Position (CMP) Actuator Solenoid Intake
10 Ignition Coil 1
Fig 4: Engine - Rear (LNF)
GM2003400Courtesy of GENERAL MOTORS CORP.
Callout Component Name
1 Engine Coolant Temperature (ECT) Sensor
2 Camshaft Position (CMP) Sensor Exhaust
3 Mass Air Flow (MAF)/ Intake Air Temperature (IAT) Sensor
4 Turbocharger Wastegate Solenoid (LNF)
5 Turbocharger
6 Heated Oxygen Sensor (HO2S) 2
7 Heated Oxygen Sensor (HO2S) 1
Fig 5: Turbo Bypass Valve Solenoid (LNF)
GM2193366Courtesy of GENERAL MOTORS CORP.
Callout Component Name
1 Turbo Bypass Valve Solenoid
Fig 6: Engine with Transmission (LNF/MN5)
GM2004458Courtesy of GENERAL MOTORS CORP.
Callout Component Name
1 X100 (MN5)
2 Engine (LNF)
3 Heated Oxygen Sensor (HO2S) 1
4 Automatic Transmission Output Speed Sensor (OSS) (MN5)
5 Heated Oxygen Sensor (HO2S) 2
6 Park Neutral Position (PNP) Switch (MN5)
7 Transmission (MN5)
Fig 7: Engine with Transmission (LNF/MU3)
GM2004516Courtesy of GENERAL MOTORS CORP.
Callout Component Name
1 Transmission
2 Backup Lamp Switch
3 Engine (LNF)
4 Heated Oxygen Sensor (HO2S) 1
5 Vehicle Speed Sensor (VSS)
6 Heated Oxygen Sensor (HO2S) 2
Fig 8: Engine Block - Rear (LE8/LE9)
GM1546086Courtesy of GENERAL MOTORS CORP.
Callout Component Name
1 Engine Coolant Temperature (ECT) Sensor
2 Engine Block
Fig 9: Lower Front Of Engine
GM1659164Courtesy of GENERAL MOTORS CORP.
Callout Component Name
1 Generator
2 Starter
3 A/C Refrigerant Pressure Sensor
4 A/C Compressor Clutch
Fig 10: Engine - Left Side (LE8/LE9)
GM1614920Courtesy of GENERAL MOTORS CORP.
Callout Component Name
1 MAF/IAT Sensor
2 Ignition Coil Module 1 Connector
3 Ignition Coil Module 2 Connector
4 Ignition Coil Module 3 Connector
5 Ignition Coil Module 4 Connector
6 Fuel Rail
7 Fuel Injector 1
8 Fuel Injector 2
9 Fuel Injector 3
10 Fuel Injector 4
11 Throttle Actuator Control (TAC) Module
Fig 11: Engine - Rear (LE8/LE9)
GM1659437Courtesy of GENERAL MOTORS CORP.
Callout Component Name
1 Ignition Coil Module 4
2 Ignition Coil Module 3
3 Ignition Coil Module 2
4 Camshaft Position (CMP) Actuator Solenoid-Intake
5 Camshaft Position (CMP) Actuator Solenoid-Exhaust
6 Ignition Coil Module 1
7 Engine Harness
8 Heated Oxygen Sensor (HO2S) 1
9 Heated Oxygen Sensor (HO2S) 2
10 Engine Coolant Temperature (ECT) Sensor
11 Camshaft Position (CMP) Sensor (Exhaust)
12 G108
13 Camshaft Position (CMP) Sensor (Intake)
14 Evaporative Emission (EVAP) Canister Purge Solenoid Valve
Fig 12: Front Of Engine (LE8/LE9) (1 of 2)
GM1555577Courtesy of GENERAL MOTORS CORP.
Callout Component Name
1 Fuel Injector 1
2 Fuel Injector 2
3 Fuel Injector 3
4 Manifold Absolute Pressure (MAP) Sensor
5 Fuel Injector 4
6 Evaporative Emission (EVAP) Canister Purge Solenoid Valve
7 Camshaft Position (CMP) Sensor - Intake
8 Knock Sensor (KS)
9 Engine Oil Pressure (EOP) Switch
10 Crankshaft Position (CKP) Sensor
11 Starter Solenoid
12 Starter
13 Intake Manifold
Fig 13: Front Of Engine (LE8/LE9) (2 of 2)
GM1751287Courtesy of GENERAL MOTORS CORP.
Callout Component Name
1 Throttle Actuator Control (TAC) Module
2 Evaporative Emission (EVAP) Canister Purge Solenoid
3 Engine Oil Pressure (EOP) Switch
4 Crankshaft Position (CKP) Sensor
5 Knock Sensor (KS)
6 Starter
7 Starter Solenoid
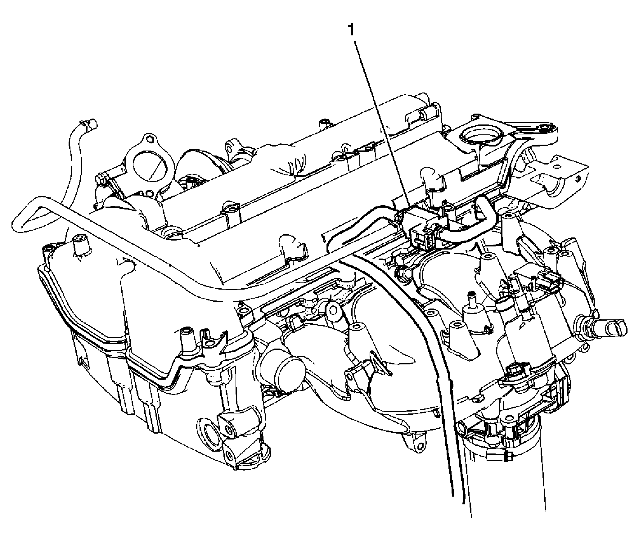
Fig 14: Manifold Absolute Pressure (MAP) Sensor (LE8/LE9)
GM1583757Courtesy of GENERAL MOTORS CORP.
Callout Component Name
1 Manifold Absolute Pressue (MAP) Sensor
Fig 15: Manual Transmission (M86)
GM1659162Courtesy of GENERAL MOTORS CORP.
Callout Component Name
1 Backup Lamp Switch
2 Vehicle Speed Sensor
Fig 16: Autmomatic Transmission Internal Components (MN5)
GM1982293Courtesy of GENERAL MOTORS CORP.
Callout Component Name
1 Automatic Transmission Fluid Pressure (TFP) Manual Valve Position Switch
2 1-2 Shift Solenoid Valve
3 2-3 Shift Solenoid Valve
4 Automatic Transmission Output Speed Sensor
5 Automatic Transmission Input Speed Sensor
6 Pressure Control Solenoid
7 TCC Control PWM Solenoid