lemon-mirror:
Home >> Chevrolet >> 2010 >> HHR LS, Automatic >> Repair and Diagnosis >> Engine Performance >> System >> Data Communication System >> Schematic and Routing Diagrams >> Data Communication Schematics

Data Communication Schematics

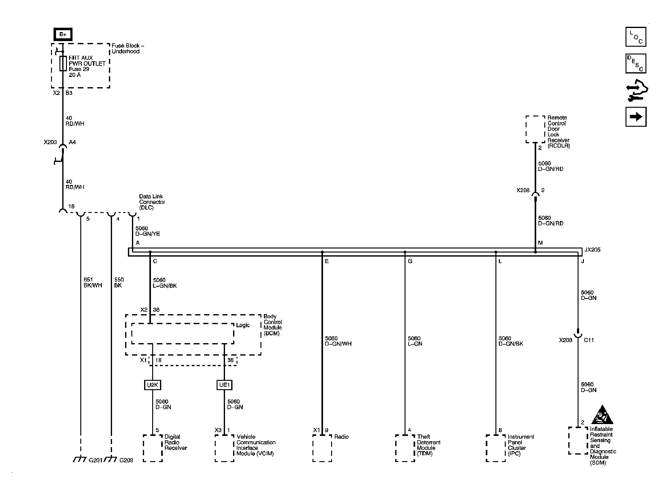
Fig 1: DLC Power, Ground, and Low Speed GMLAN
GM2247695Courtesy of GENERAL MOTORS CORP.
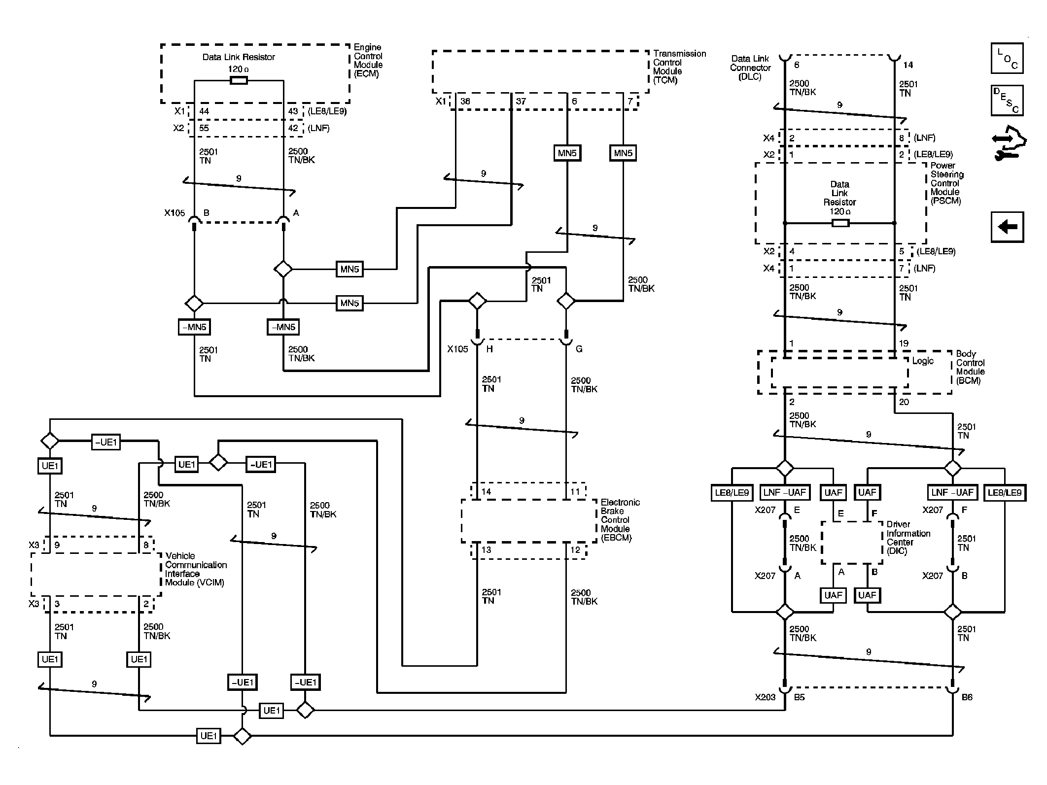
Fig 2: High Speed GMLAN
GM2247696Courtesy of GENERAL MOTORS CORP.