lemon-mirror:
Home >> Chevrolet >> 2010 >> Traverse LS, FWD >> Repair and Diagnosis >> Engine Performance >> System >> Data Communication System >> Schematic and Routing Diagrams >> Data Communication Schematics

Data Communication Schematics

Fig 1: Data Communication Circuit Schematic - Low Speed GMLAN
GM2248200Courtesy of GENERAL MOTORS CORP.
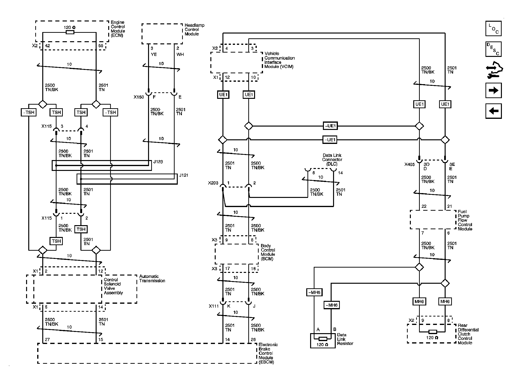
Fig 2: Data Communication Circuit Schematic - High Speed GMLAN
GM2248204Courtesy of GENERAL MOTORS CORP.
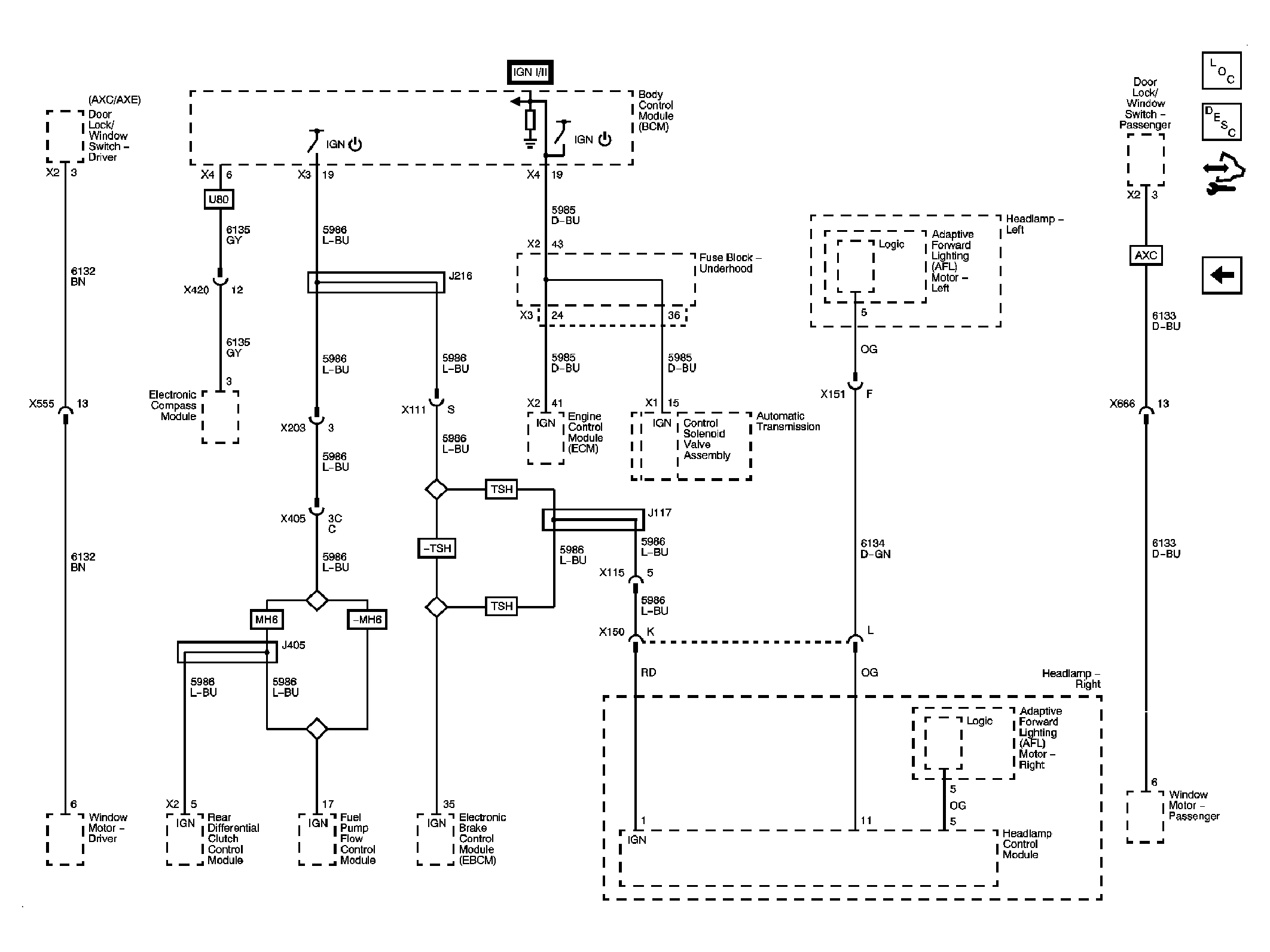
Fig 3: Communication Enable and Local Interconnect Network Circuit Schematic - (LIN)
GM2248209Courtesy of GENERAL MOTORS CORP.