lemon-mirror:
Home >> Chevrolet >> 2011 >> Chevy Express H1500, Van Cargo >> Repair and Diagnosis >> Transmission >> Automatic Trans >> Shift Lock Control System >> Wiring Schematics >> Shift Lock Control Wiring Schematics >> Shift Lock Control

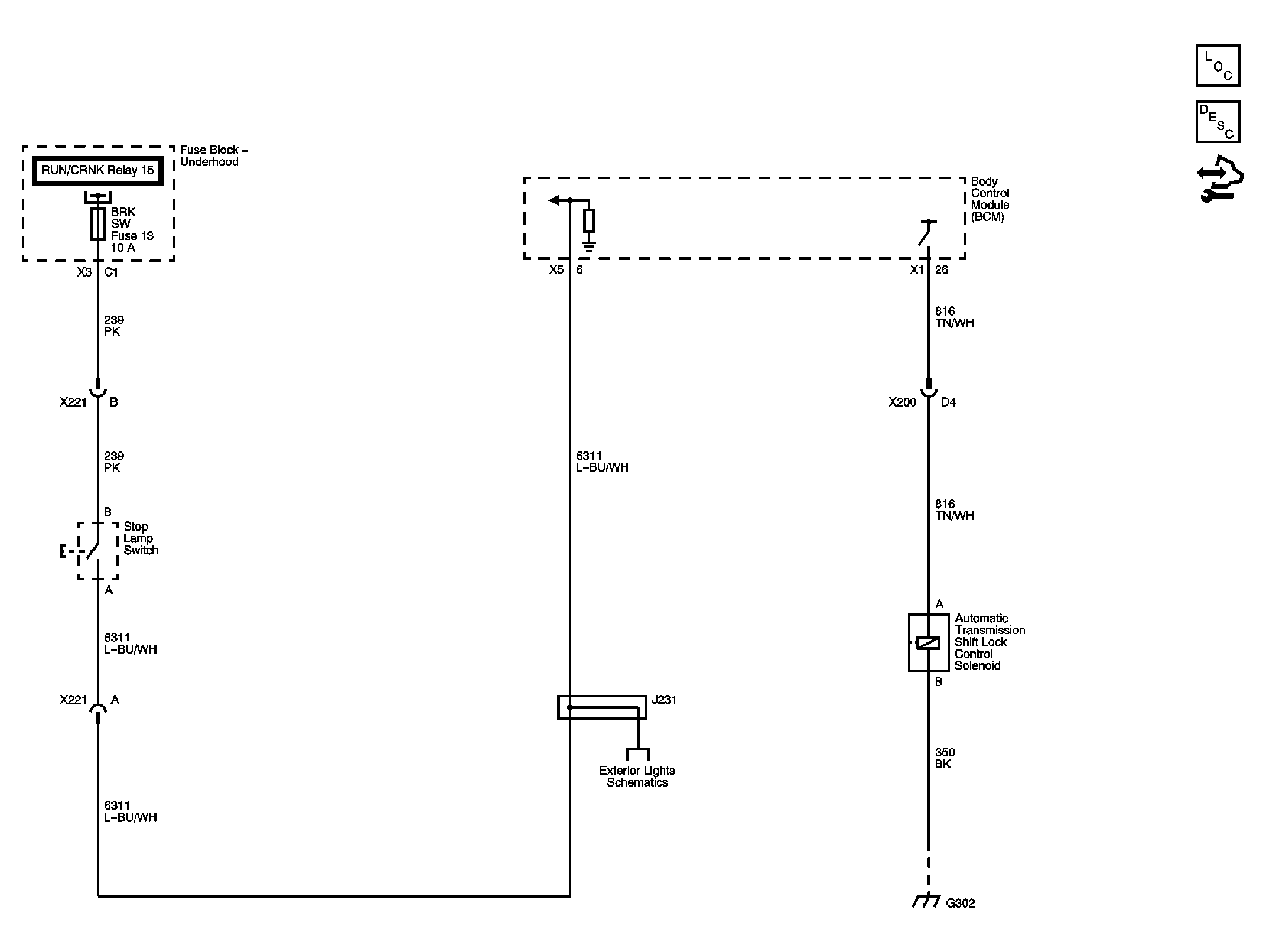
Shift Lock Control

Fig 1: Shift Lock Control Wiring Schematic
GM2475838Courtesy of GENERAL MOTORS CORP.