lemon-mirror:
Home >> Chevrolet >> 2011 >> Corvette Z06 >> Repair and Diagnosis >> Engine Performance >> System >> Data Communications System >> Wiring Schematics >> Data Communication System Wiring Schematics

Data Communication System Wiring Schematics

Fig 1: Power, Ground, and Class 2 Wiring Schematic
GM2400064Courtesy of GENERAL MOTORS CORP.
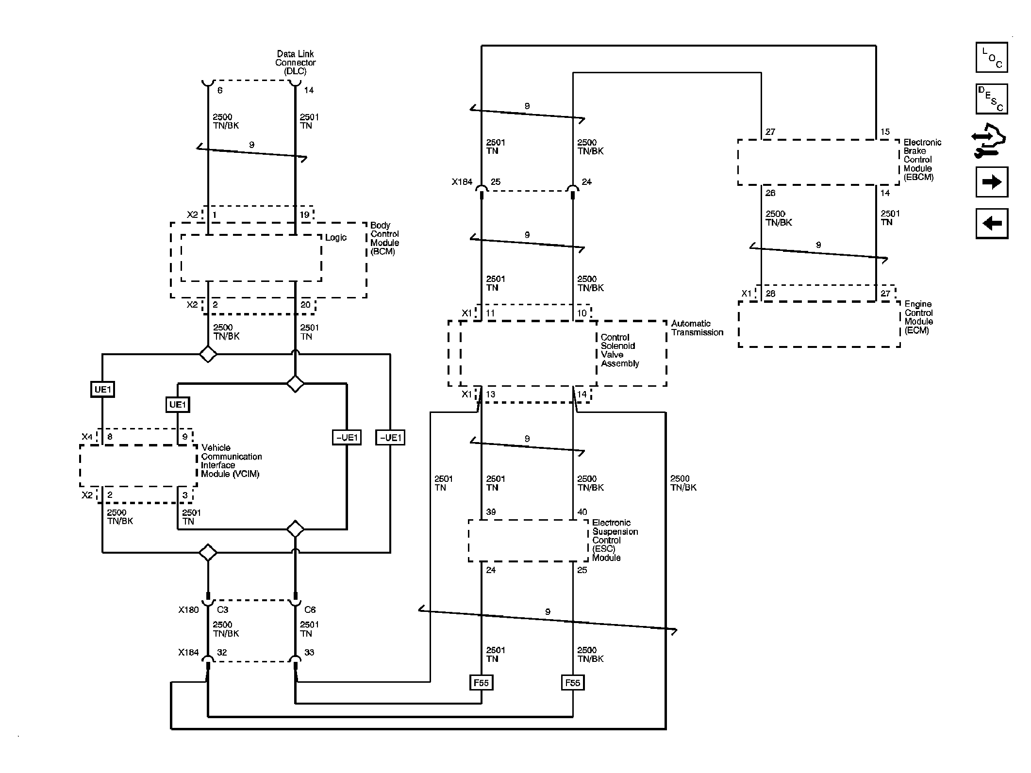
Fig 2: High Speed GMLAN - Automatic Transmission Wiring Schematic
GM2400068Courtesy of GENERAL MOTORS CORP.
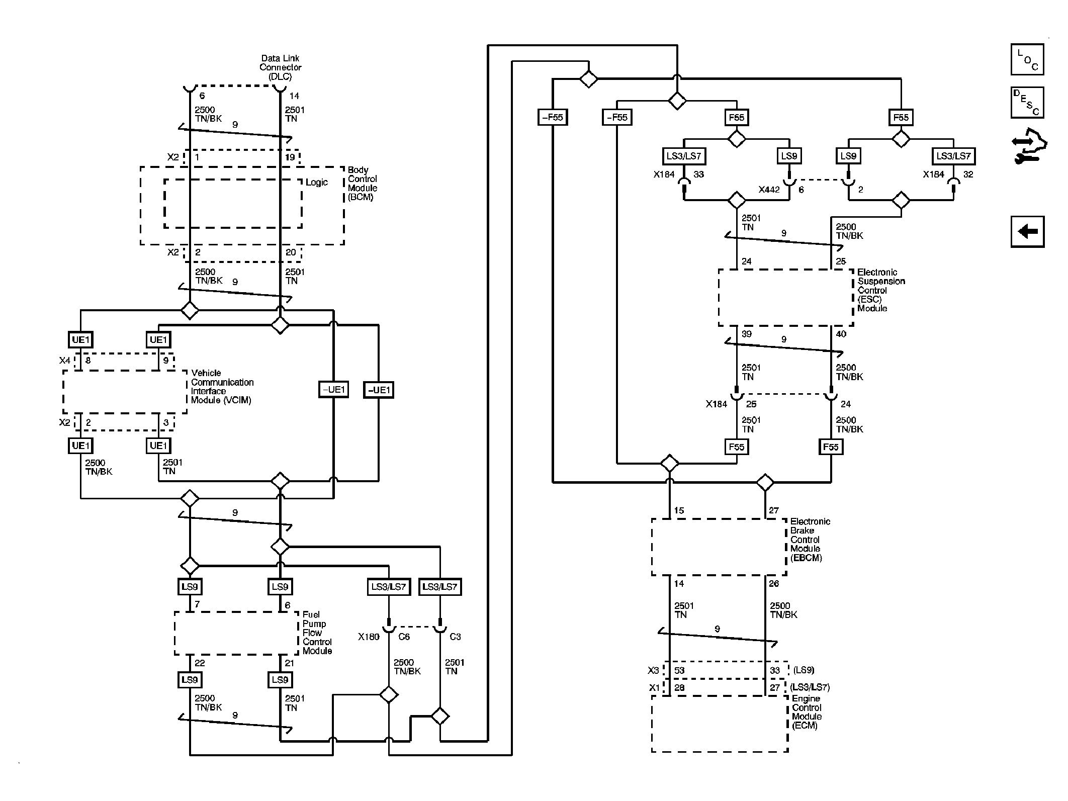
Fig 3: High Speed GMLAN - Manual Transmission Wiring Schematic
GM2400070Courtesy of GENERAL MOTORS CORP.