lemon-mirror:
Home >> Chevrolet >> 2011 >> Equinox LS, FWD >> Repair and Diagnosis >> Engine Performance >> System >> Data Communications System >> Wiring Schematics >> Data Communication System Wiring Schematics

Data Communication System Wiring Schematics

Fig 1: Low Speed GMLAN Wiring Schematic (1 of 2)
GM2409756Courtesy of GENERAL MOTORS CORP.
Fig 2: Low Speed GMLAN Wiring Schematic (2 of 2)
GM2409759Courtesy of GENERAL MOTORS CORP.
Fig 3: High Speed GMLAN Wiring Schematic (1 of 2)
GM2409762Courtesy of GENERAL MOTORS CORP.
Fig 4: High Speed GMLAN Wiring Schematic (2 of 2)
GM2409763Courtesy of GENERAL MOTORS CORP.
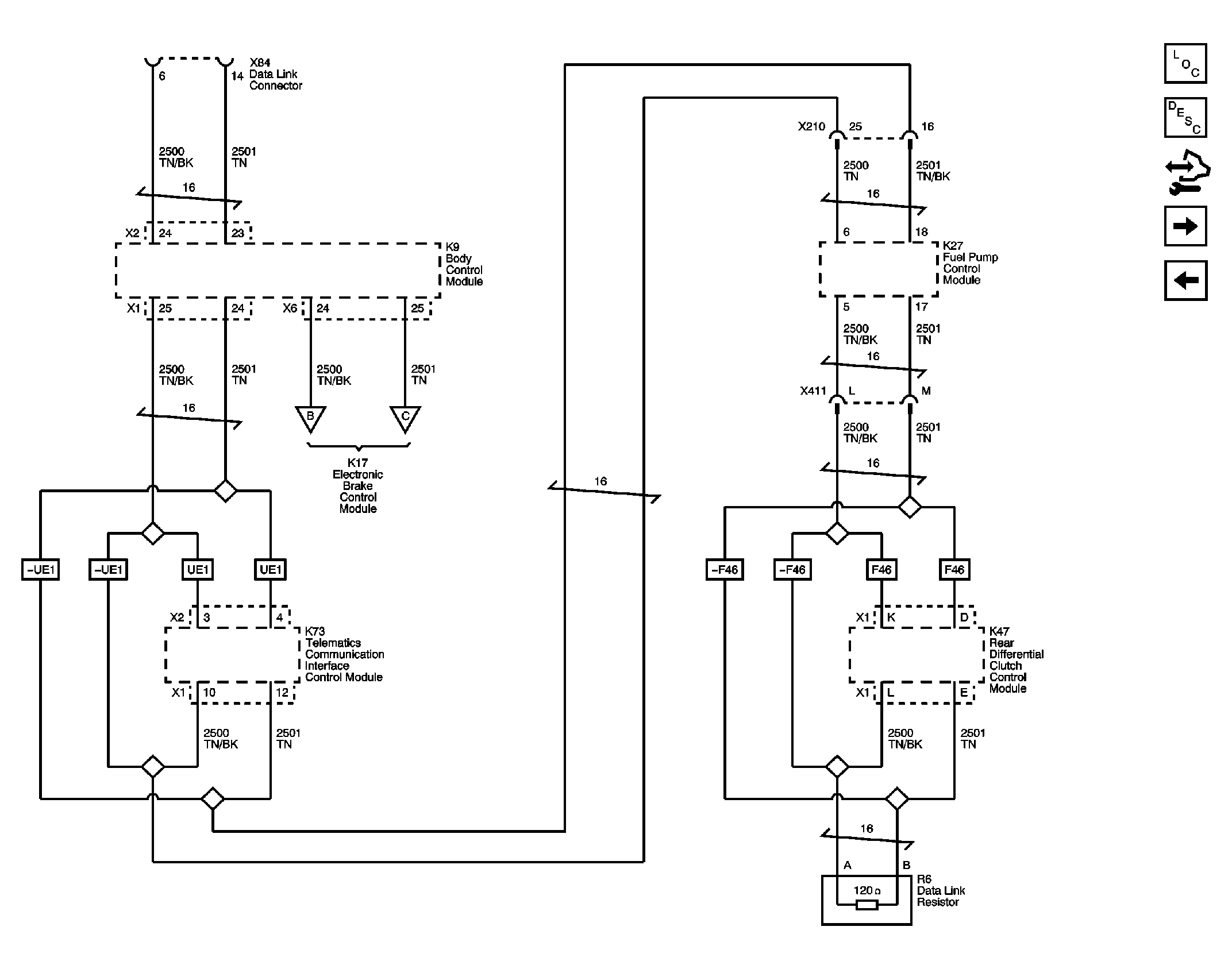
Fig 5: Enable Serial Data Wiring Schematic
GM2409779Courtesy of GENERAL MOTORS CORP.
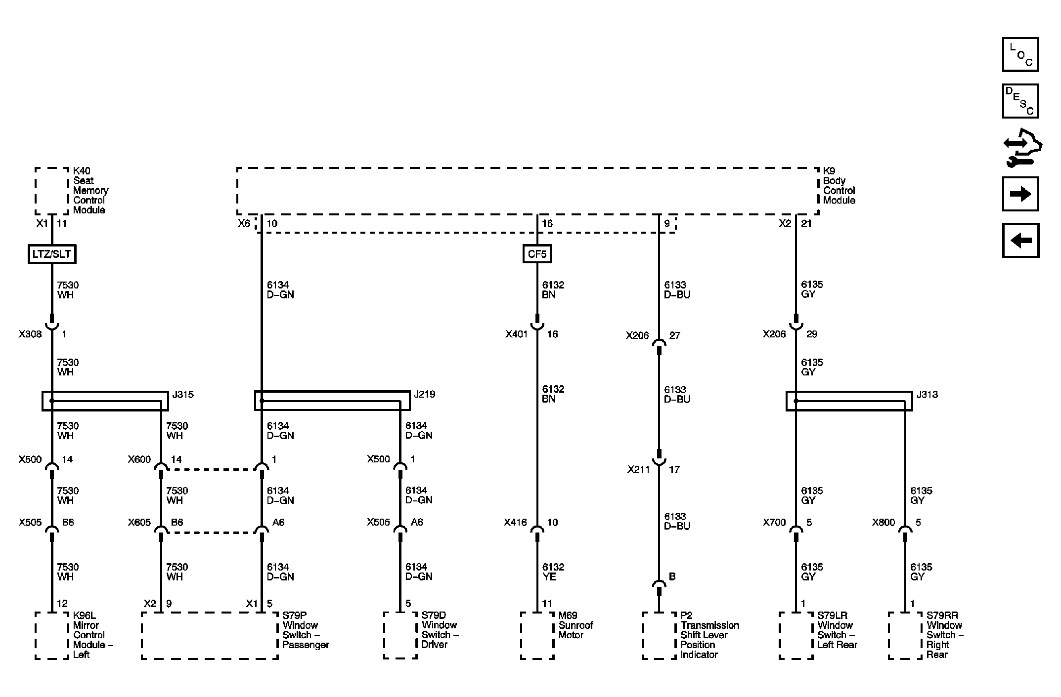
Fig 6: BCM Linear Interconnect Network (LIN) Bus 1, 2, 3, 4 and Memory Seat LIN Bus Wiring Schematic
GM2409781Courtesy of GENERAL MOTORS CORP.
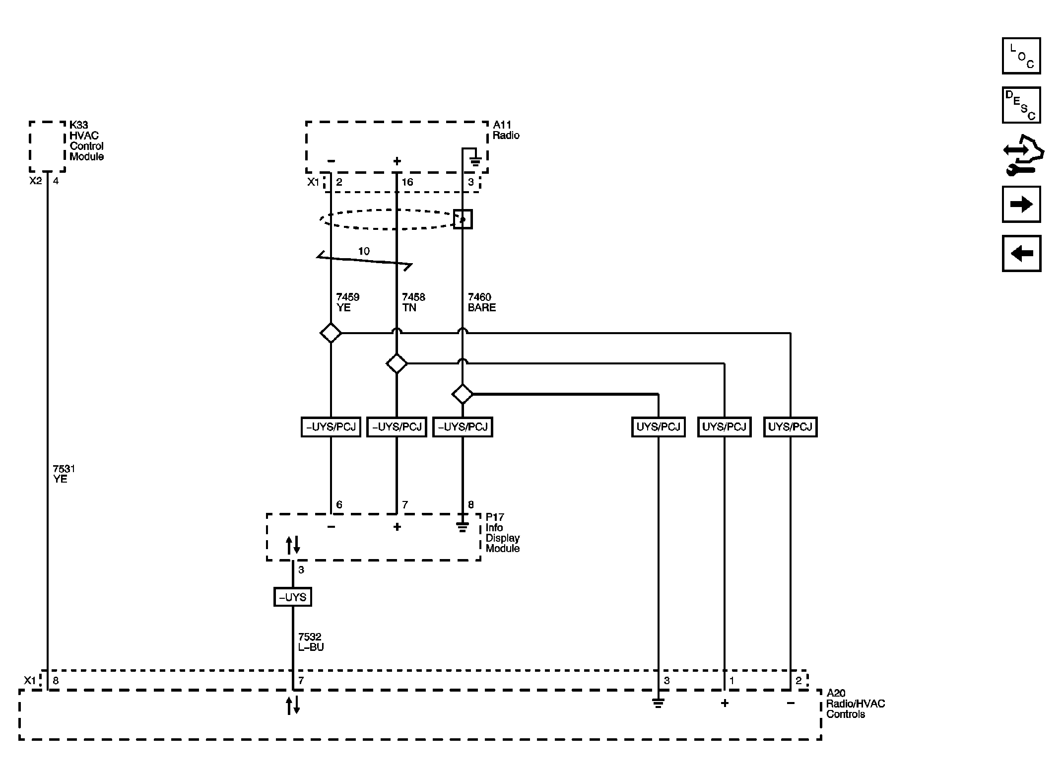
Fig 7: Radio/HVAC Linear Interconnect Network (LIN) Bus and CAN Graphical Interface Wiring Schematic
GM2409783Courtesy of GENERAL MOTORS CORP.
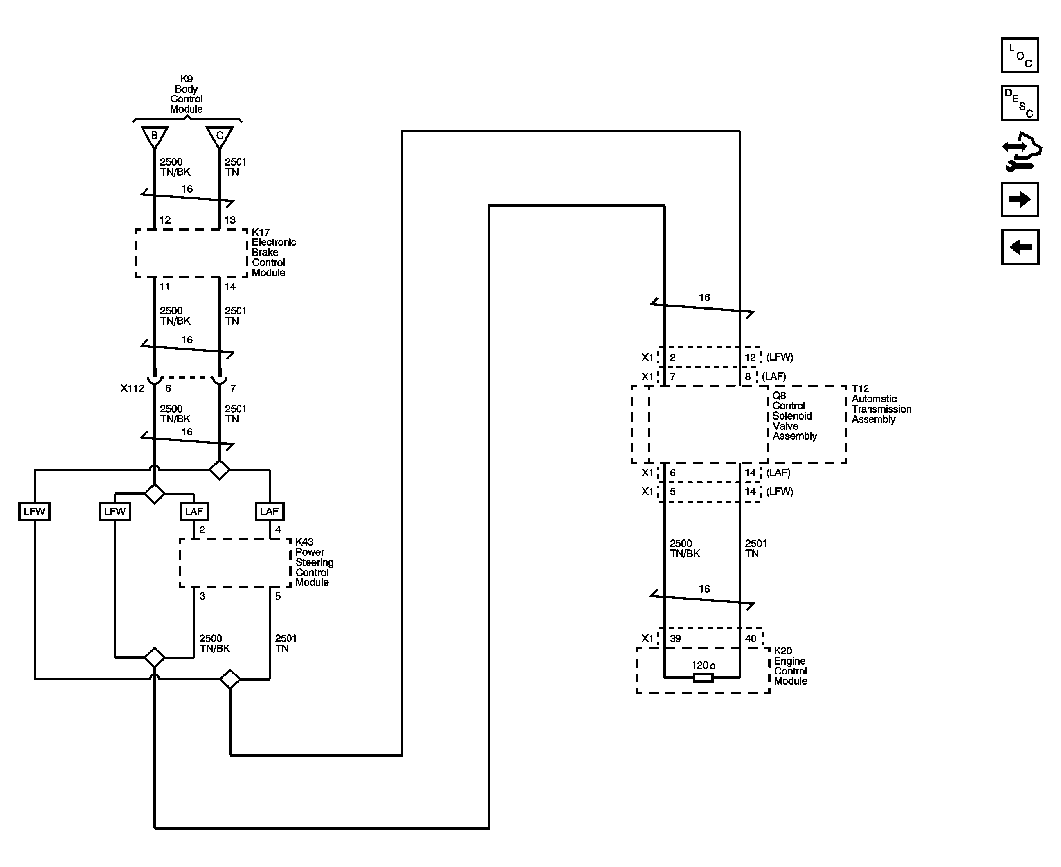
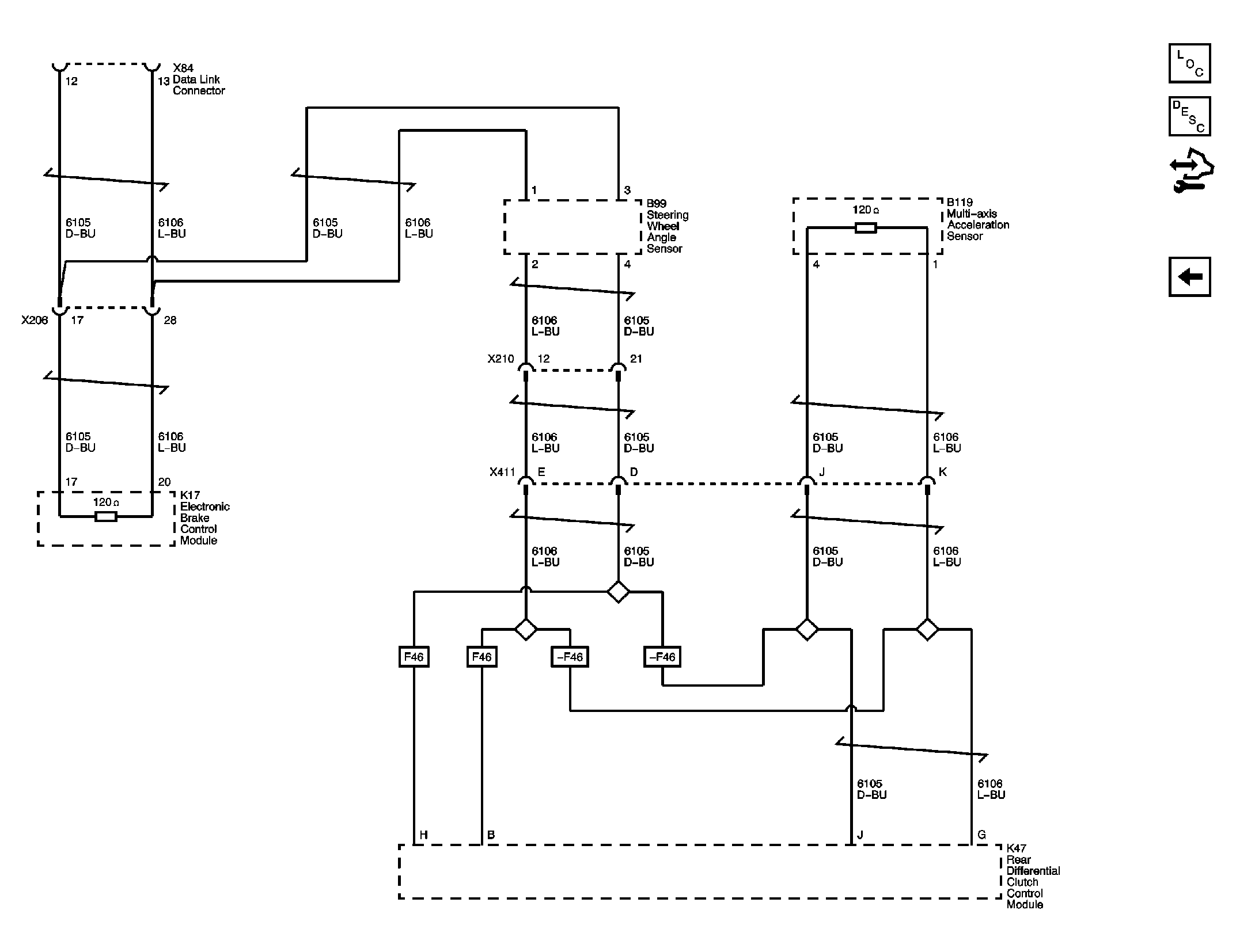
Fig 8: Chassis Expansion Bus Wiring Schematic
GM2409791Courtesy of GENERAL MOTORS CORP.