lemon-mirror:
Home >> Chevrolet >> 2011 >> HHR LS, Automatic >> Repair and Diagnosis >> Engine Performance >> System >> Data Communications System >> Wiring Schematics >> Data Communication System Wiring Schematics >> High Speed GMLAN

High Speed GMLAN

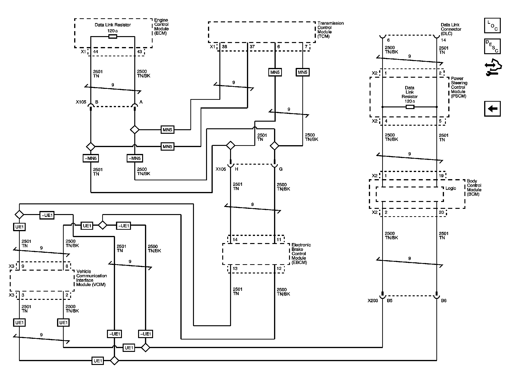
Fig 1: High Speed GMLAN Wiring Schematic
GM2376992Courtesy of GENERAL MOTORS COMPANY